LEMON Manuals: Even more car manuals for everyone
Home >> Chevrolet >> 2009 >> Traverse LS, AWD >> Repair and Diagnosis >> Accessories & Equipment >> Infotainment >> Cellular System, Entertainment System & Navigation System >> Schematic and Routing Diagrams >> Radio/Navigation System Schematics

Radio/Navigation System Schematics

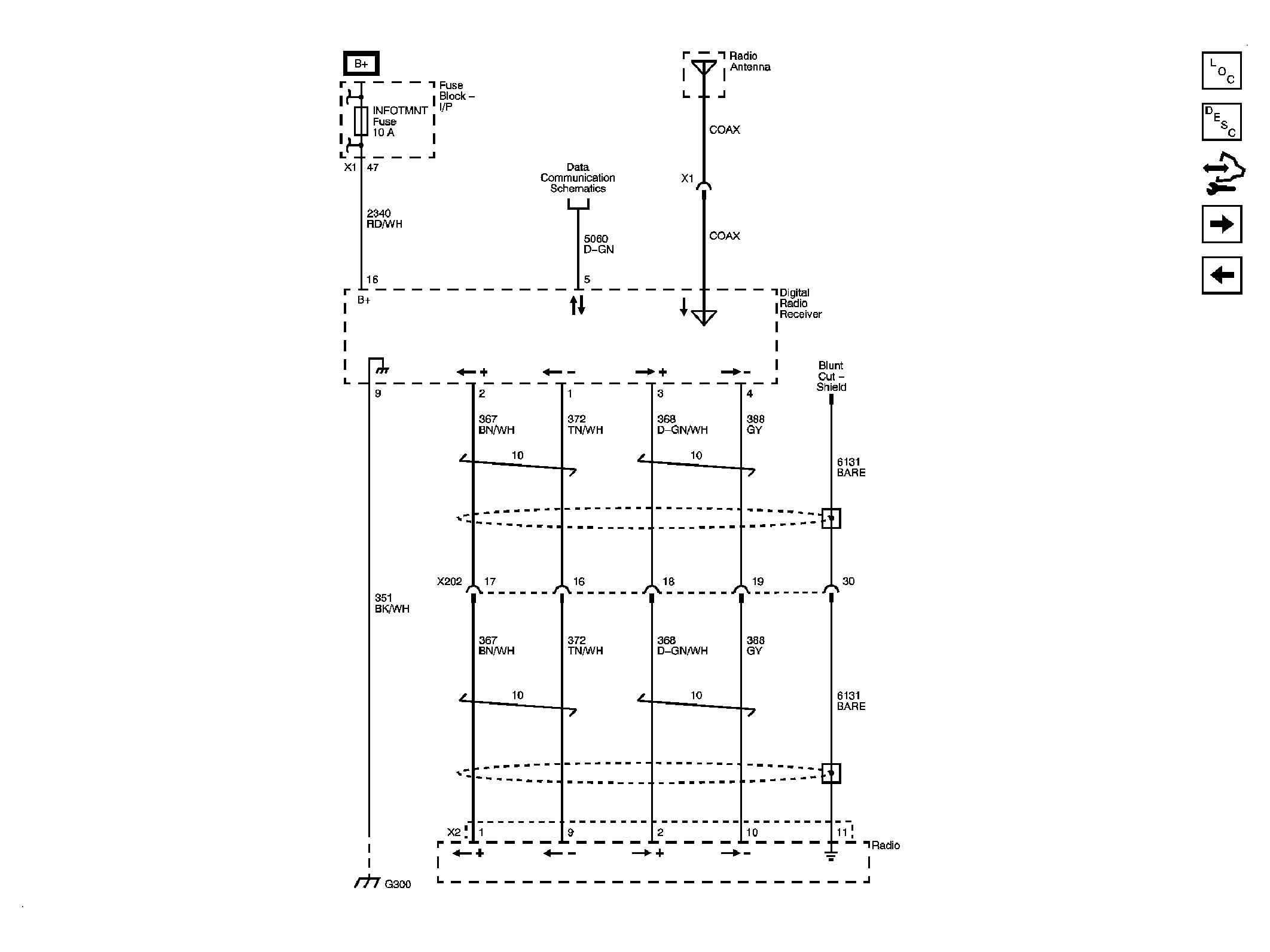
Fig 1: Radio Antennas, Data Communication, Lighting, Power & Vehicle Speed Signal Circuit Schematic
GM1883235Courtesy of GENERAL MOTORS CORP.
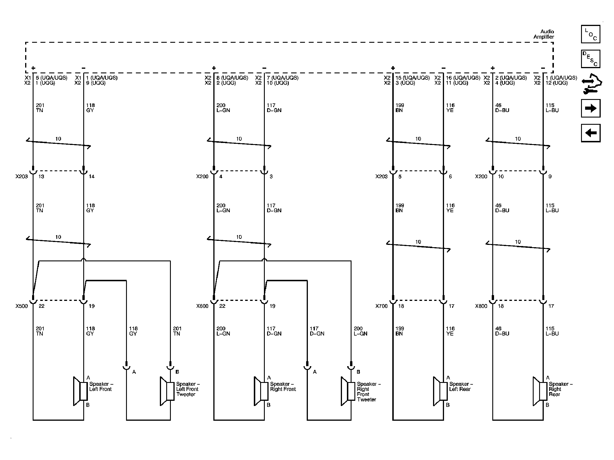
Fig 2: Audio Amplifier Power, Ground, and Front & Rear Audio Inputs Circuit Schematic - UQA or UQS
GM1883236Courtesy of GENERAL MOTORS CORP.
Fig 3: Audio Amplifier Power, Ground, and All Audio Inputs - UQG+UK6, Front & Rear Audio Inputs Circuit Schematic - UQA/UQS+UK6
GM1883237Courtesy of GENERAL MOTORS CORP.
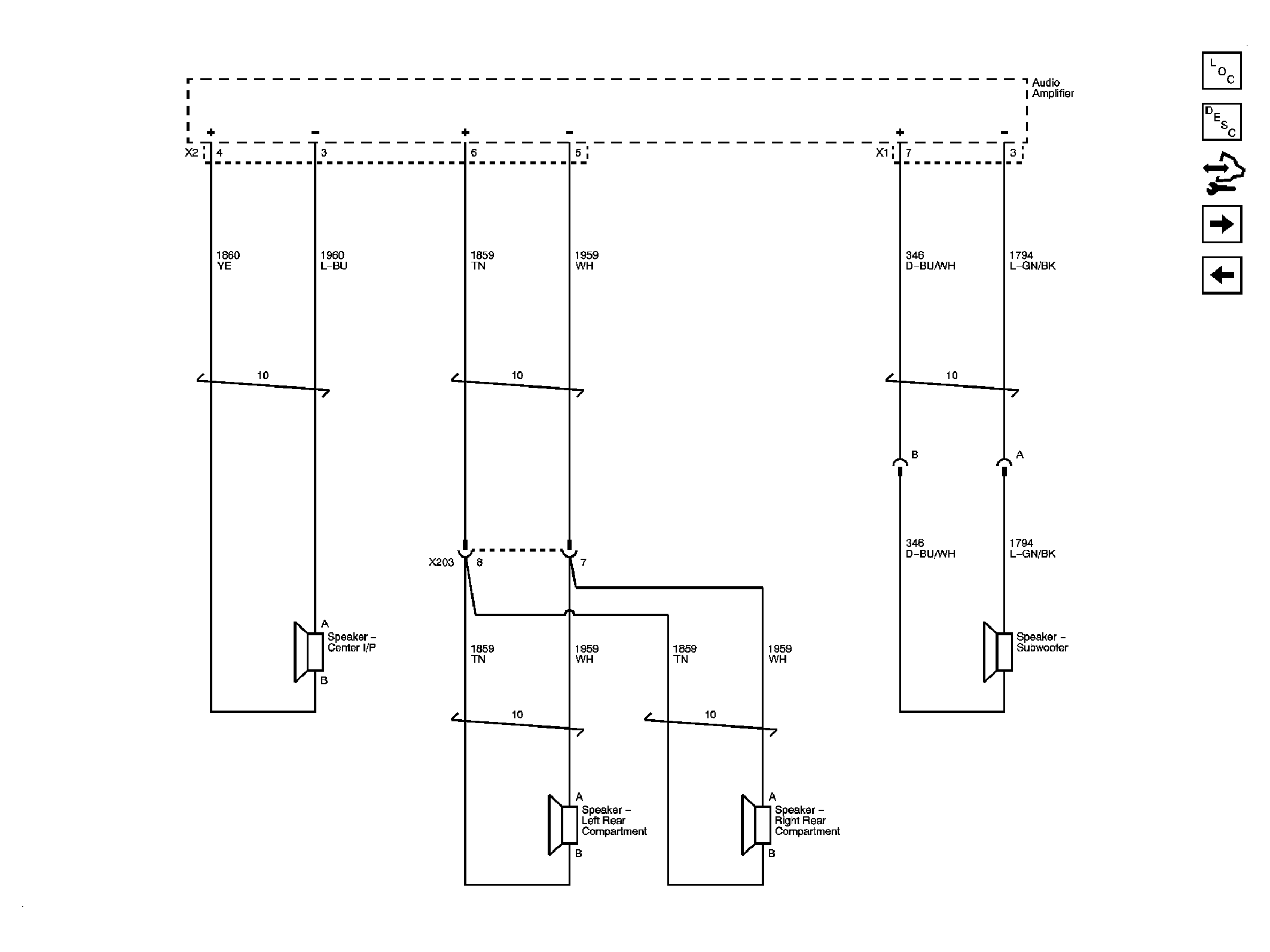
Fig 4: Audio Amplifier Center & Subwoofer Audio Inputs Circuit Schematic - UQS
GM1883238Courtesy of GENERAL MOTORS CORP.
Fig 5: Speakers Circuit Schematic - UQF
GM1883239Courtesy of GENERAL MOTORS CORP.
Fig 6: Speakers Circuit Schematic - UQF+UK6
GM1883240Courtesy of GENERAL MOTORS CORP.
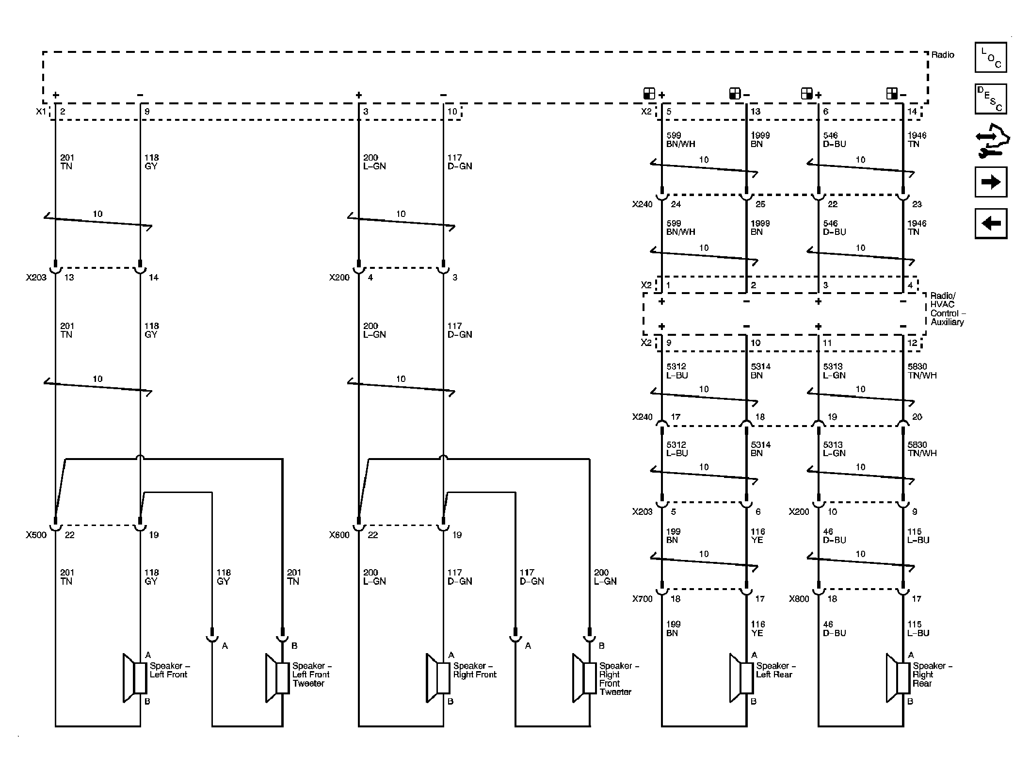
Fig 7: Door and A-Pillar Speakers Circuit Schematic - UQA/UQG/UQS
GM1883241Courtesy of GENERAL MOTORS CORP.
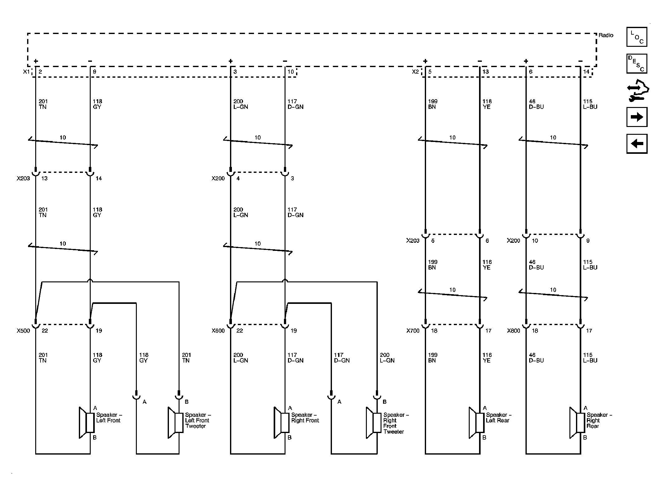
Fig 8: Except Door and A-Pillar Speakers Circuit Schematic - UQA/UQS
GM1883242Courtesy of GENERAL MOTORS CORP.
Fig 9: Rear Audio/HVAC Module Power, Ground, Lighting, Data Communication & Infrared Module Circuit Schematic
GM2078140Courtesy of GENERAL MOTORS CORP.
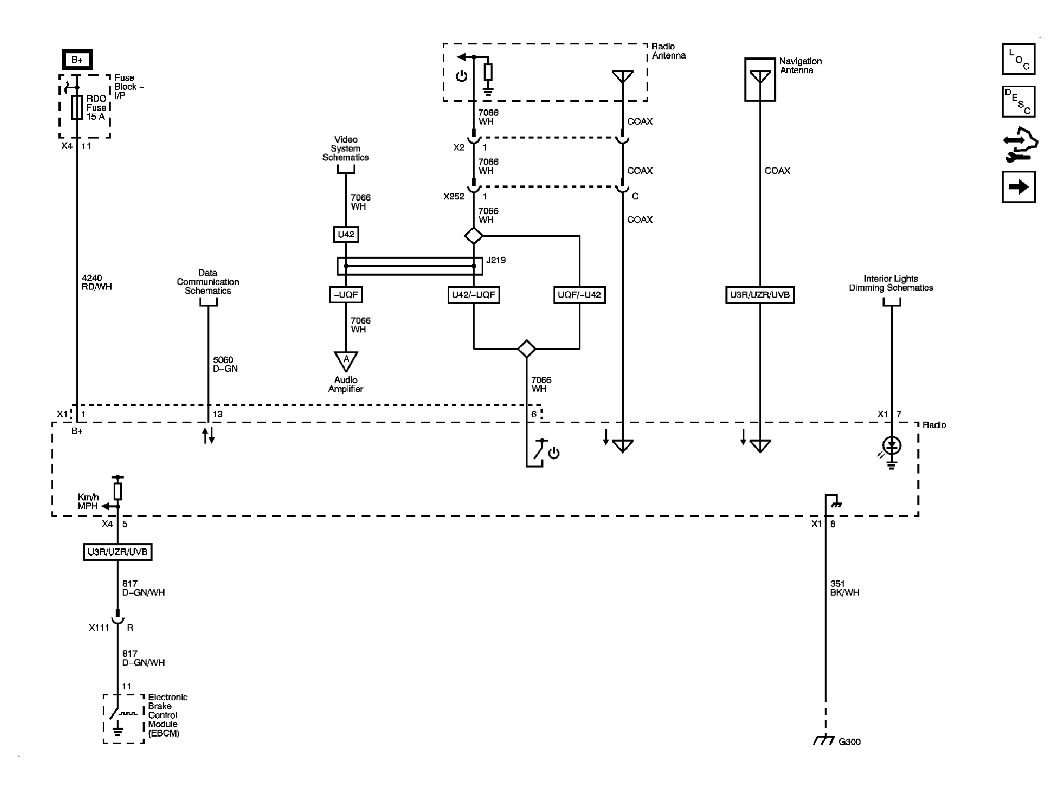
Fig 10: XM Radio Circuit Schematic - U2K or UBS
GM2078142Courtesy of GENERAL MOTORS CORP.
Fig 11: Secondary Controls Circuit Schematic
GM2078144Courtesy of GENERAL MOTORS CORP.