LEMON Manuals: Even more car manuals for everyone
Home >> Chevrolet >> 2009 >> Traverse LS, AWD >> Repair and Diagnosis (Single Page) >> Engine Performance >> System >> Engine Control System & Fuel System - 3.6L - Introduction >> Schematic and Routing Diagrams >> Engine Controls Schematics

Engine Controls Schematics

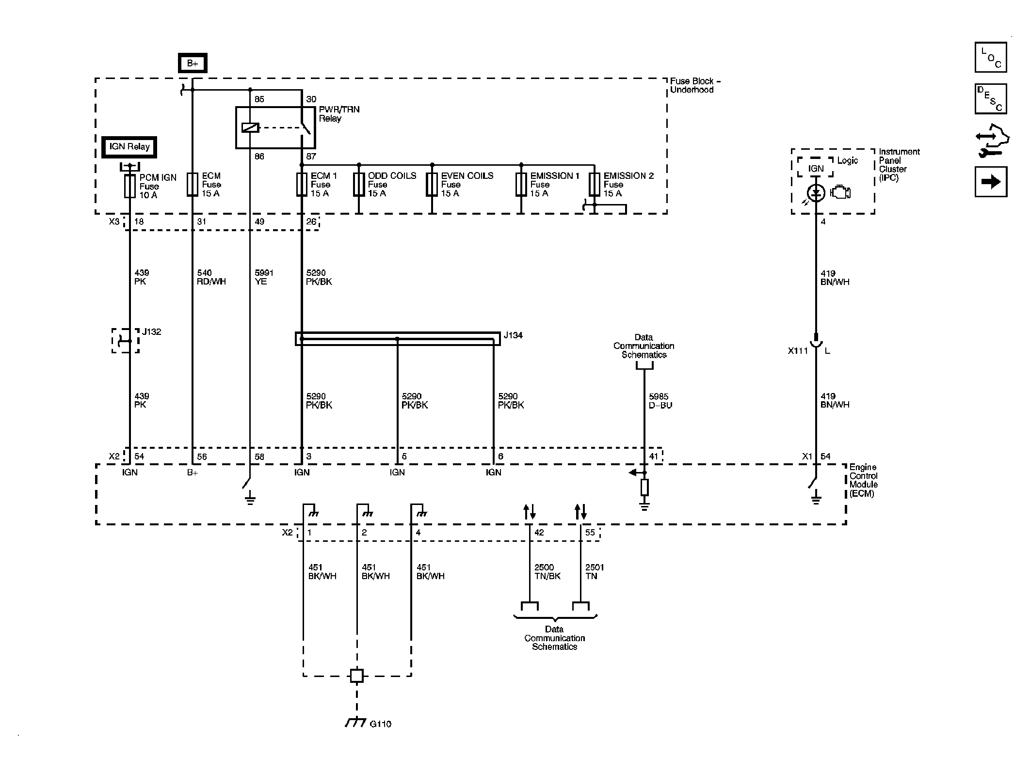
Fig 1: Module Power, Ground, Serial Data & MIL Circuit Schematic
GM2077843Courtesy of GENERAL MOTORS CORP.
Fig 2: 5-Volt 1 & Low Reference Bus Circuit Schematic
GM2077846Courtesy of GENERAL MOTORS CORP.
Fig 3: 5-Volt 2, 5-Volt 3 & Low Reference Busses Circuit Schematic
GM2077847Courtesy of GENERAL MOTORS CORP.
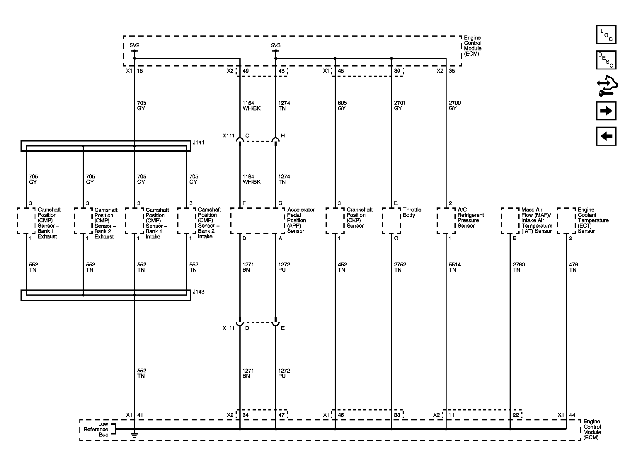
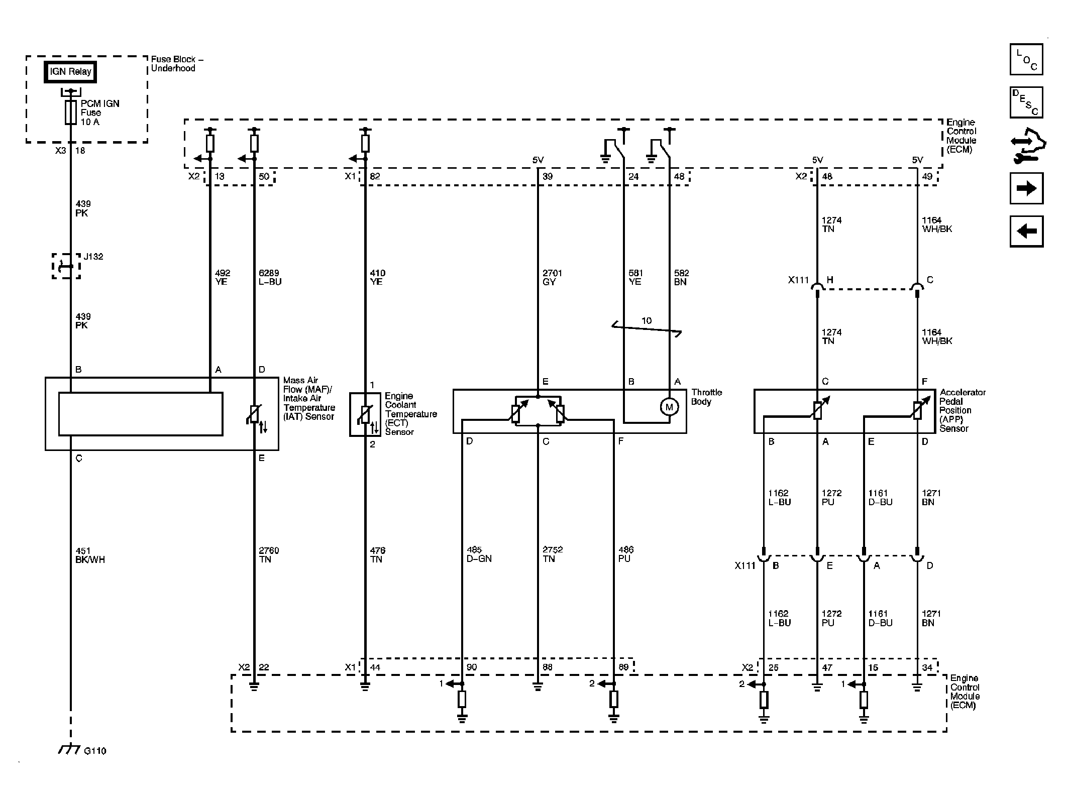
Fig 4: Engine Data Sensors - Pressure, Temperature & Throttle Controls Circuit Schematic
GM2077852Courtesy of GENERAL MOTORS CORP.
Fig 5: Engine Data Sensors Circuit Schematic - Oxygen Sensors
GM2077854Courtesy of GENERAL MOTORS CORP.
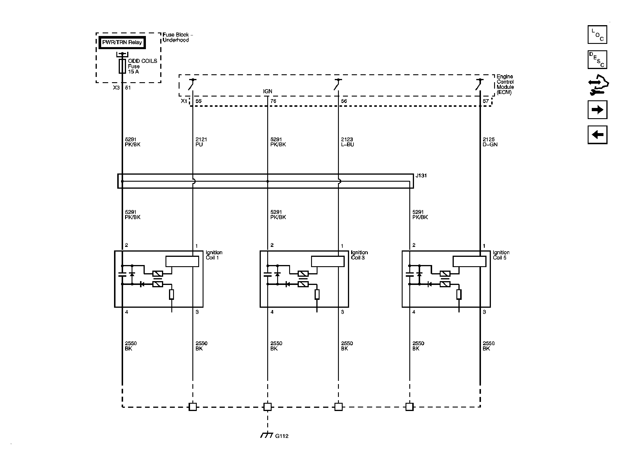
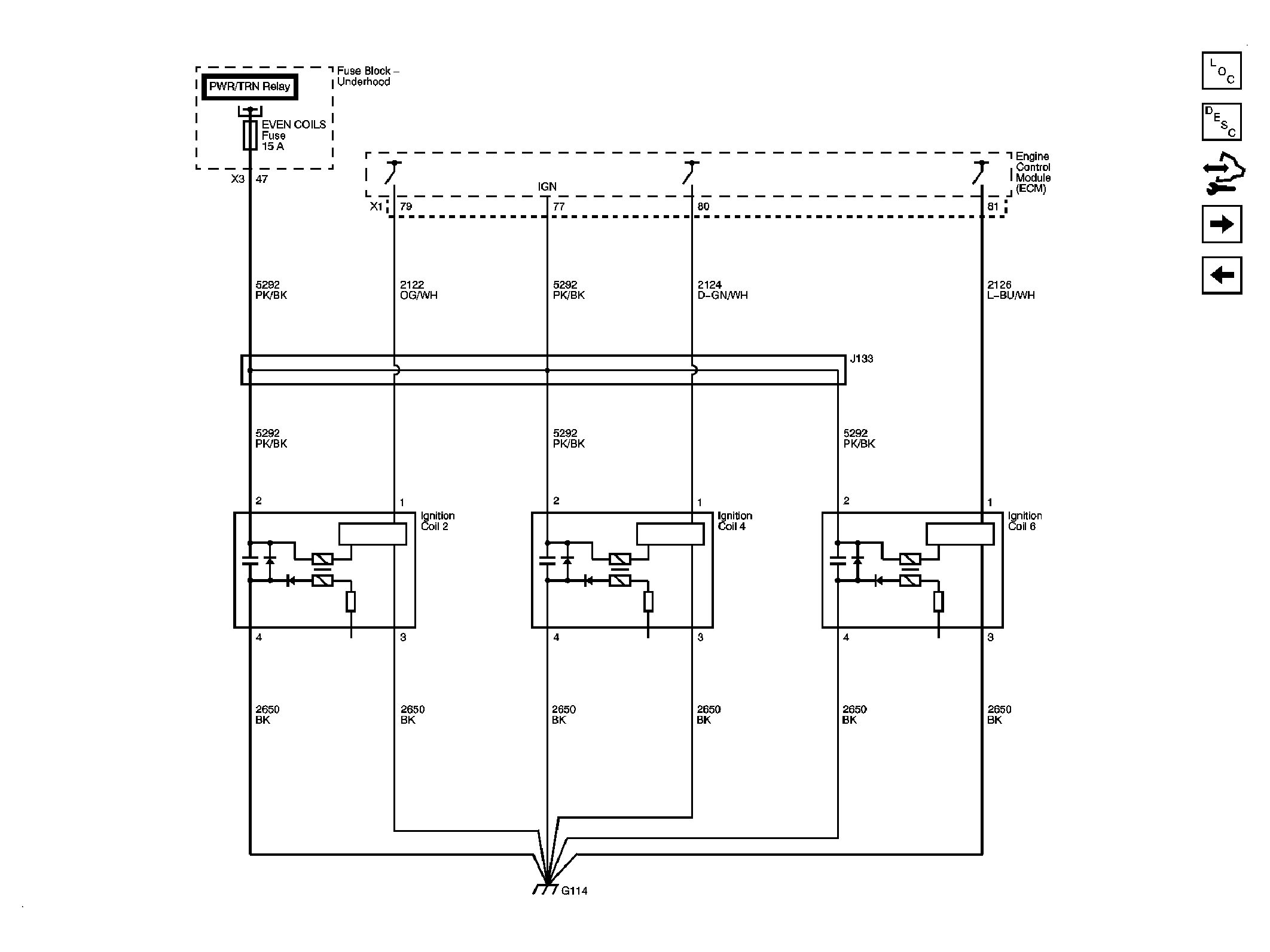
Fig 6: Ignition Controls Circuit Schematic - Bank 1 Ignition System
GM2077859Courtesy of GENERAL MOTORS CORP.
Fig 7: Ignition Controls Circuit Schematic - Bank 2 Ignition System
GM2077862Courtesy of GENERAL MOTORS CORP.
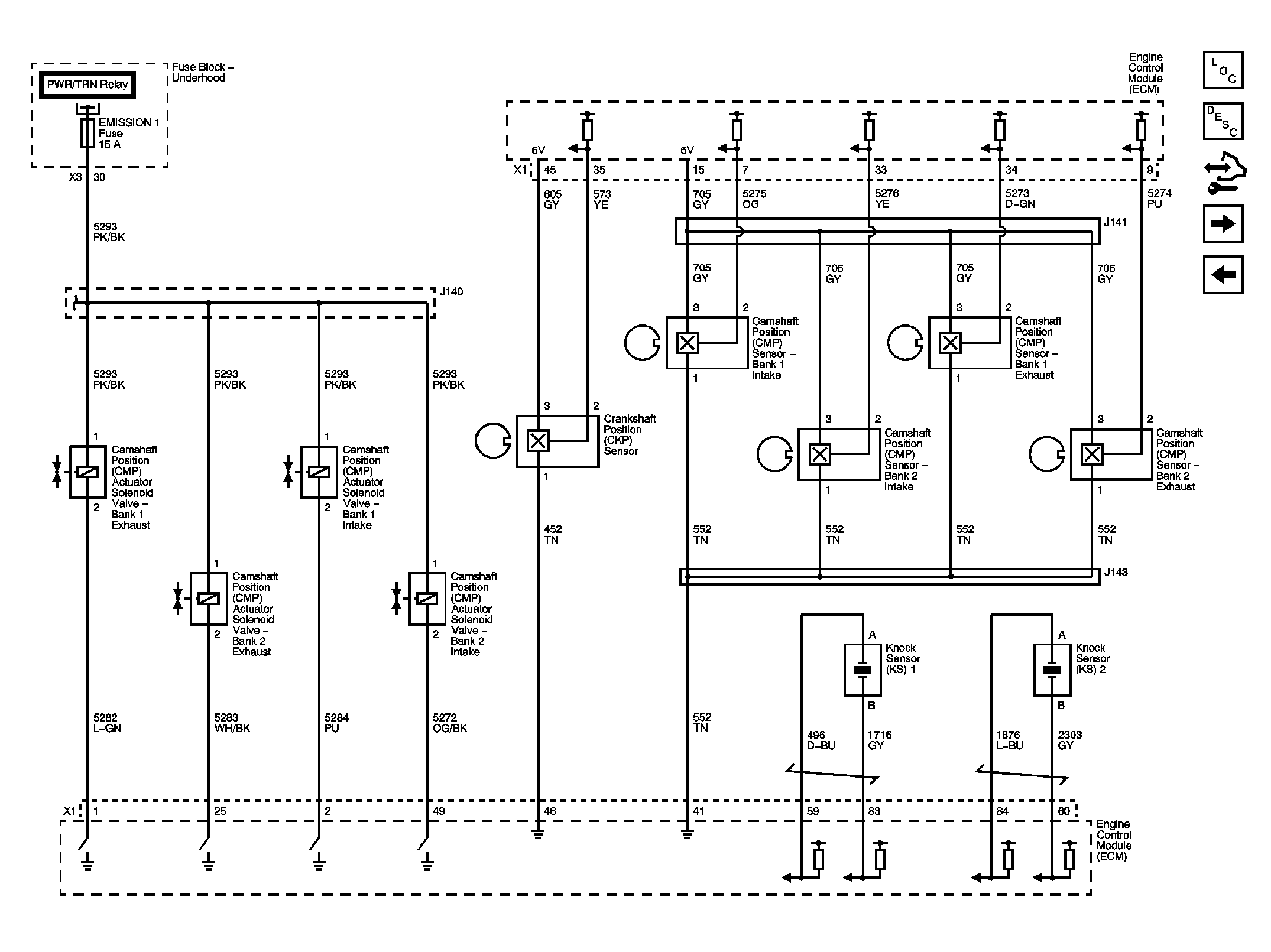
Fig 8: Ignition Controls Circuit Schematic - CKP/CMP/KS Sensors and CMP Actuator Solenoids
GM2077869Courtesy of GENERAL MOTORS CORP.
Fig 9: Fuel Controls Circuit Schematic - Fuel Injectors
GM2077870Courtesy of GENERAL MOTORS CORP.
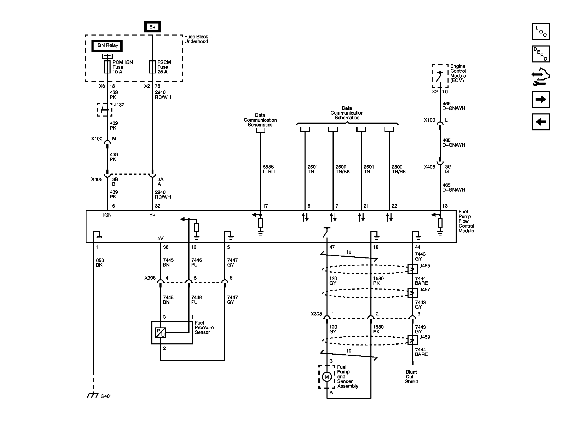
Fig 10: Fuel Controls Circuit Schematic - Fuel Pump Flow Control
GM2090426Courtesy of GENERAL MOTORS CORP.
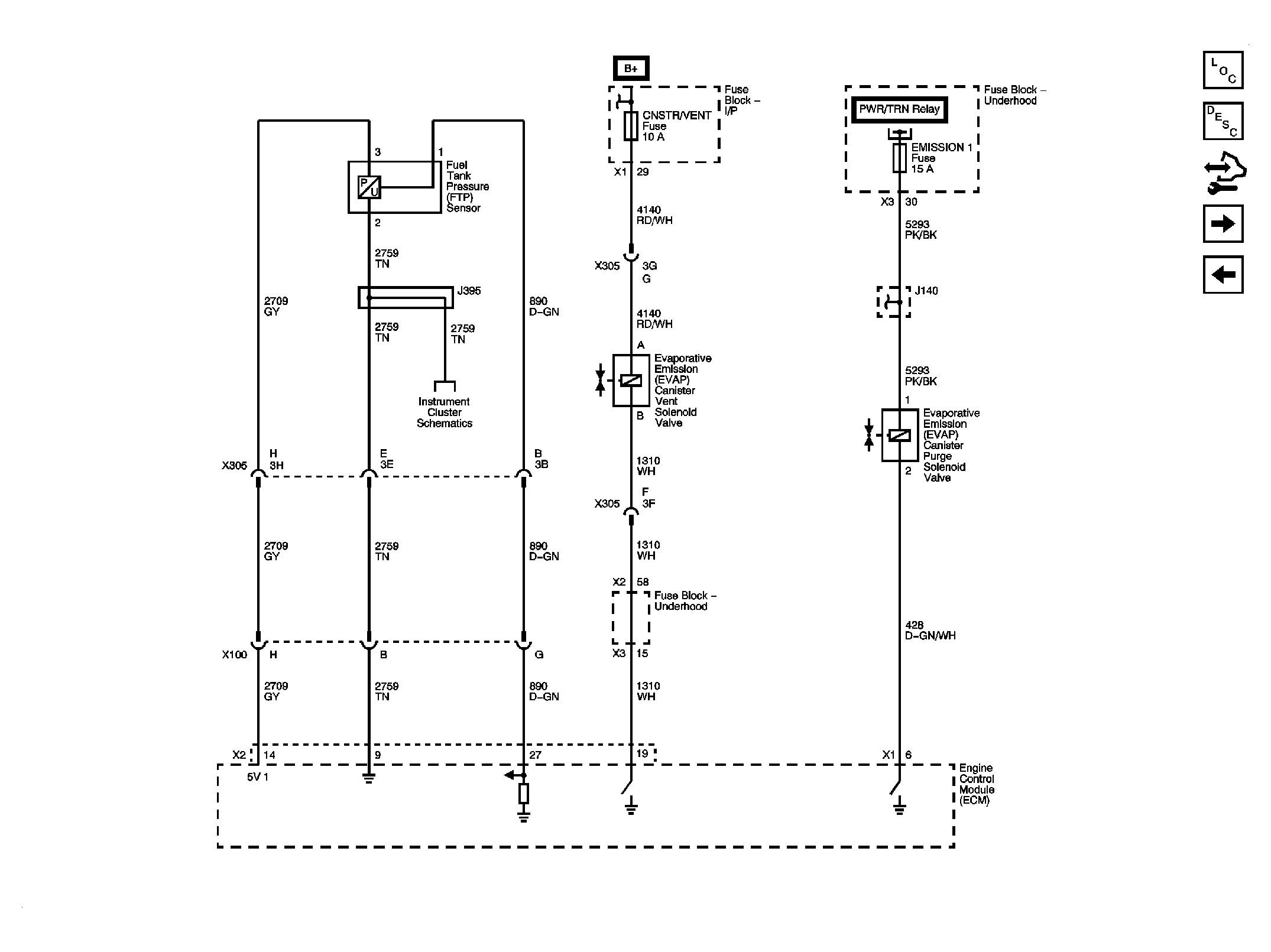
Fig 11: Fuel Controls Circuit Schematic - EVAP Controls
GM2077871Courtesy of GENERAL MOTORS CORP.
Fig 12: Subsystem References Circuit Schematic
GM2077875Courtesy of GENERAL MOTORS CORP.