LEMON Manuals: Even more car manuals for everyone
Home >> Chevrolet >> 2009 >> Traverse LS, AWD >> Repair and Diagnosis (Single Page) >> Engine Performance >> System >> Data Communication System >> Schematic and Routing Diagrams >> Data Communication Schematics

Data Communication Schematics

Fig 1: Low Speed GMLAN Circuit Schematic
GM2077827Courtesy of GENERAL MOTORS CORP.
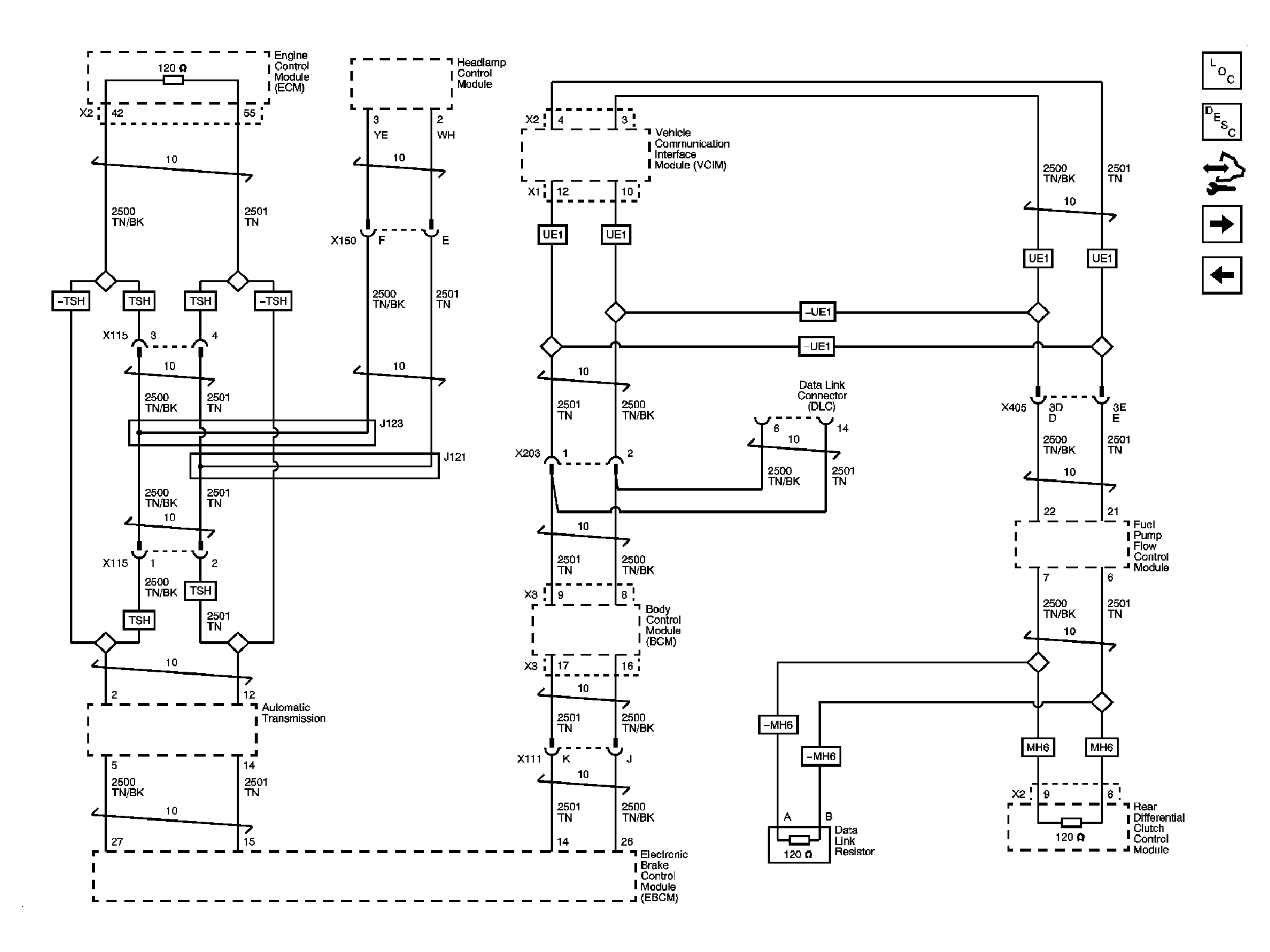
Fig 2: High Speed GMLAN Circuit Schematic
GM2077830Courtesy of GENERAL MOTORS CORP.
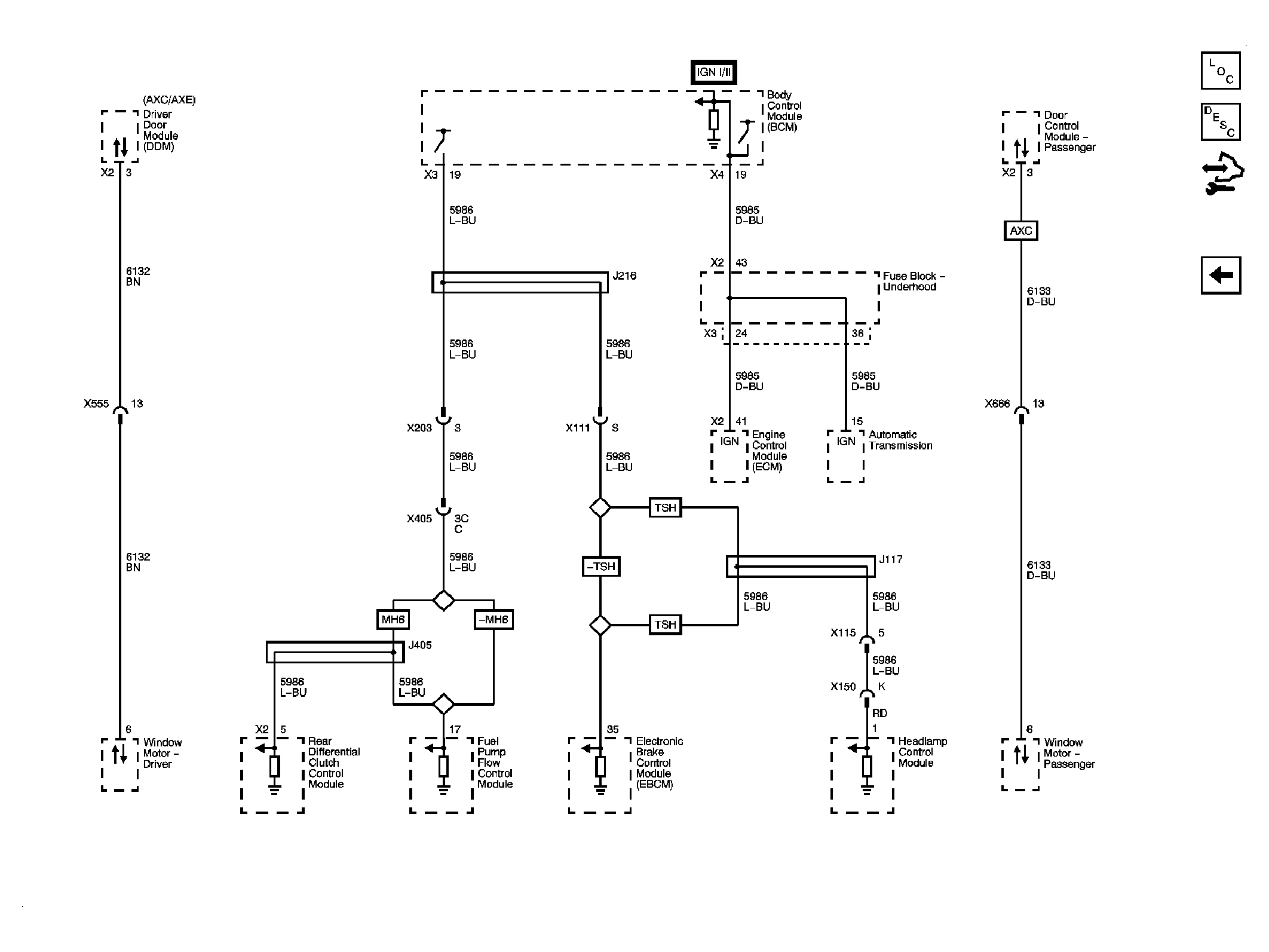
Fig 3: Communication Enable and Local Interconnect Network Circuit Schematic (LIN)
GM2077832Courtesy of GENERAL MOTORS CORP.