LEMON Manuals: Even more car manuals for everyone
Home >> Chevrolet >> 2009 >> Traverse LS, AWD >> Repair and Diagnosis (Single Page) >> Body & Frame >> Ignition Switch/Steering Lock >> Wiring Systems And Power Management - Introduction >> Schematic and Routing Diagrams >> Power Moding Schematics

Power Moding Schematics

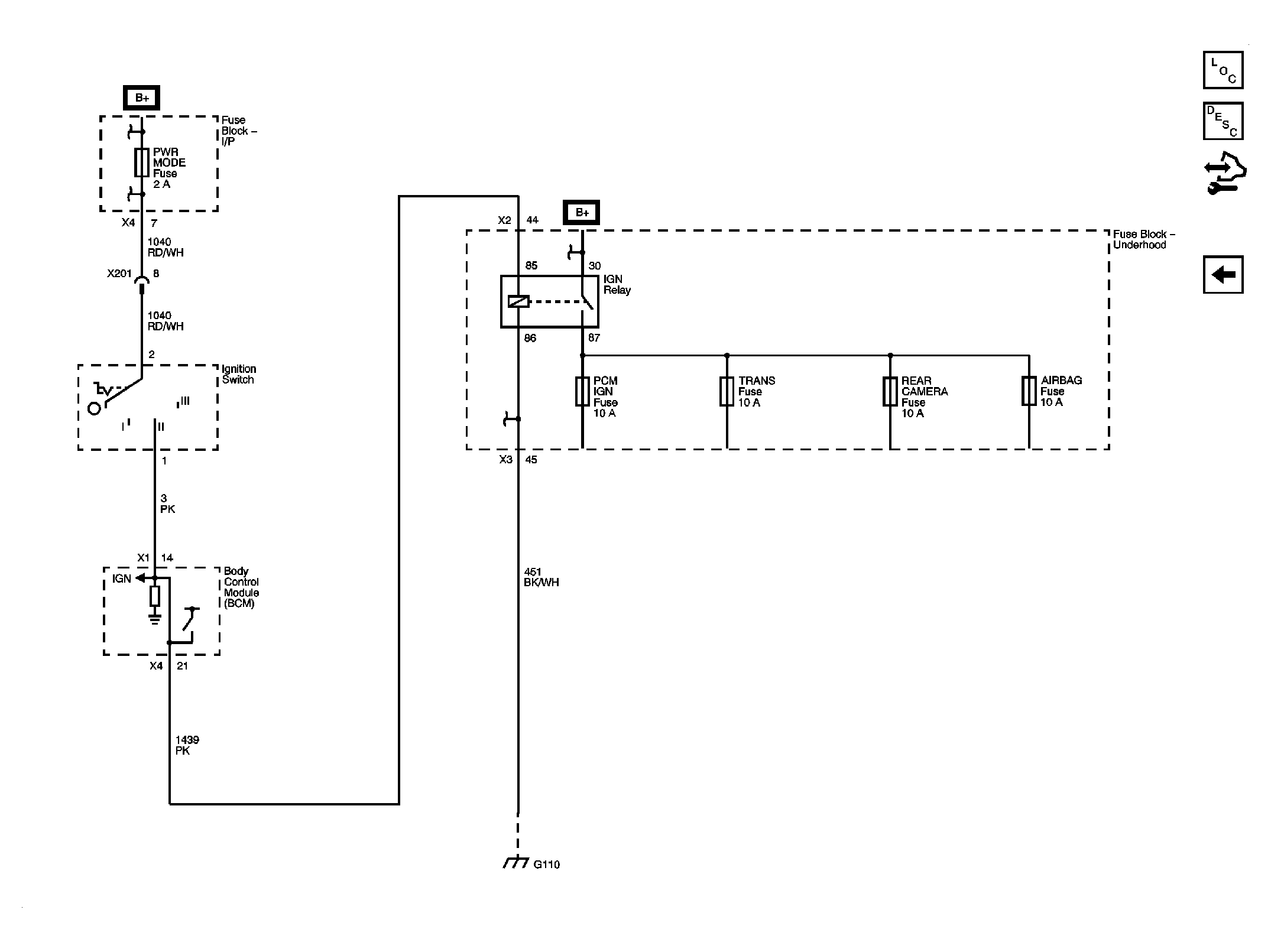
Fig 1: IGN I/II Circuit Schematic
GM2077726Courtesy of GENERAL MOTORS CORP.
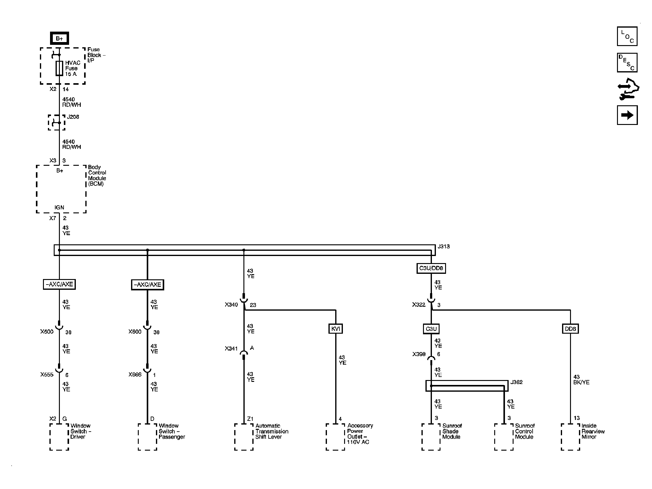
Fig 2: IGN II/III Circuit Schematic
GM2077727Courtesy of GENERAL MOTORS CORP.