LEMON Manuals: Even more car manuals for everyone
Home >> Chevrolet >> 2009 >> Traverse LS, AWD >> Repair and Diagnosis (Single Page) >> Accessories & Equipment >> Collision/Avoidance >> Object Detection System >> Schematic and Routing Diagrams >> Object Detection Schematics

Object Detection Schematics

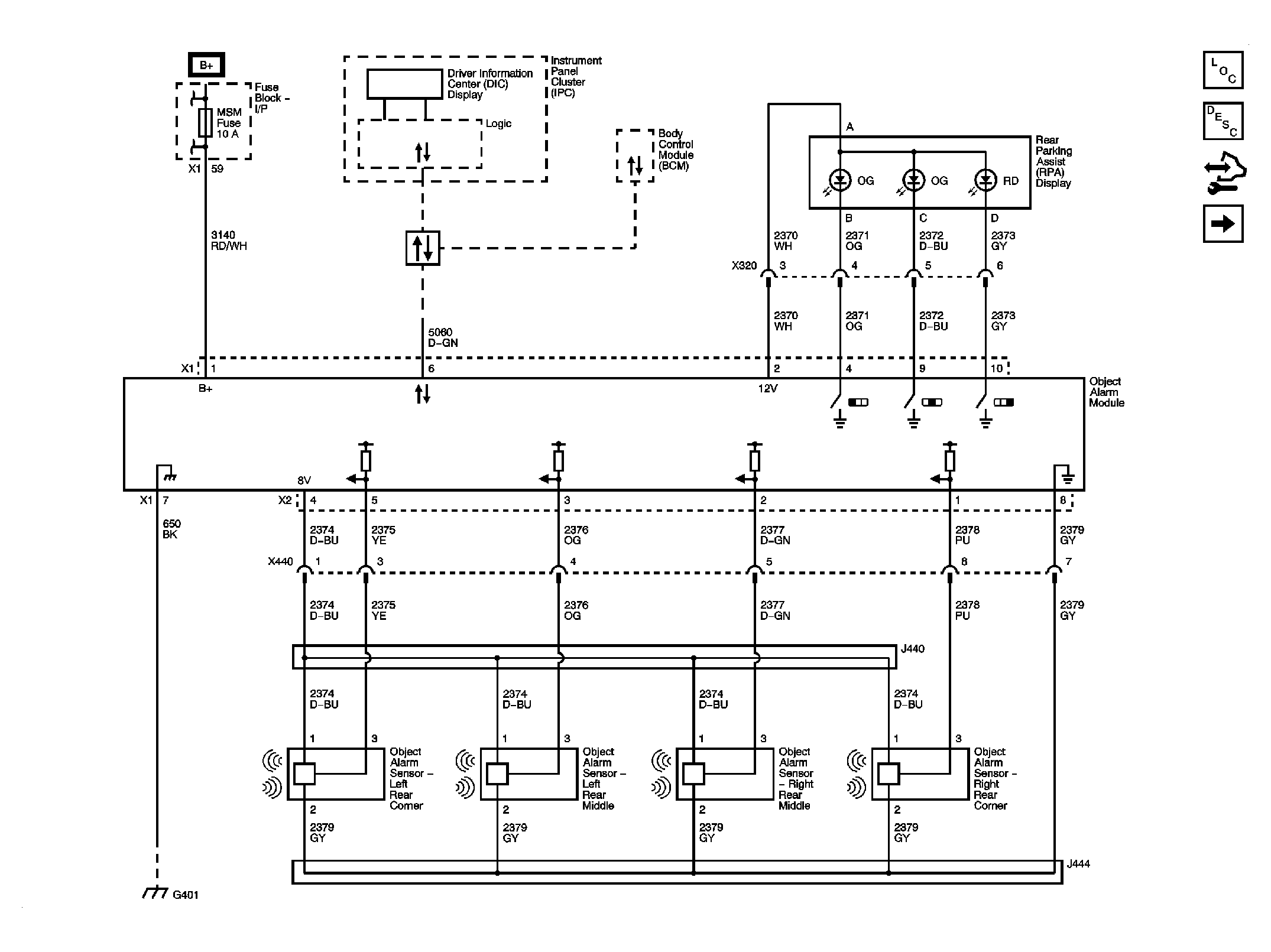
Fig 1: Rear Park Assist Circuit Schematic - UD7
GM2078156Courtesy of GENERAL MOTORS CORP.
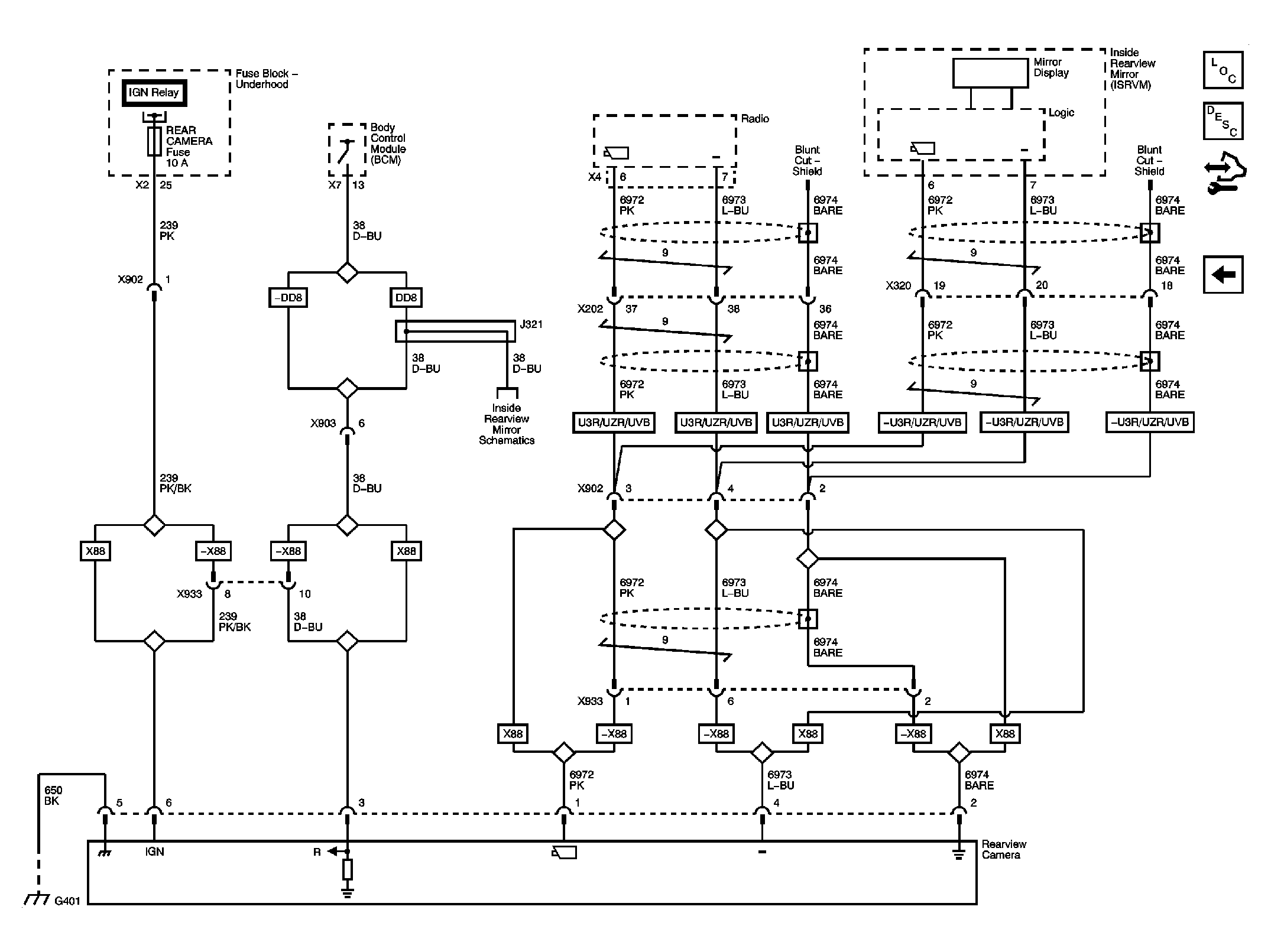
Fig 2: Rear Vision Camera Circuit Schematic - UVC
GM2078159Courtesy of GENERAL MOTORS CORP.