LEMON Manuals: Even more car manuals for everyone
Home >> Chevrolet >> 2009 >> Impala SS >> Repair and Diagnosis >> External Pages >> Different car >> Section 913 (Cellular System, Entertainment System, And Navigation System) >> Schematic and Routing Diagrams >> OnStar Schematics

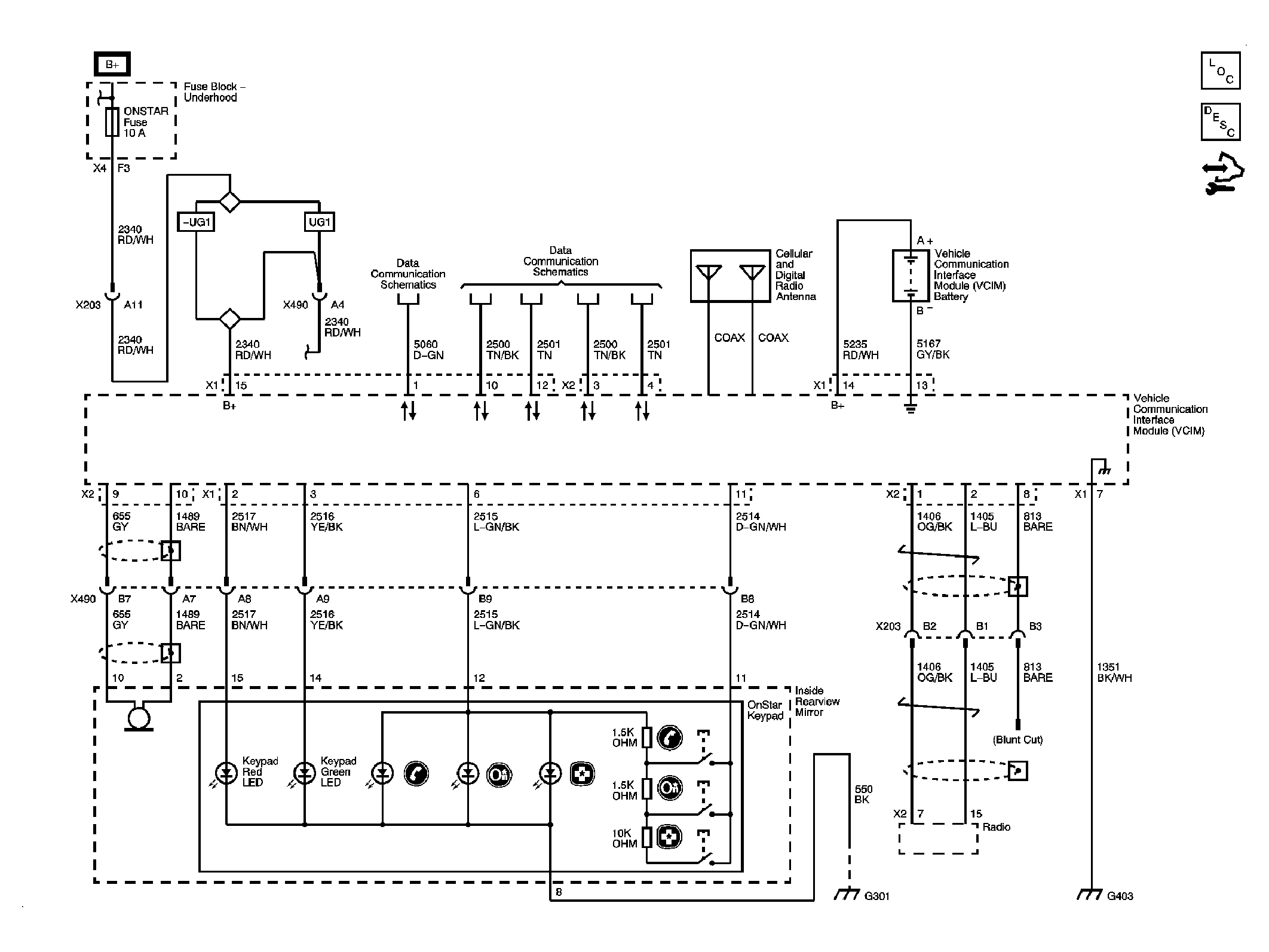
OnStar Schematics

WARNING: This page is about a different car, the 2008 Chevrolet Impala. However, it is still accessible from the selected car via links, so may be relevant.
Fig 1: OnStar Schematic
GM1888470Courtesy of GENERAL MOTORS CORP.