LEMON Manuals: Even more car manuals for everyone
Home >> Chevrolet >> 2009 >> Impala SS >> Repair and Diagnosis >> External Pages >> Different car >> Section 688 (Keyless Entry System And Remote Functions) >> Schematic and Routing Diagrams >> Remote Function Schematics

Remote Function Schematics

WARNING: This page is about a different car, the 2007 Buick Lucerne. However, it is still accessible from the selected car via links, so may be relevant.
Fig 1: Garage Door Opener
GM1795307Courtesy of GENERAL MOTORS CORP.
Fig 2: Remote Control Door Lock Receiver - RCDLR
GM1795314Courtesy of GENERAL MOTORS CORP.
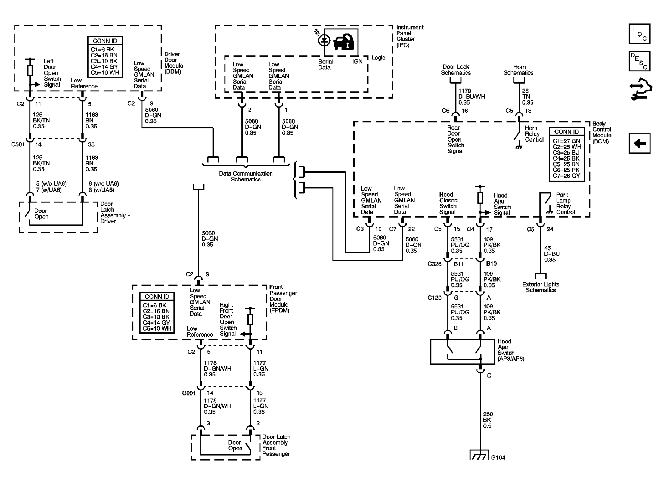
Fig 3: Door Latch Assemblies and Hood Ajar Switch
GM1795324Courtesy of GENERAL MOTORS CORP.