LEMON Manuals: Even more car manuals for everyone
Home >> Chevrolet >> 2009 >> Impala SS >> Repair and Diagnosis >> External Pages >> Different car >> Section 1039 (Suspension Control System - Automatic Level Control) >> Schematic and Routing Diagrams >> Automatic Level Control Schematics

Automatic Level Control Schematics

WARNING: This page is about a different car, the 2008 Buick Lucerne. However, it is still accessible from the selected car via links, so may be relevant.
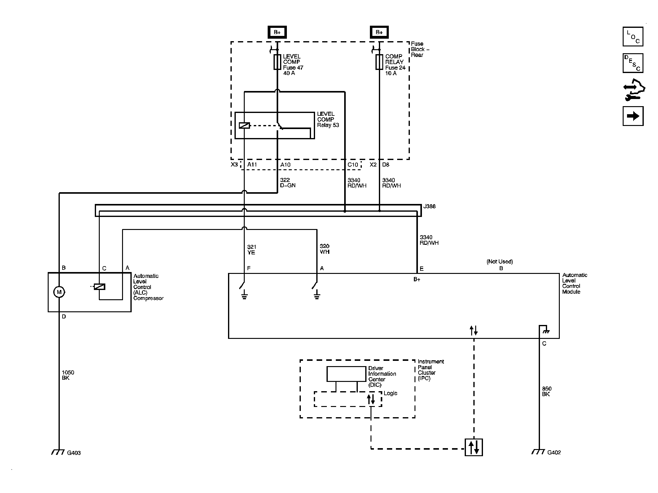
Fig 1: FE1, FE3, F41
GM1886358Courtesy of GENERAL MOTORS CORP.
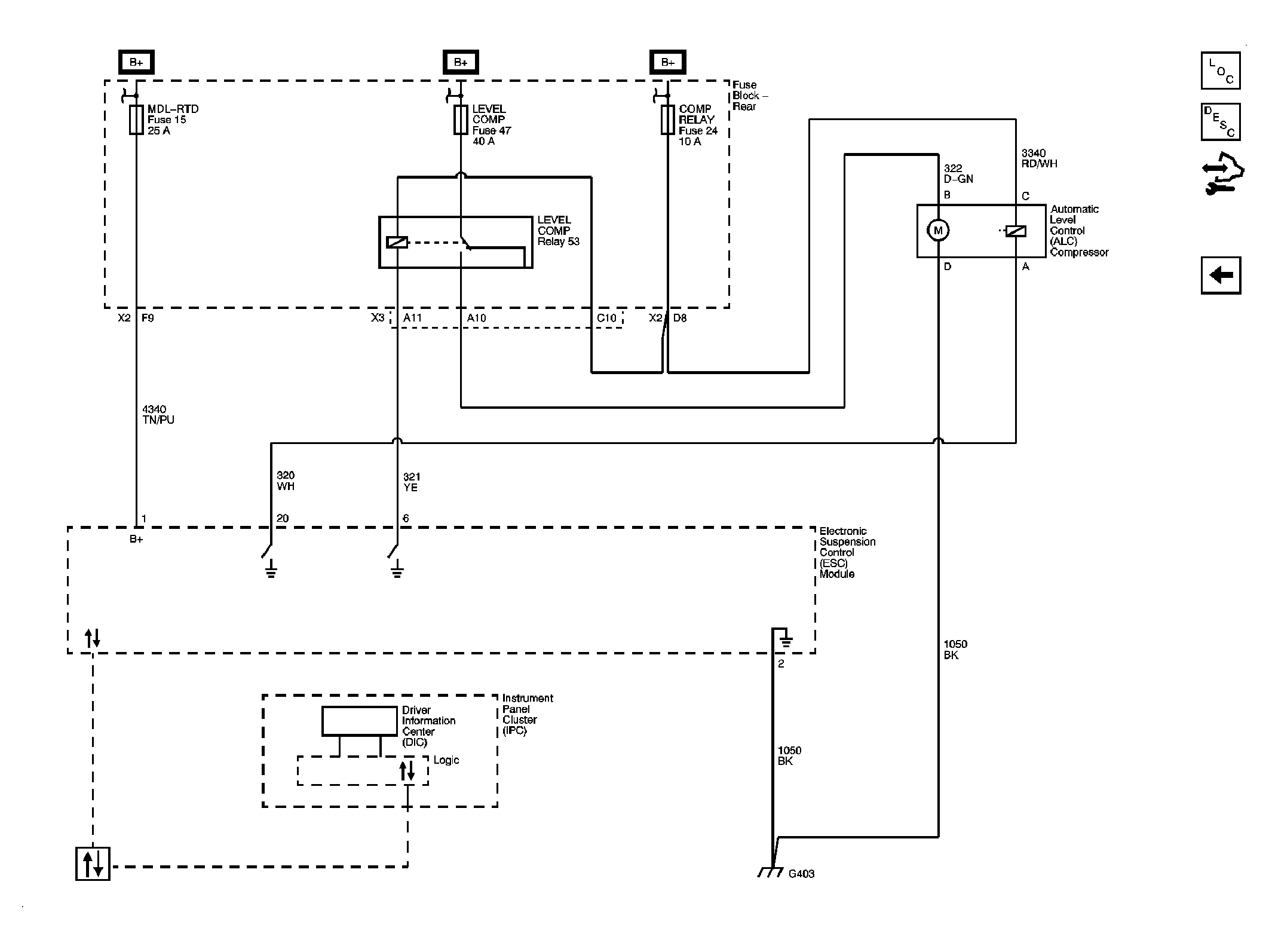
Fig 2: F55
GM1886363Courtesy of GENERAL MOTORS CORP.