LEMON Manuals: Even more car manuals for everyone
Home >> Chevrolet >> 2009 >> Impala SS >> Repair and Diagnosis >> Engine Performance >> System >> Engine Controls And Fuel - 5.3L - Introduction >> Schematic and Routing Diagrams >> Engine Controls Schematics

Engine Controls Schematics

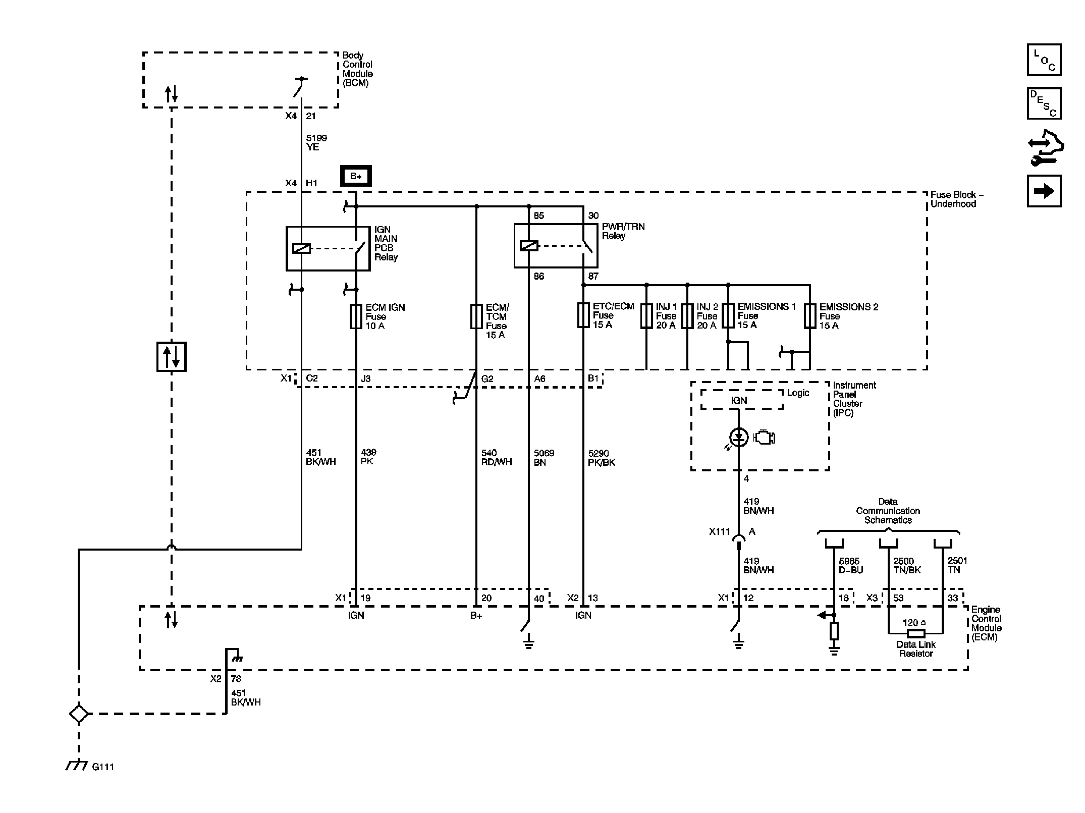
Fig 1: ECM Power, Ground, MIL, and Serial Data Schematic
GM2080189Courtesy of GENERAL MOTORS CORP.
Fig 2: 5-Volt and Low Reference Bussing Schematic
GM2080197Courtesy of GENERAL MOTORS CORP.
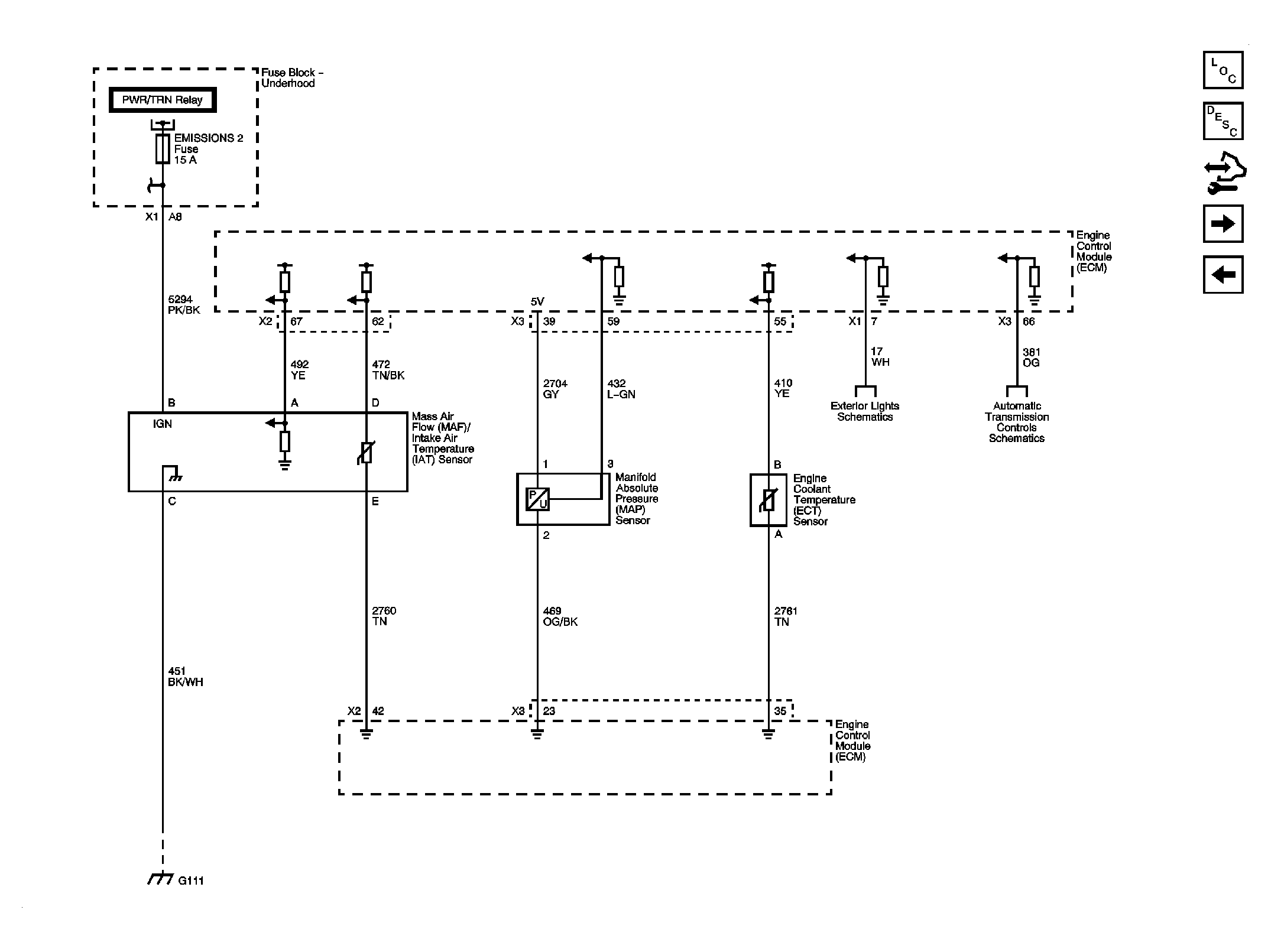
Fig 3: MAP, ECT, and MAF/IAT Sensors Schematic
GM2080206Courtesy of GENERAL MOTORS CORP.
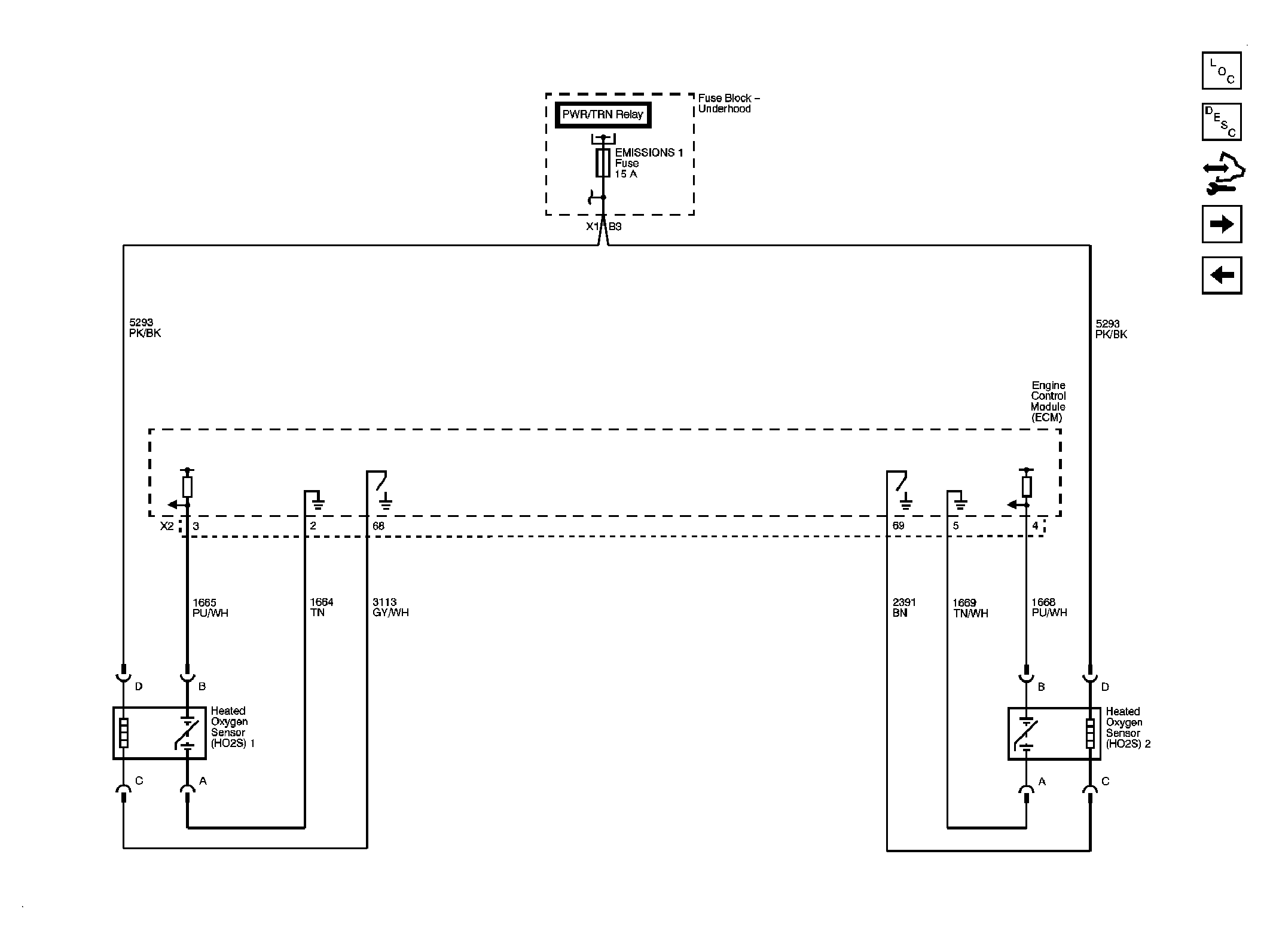
Fig 4: Heated Oxygen Sensors Schematic
GM2080212Courtesy of GENERAL MOTORS CORP.
Fig 5: Electronic Throttle Controls Schematic
GM2080218Courtesy of GENERAL MOTORS CORP.
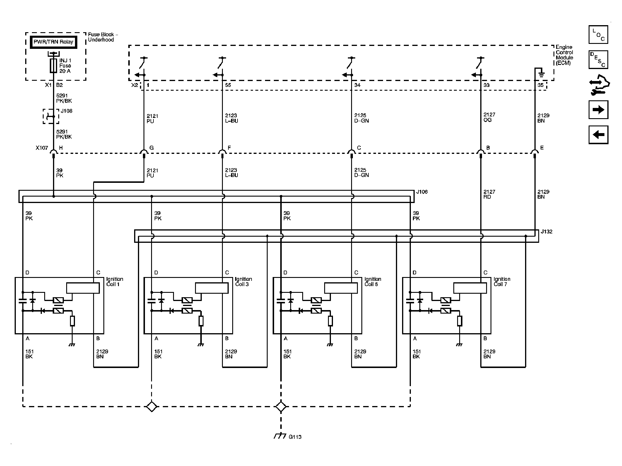
Fig 6: Ignition Controls Bank 1 (Odd) Ignition Coils Schematic
GM2080225Courtesy of GENERAL MOTORS CORP.
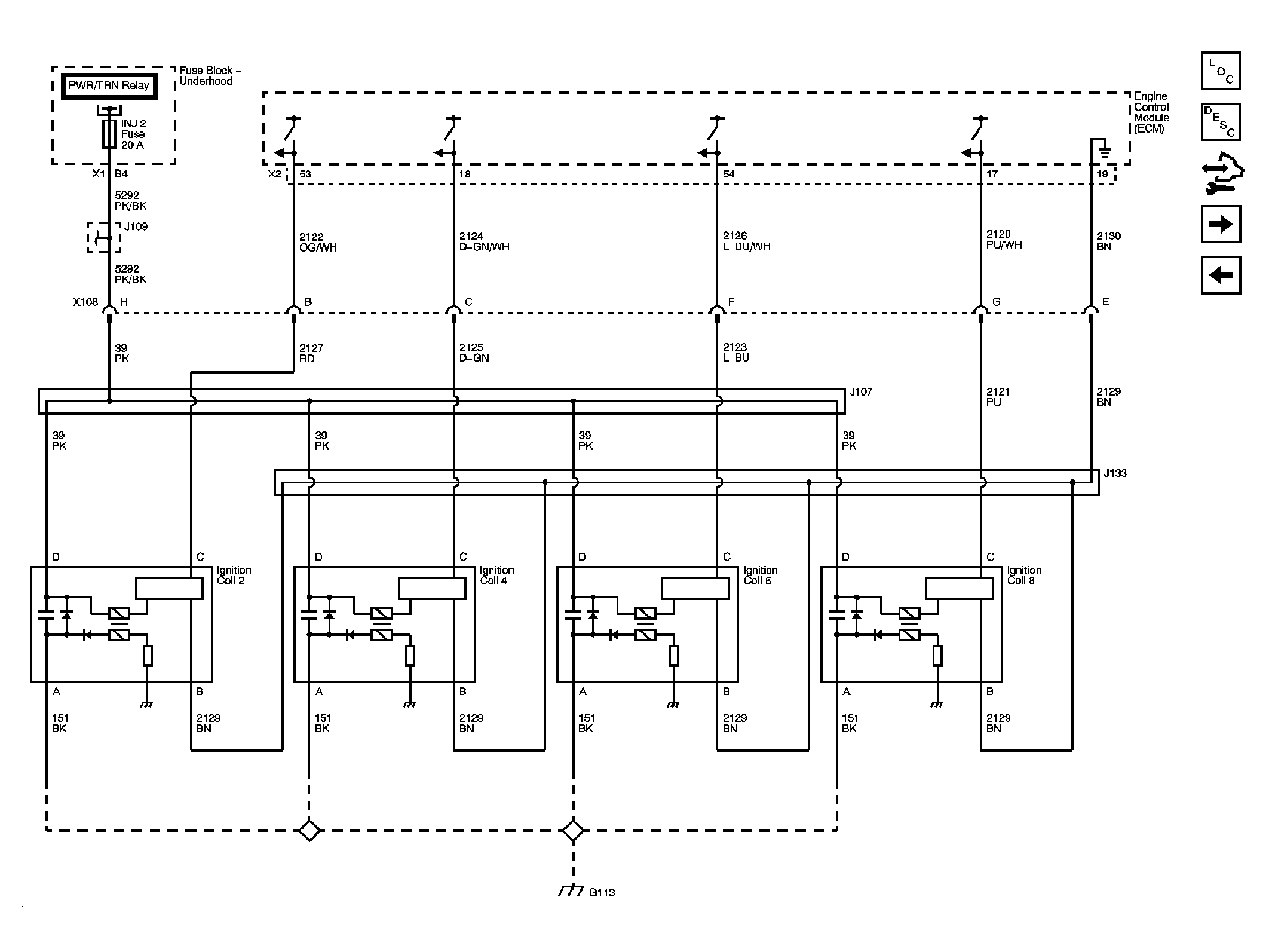
Fig 7: Ignition Controls Bank 2 (Even) Ignition Coils Schematic
GM2080233Courtesy of GENERAL MOTORS CORP.
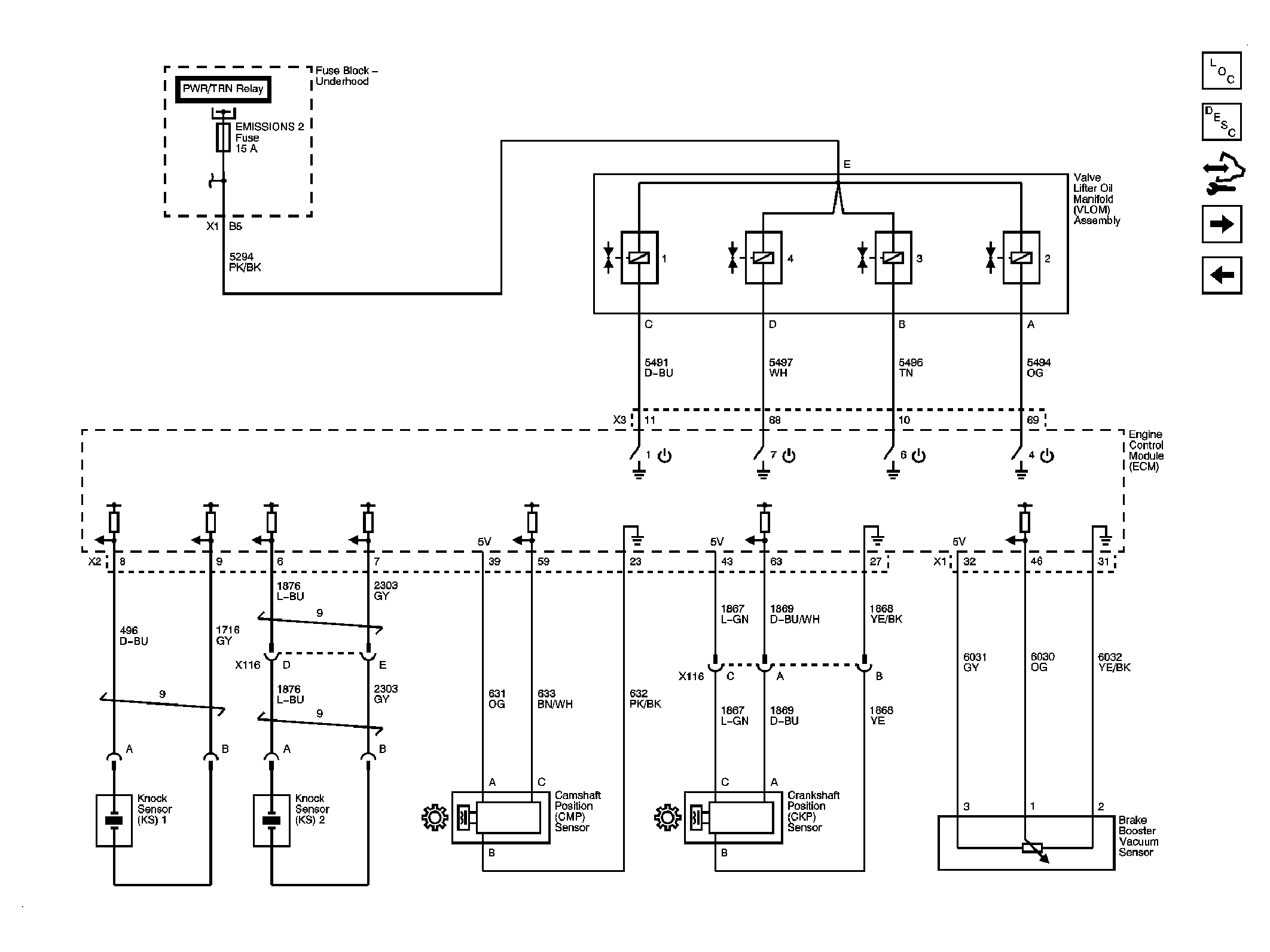
Fig 8: Ignition Controls, Knock, CMP, CKP, Brake Booster Vacuum Sensor, and Valve Lifter Oil Manifold (VLOM) Assembly Schematic
GM2080240Courtesy of GENERAL MOTORS CORP.
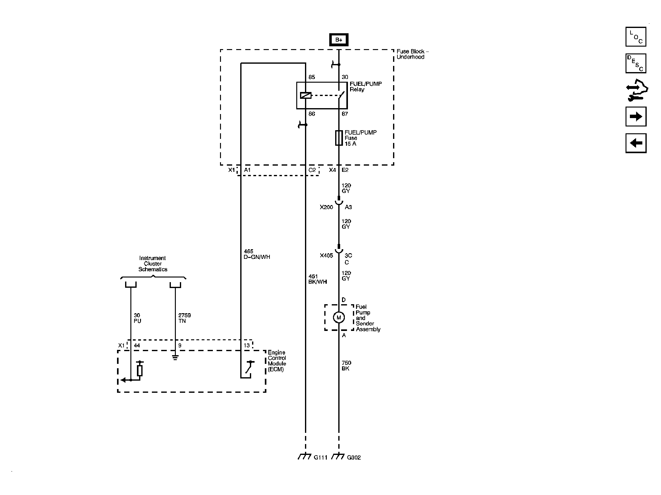
Fig 9: Fuel Pump Controls Schematic
GM2080257Courtesy of GENERAL MOTORS CORP.
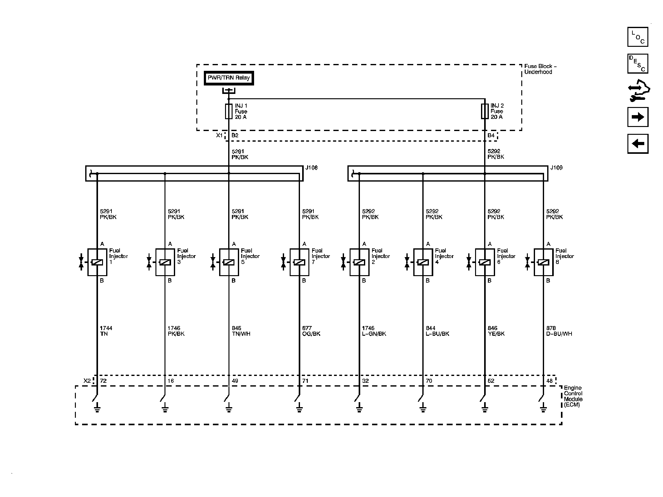
Fig 10: Fuel Injectors Schematic
GM2080260Courtesy of GENERAL MOTORS CORP.
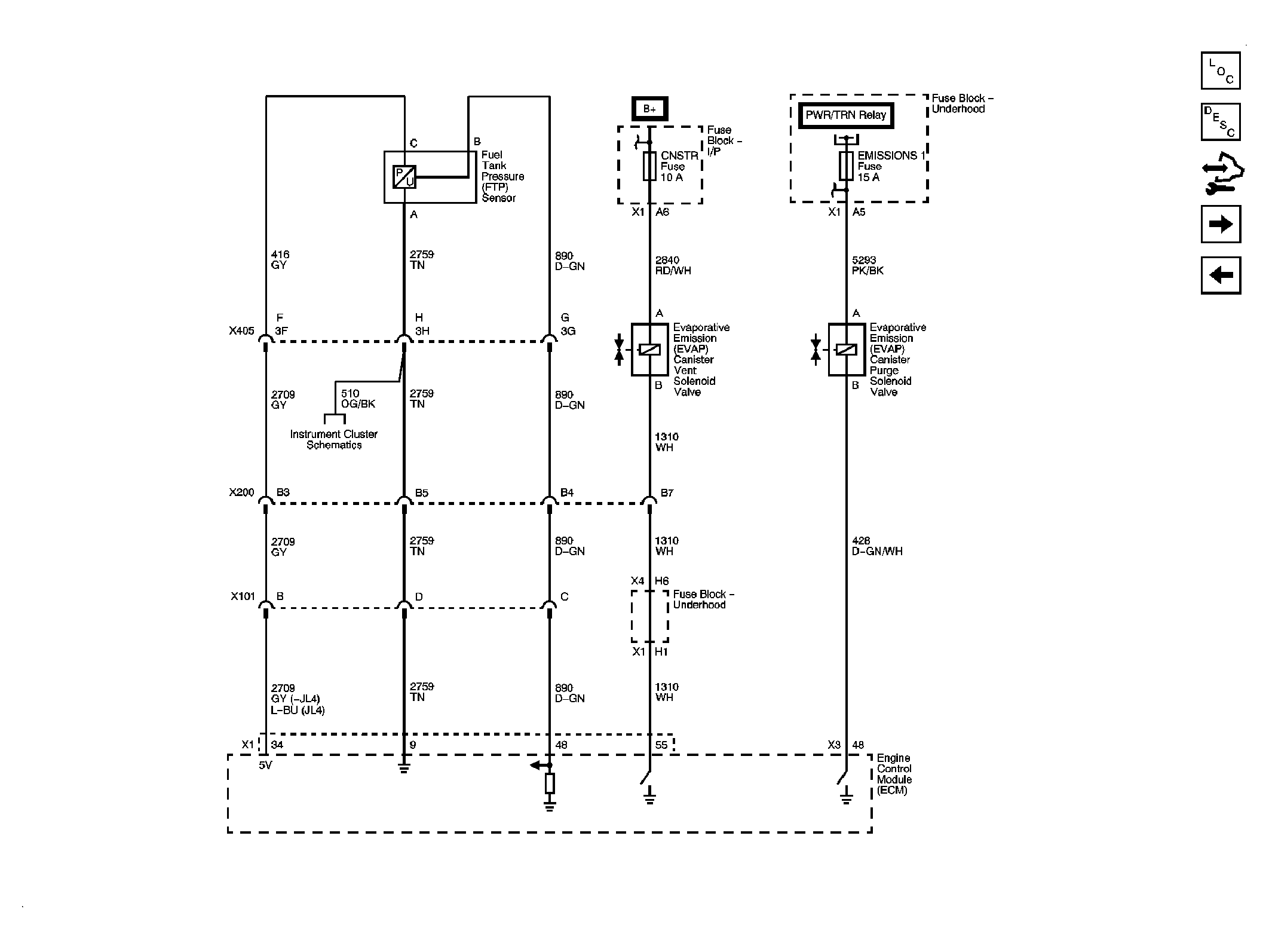
Fig 11: EVAP Solenoids, and FTP Sensor Schematic
GM2080262Courtesy of GENERAL MOTORS CORP.
Fig 12: Controlled/Monitored Subsystem References Schematic
GM2080264Courtesy of GENERAL MOTORS CORP.