LEMON Manuals: Even more car manuals for everyone
Home >> Chevrolet >> 2009 >> HHR SS, Standard >> Repair and Diagnosis >> Accessories & Equipment >> Memory Modules >> Configurable Customer Control System >> Schematic and Routing Diagrams >> Steering Wheel Secondary/Configurable Control Schematics

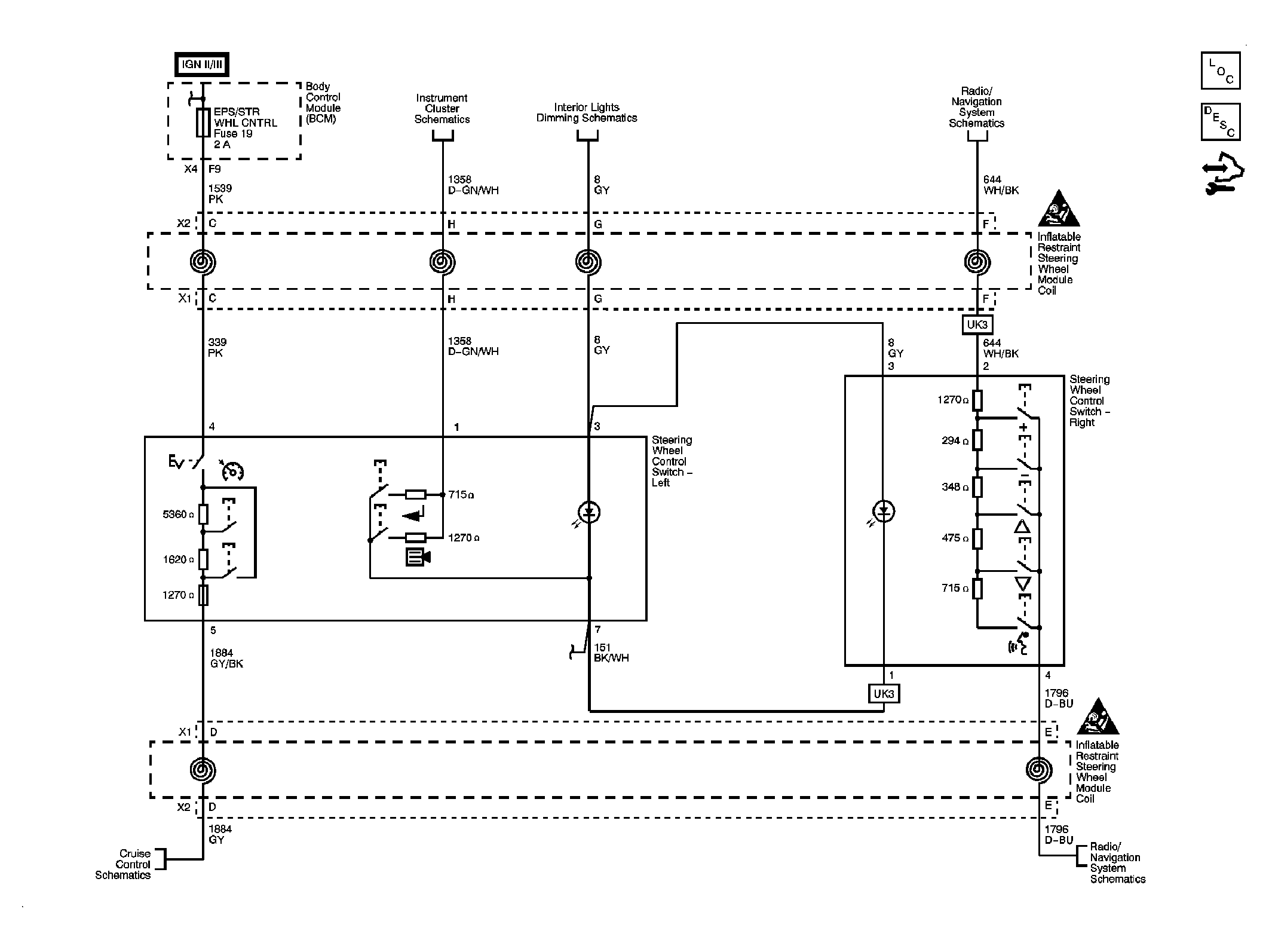
Steering Wheel Secondary/Configurable Control Schematics

Fig 1: Steering Wheel Secondary/Configurable Control Circuit Schematic
GM2085353Courtesy of GENERAL MOTORS CORP.