LEMON Manuals: Even more car manuals for everyone
Home >> Chevrolet >> 2009 >> HHR SS, Standard >> Repair and Diagnosis >> Accessories & Equipment >> Infotainment >> Cellular System, Entertainment System & Navigation System >> Schematic and Routing Diagrams >> Radio/Navigation System Schematics

Radio/Navigation System Schematics

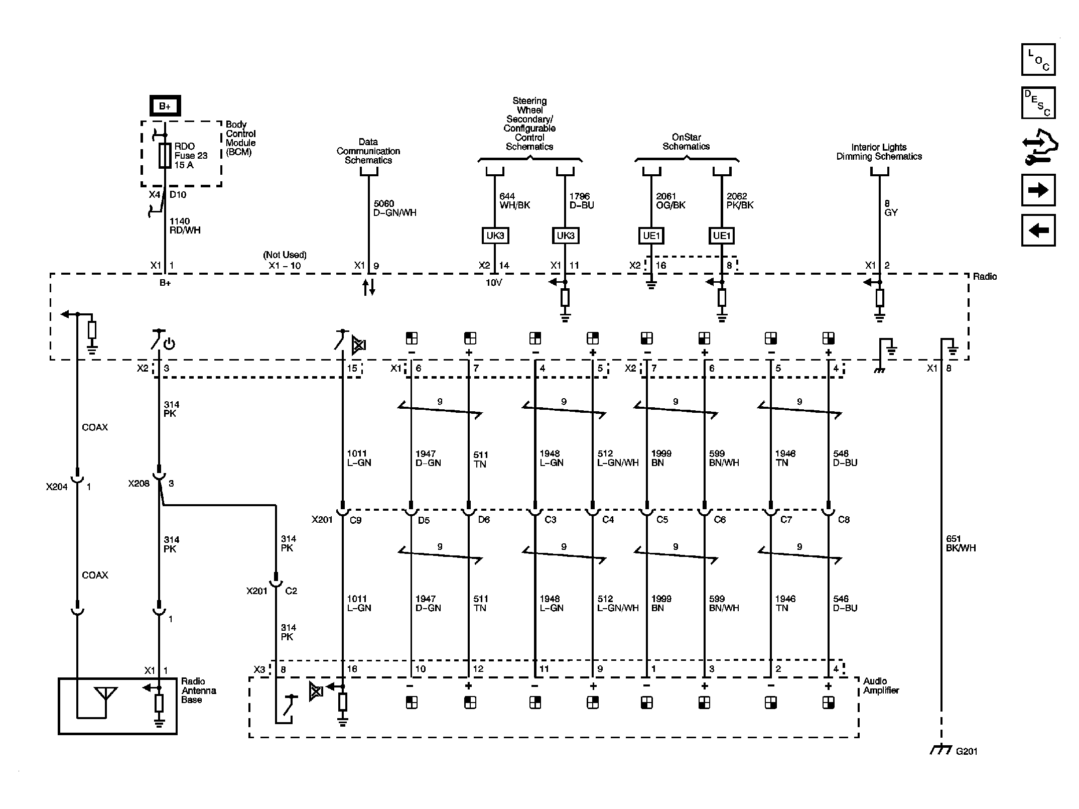
Fig 1: Radio w/UW5 Circuit Schematic
GM2085341Courtesy of GENERAL MOTORS CORP.
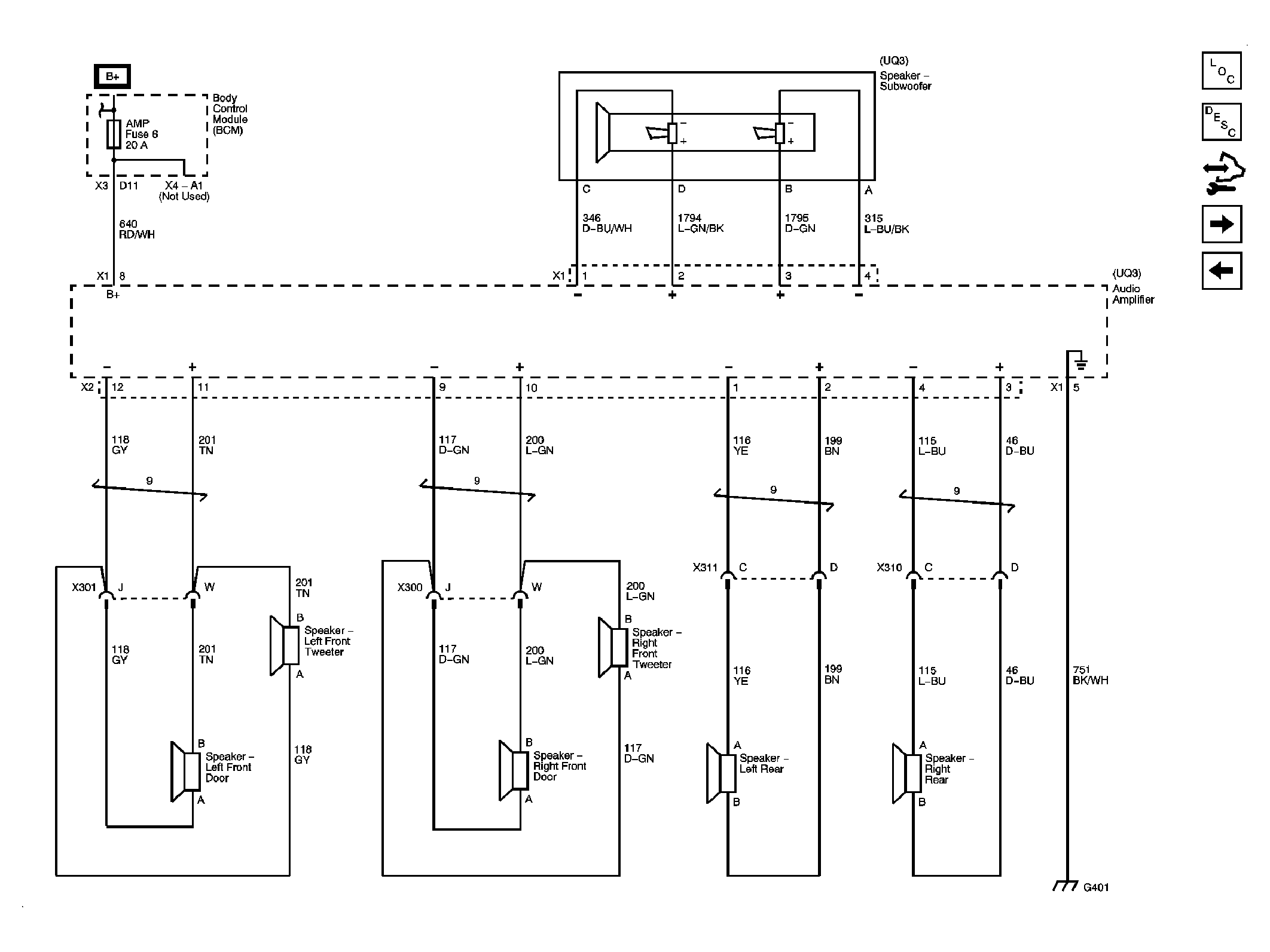
Fig 2: Radio w/UQ3 Circuit Schematic - 1 Of 2
GM2085342Courtesy of GENERAL MOTORS CORP.
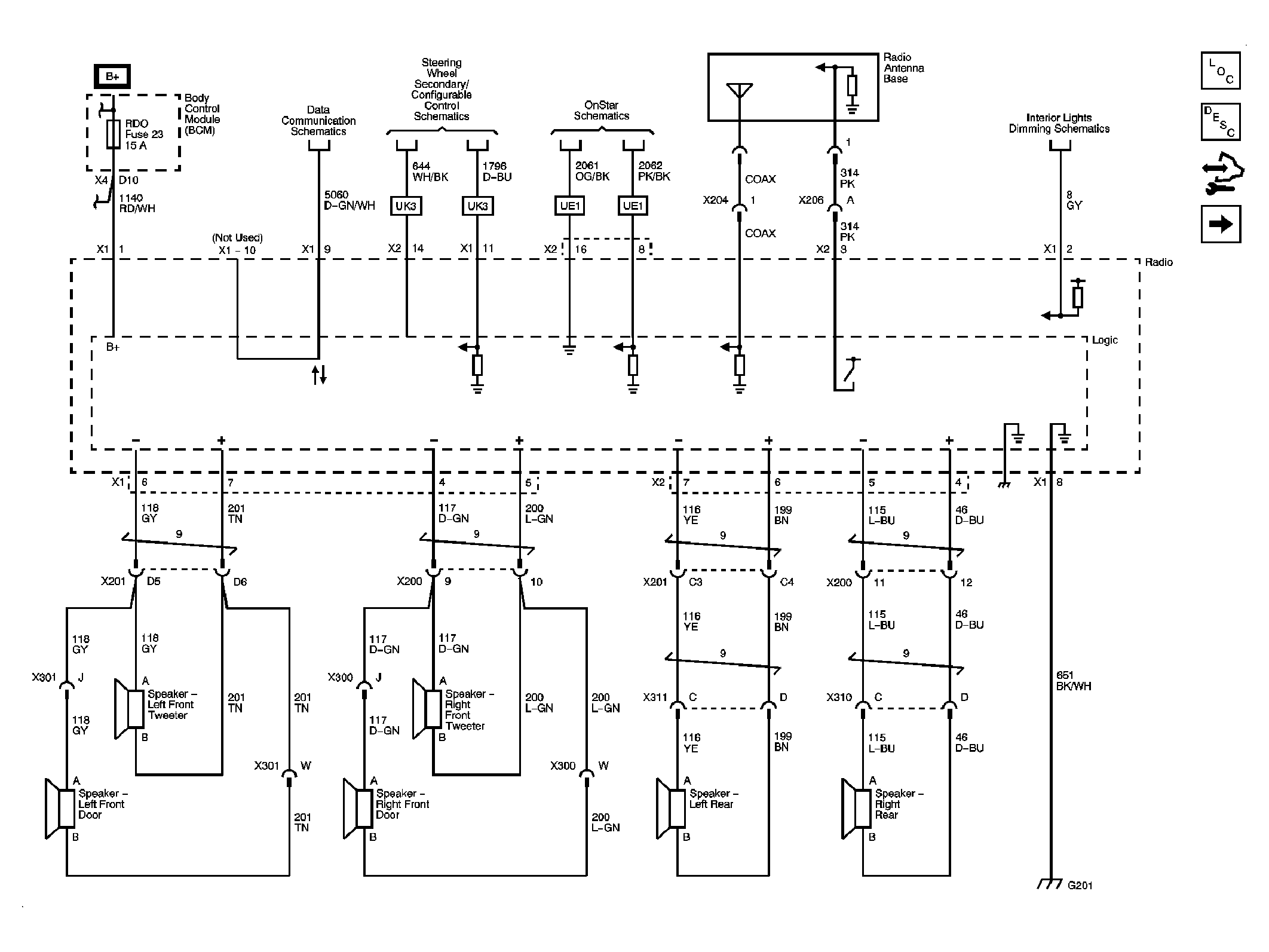
Fig 3: Radio w/UQ3 Circuit Schematic - 2 Of 2
GM2085345Courtesy of GENERAL MOTORS CORP.
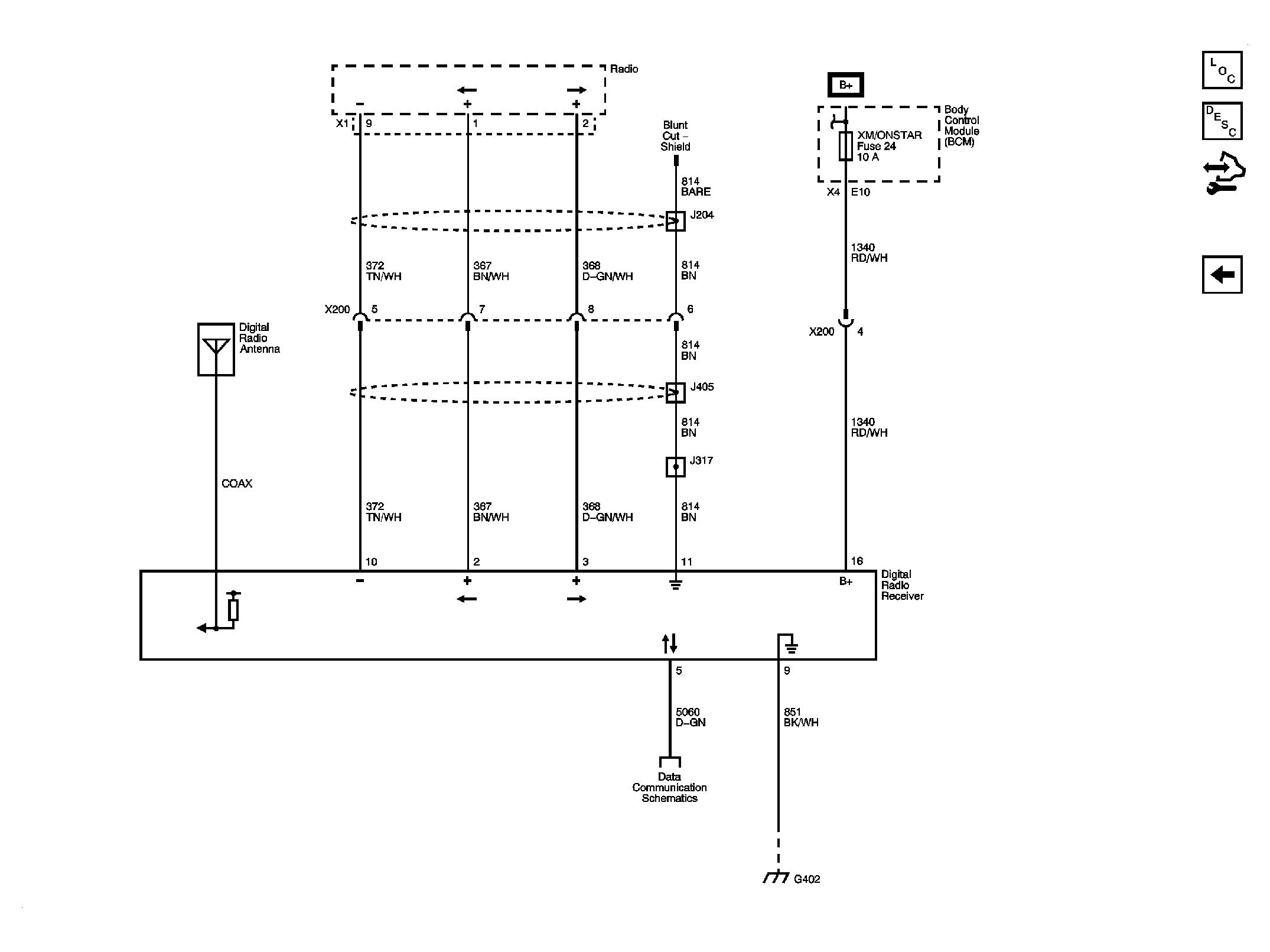
Fig 4: Digital Radio Receiver Circuit Schematic (U2K)
GM2085346Courtesy of GENERAL MOTORS CORP.