LEMON Manuals: Even more car manuals for everyone
Home >> Chevrolet >> 2009 >> HHR SS, Automatic >> Repair and Diagnosis >> External Pages >> Different car >> Section 667 (Object Detection System - Park Assist System) >> Schematic Wiring Diagrams >> Object Detection Wiring Schematics >> Rearview Camera (UVC) Wiring Schematics

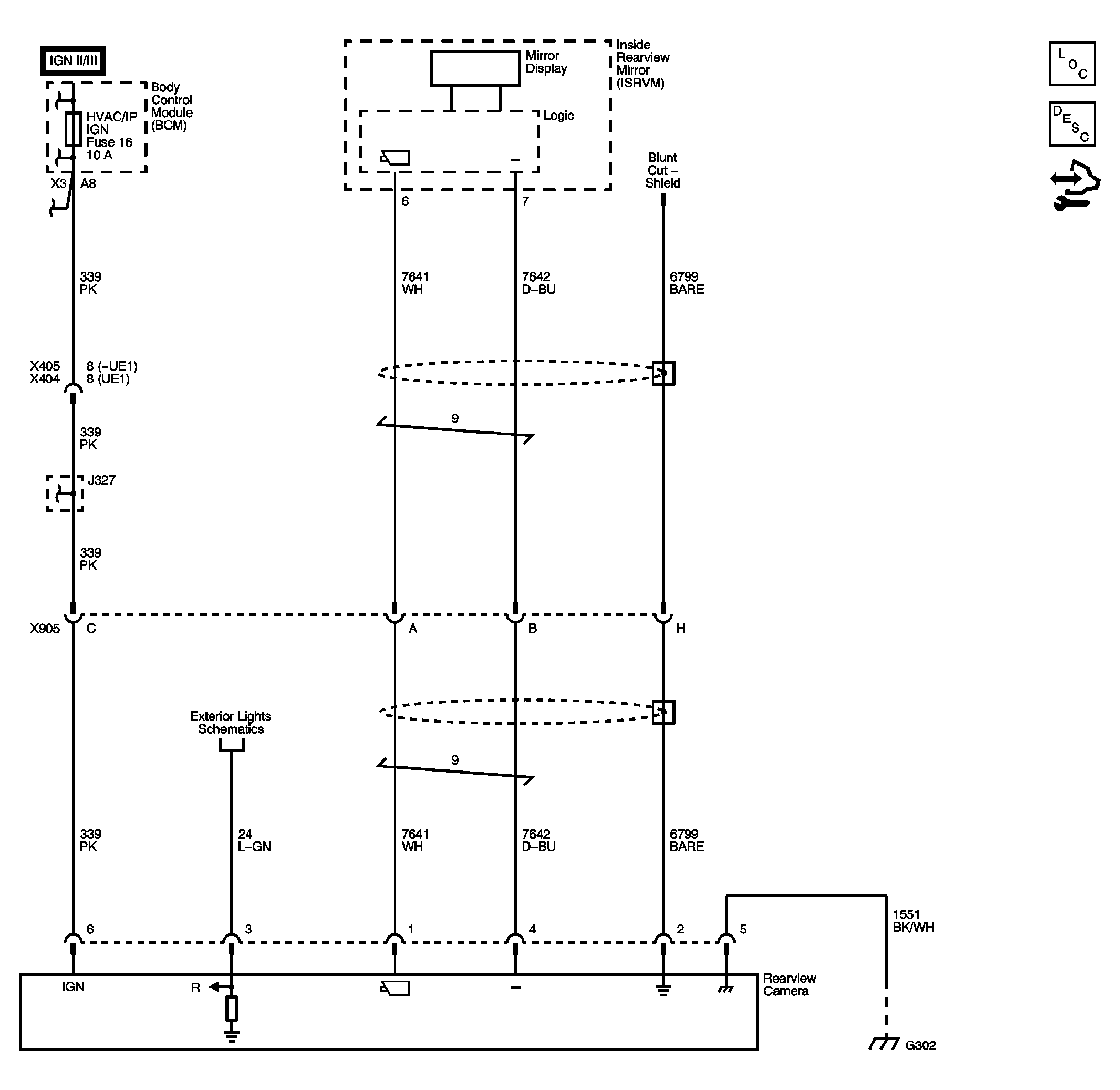
Rearview Camera (UVC) Wiring Schematics

WARNING: This page is about a different car, the 2011 Chevrolet HHR. However, it is still accessible from the selected car via links, so may be relevant.
Fig 1: Rearview Camera (UVC) Wiring Schematics
GM2377088Courtesy of GENERAL MOTORS COMPANY