LEMON Manuals: Even more car manuals for everyone
Home >> Chevrolet >> 2009 >> HHR SS, Automatic >> Repair and Diagnosis >> External Pages >> Different car >> Section 505 (Cellular System, Entertainment System, And Navigation System) >> Wiring Schematics >> Video System Wiring Schematics

Video System Wiring Schematics

WARNING: This page is about a different car, the 2011 GMC Canyon and 2011 Chevrolet Colorado. However, it is still accessible from the selected car via links, so may be relevant.
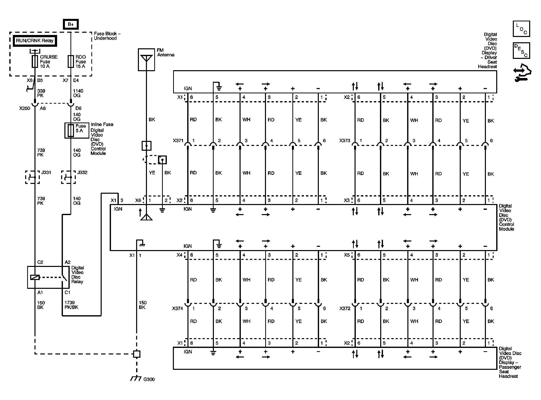
Fig 1: Headrest DVD (SPO Accessory) Wiring Schematic
GM2396246Courtesy of GENERAL MOTORS CORP.