LEMON Manuals: Even more car manuals for everyone
Home >> Chevrolet >> 2009 >> HHR SS, Automatic >> Repair and Diagnosis >> External Pages >> Different car >> Section 273 (Antilock Brake System With Traction Control System & Stability Control System) >> Schematic and Routing Diagrams >> Antilock Brake System Schematics

Antilock Brake System Schematics

WARNING: This page is about a different car, the 2010 Chevrolet HHR. However, it is still accessible from the selected car via links, so may be relevant.
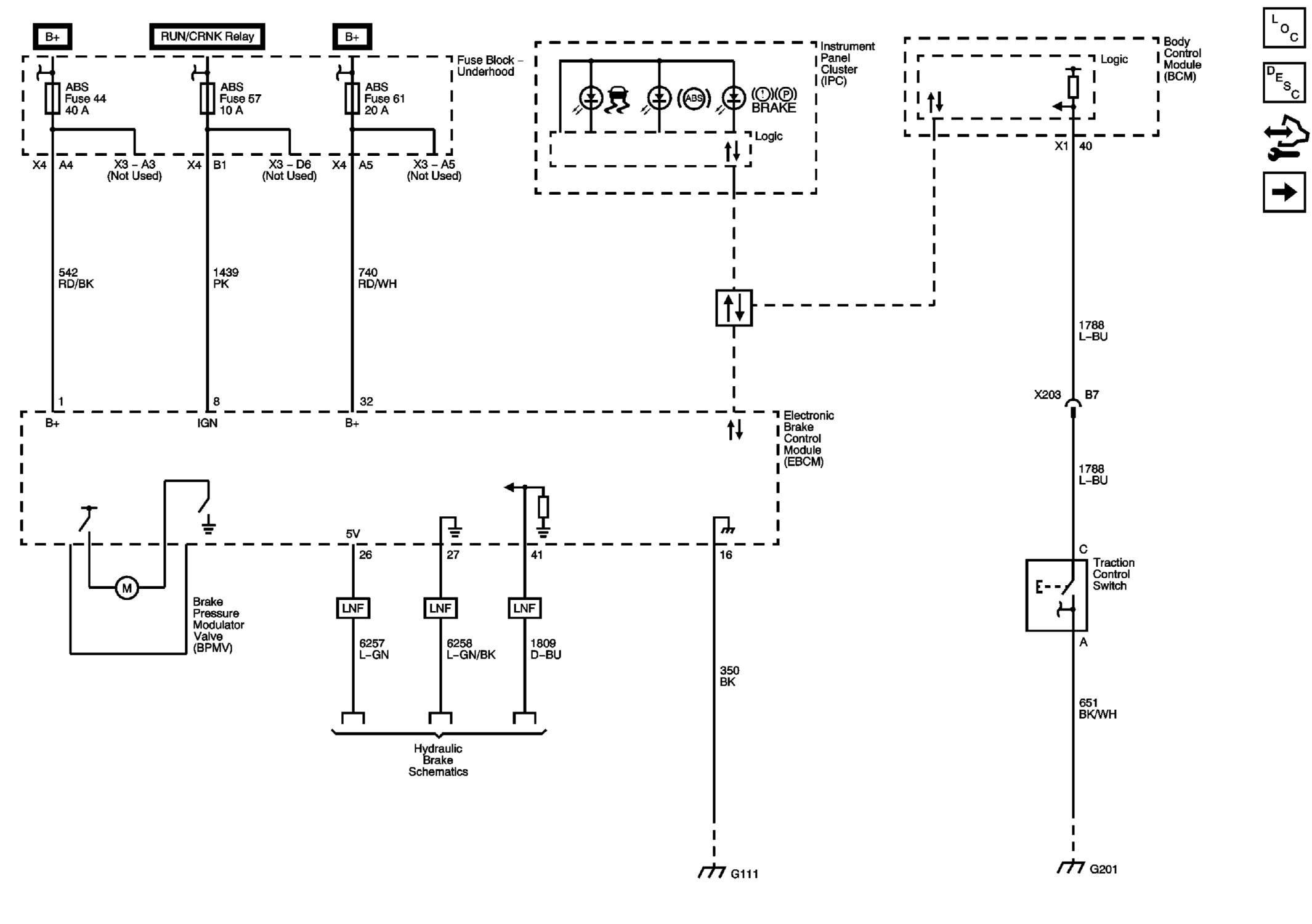
Fig 1: Power, Ground, Serial Data and Traction Control
GM2247512Courtesy of GENERAL MOTORS CORP.
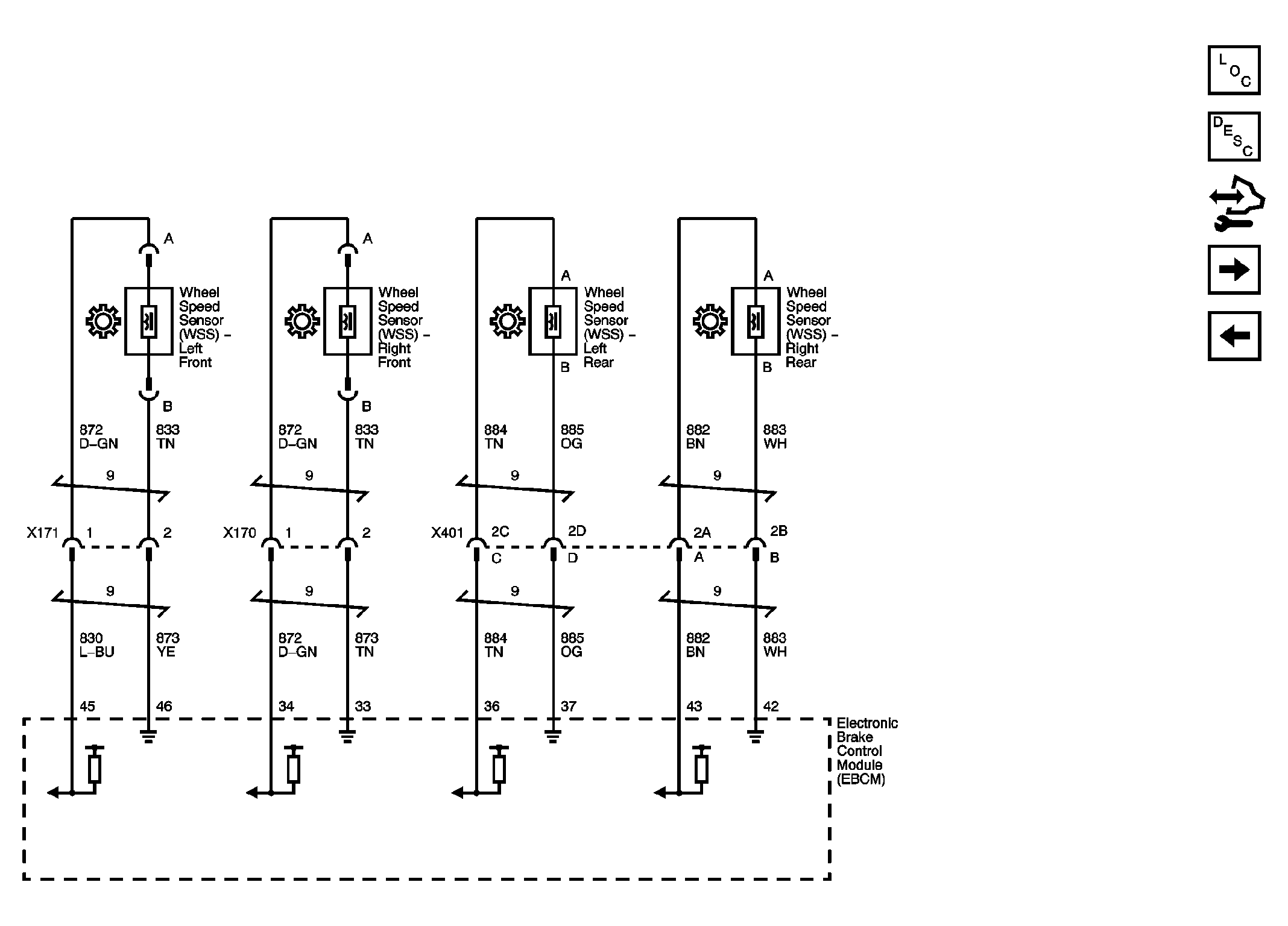
Fig 2: Wheel Speed Signals
GM2247514Courtesy of GENERAL MOTORS CORP.
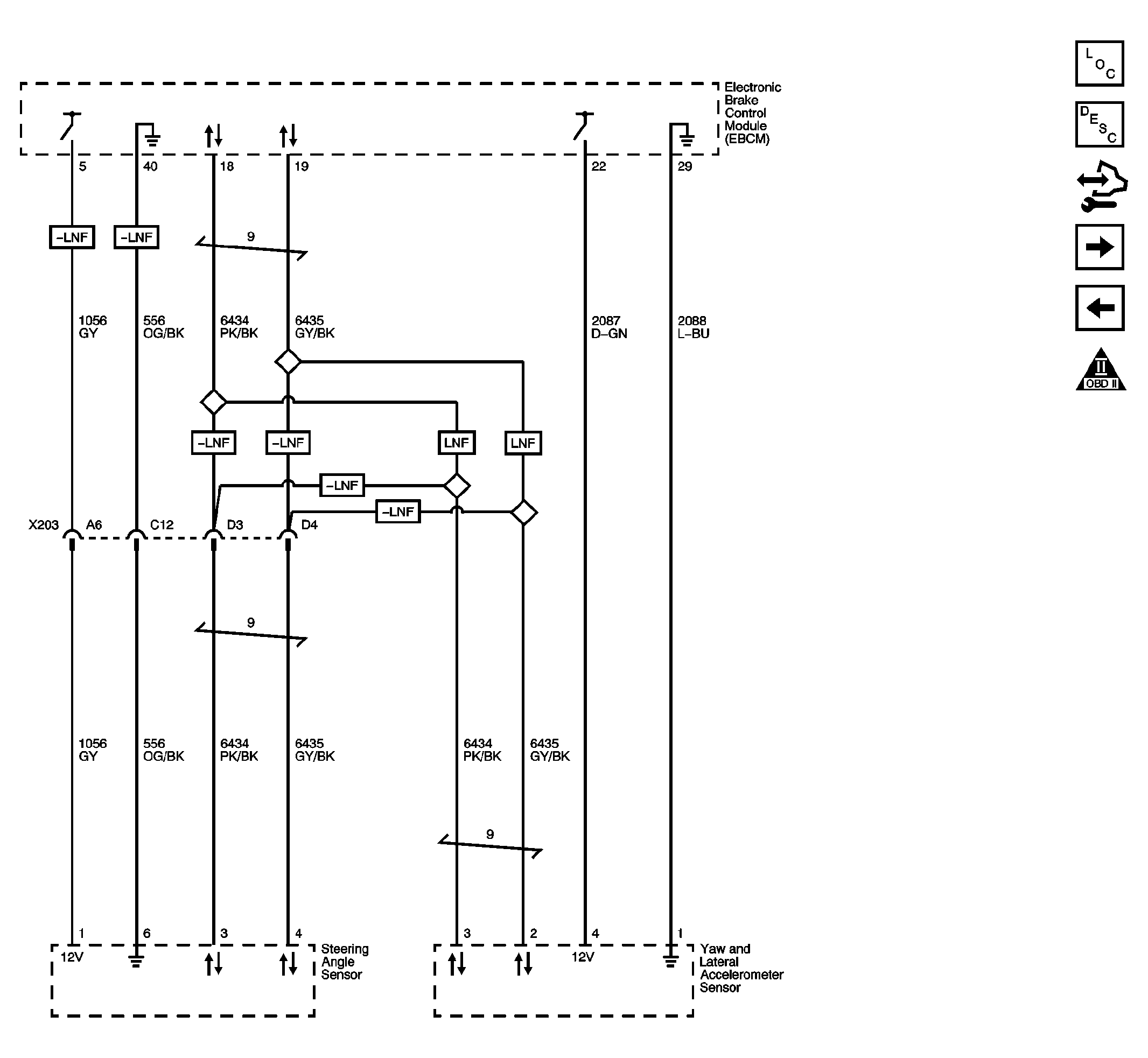
Fig 3: Vehicle Stability Control
GM2247516Courtesy of GENERAL MOTORS CORP.