LEMON Manuals: Even more car manuals for everyone
Home >> Chevrolet >> 2009 >> HHR SS, Automatic >> Repair and Diagnosis >> External Pages >> Different car >> Section 120 (Anti-Lock Brake System, Traction Control System & Stability Control System) >> Schematic and Routing Diagrams >> Antilock Brake System Schematics

Antilock Brake System Schematics

WARNING: This page is about a different car, the 2008 Chevrolet HHR. However, it is still accessible from the selected car via links, so may be relevant.
Fig 1: Power, Ground And WSS - Schematic
GM1887483Courtesy of GENERAL MOTORS CORP.
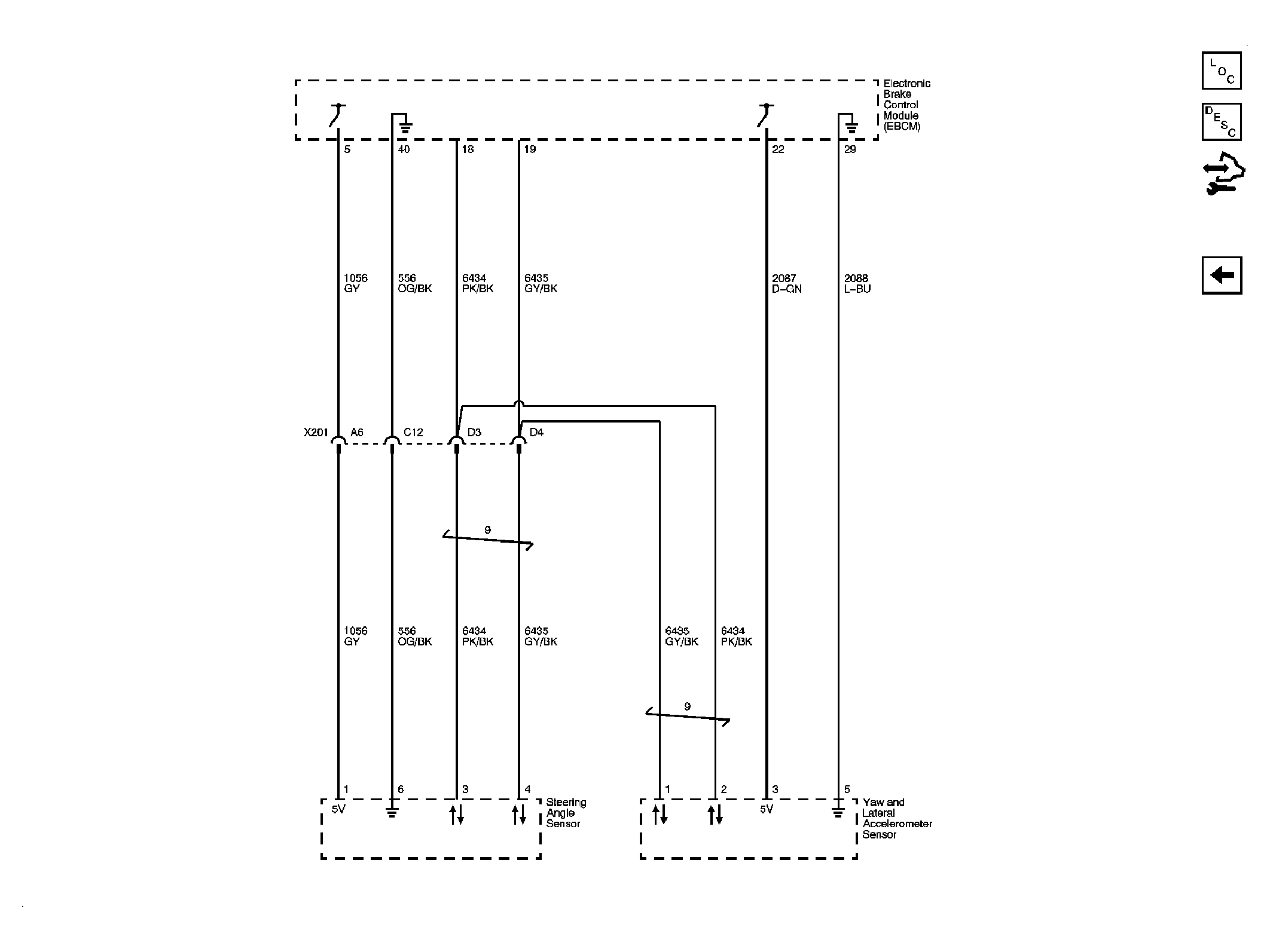
Fig 2: Stability Control (JL4) - Schematic
GM1887485Courtesy of GENERAL MOTORS CORP.