LEMON Manuals: Even more car manuals for everyone
Home >> Chevrolet >> 2009 >> Corvette Z06 >> Repair and Diagnosis >> Engine Performance >> System >> Data Communication System >> Schematic and Routing Diagrams >> Data Communication Schematics

Data Communication Schematics

Fig 1: Power, Ground & Class 2 Circuit Schematic
GM2053259Courtesy of GENERAL MOTORS CORP.
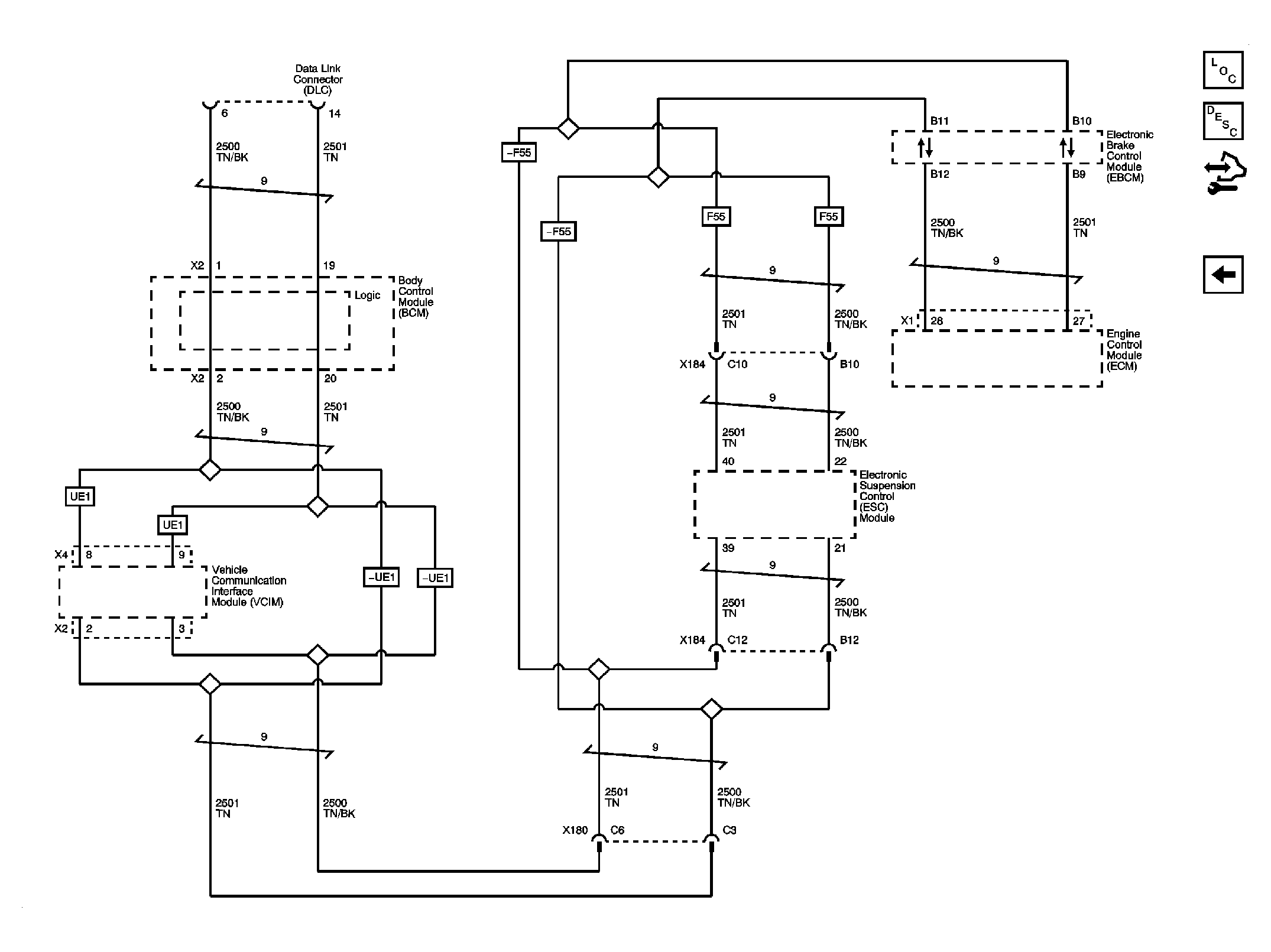
Fig 2: High Speed GMLAN Circuit Schematic - Automatic Transmission
GM2053263Courtesy of GENERAL MOTORS CORP.
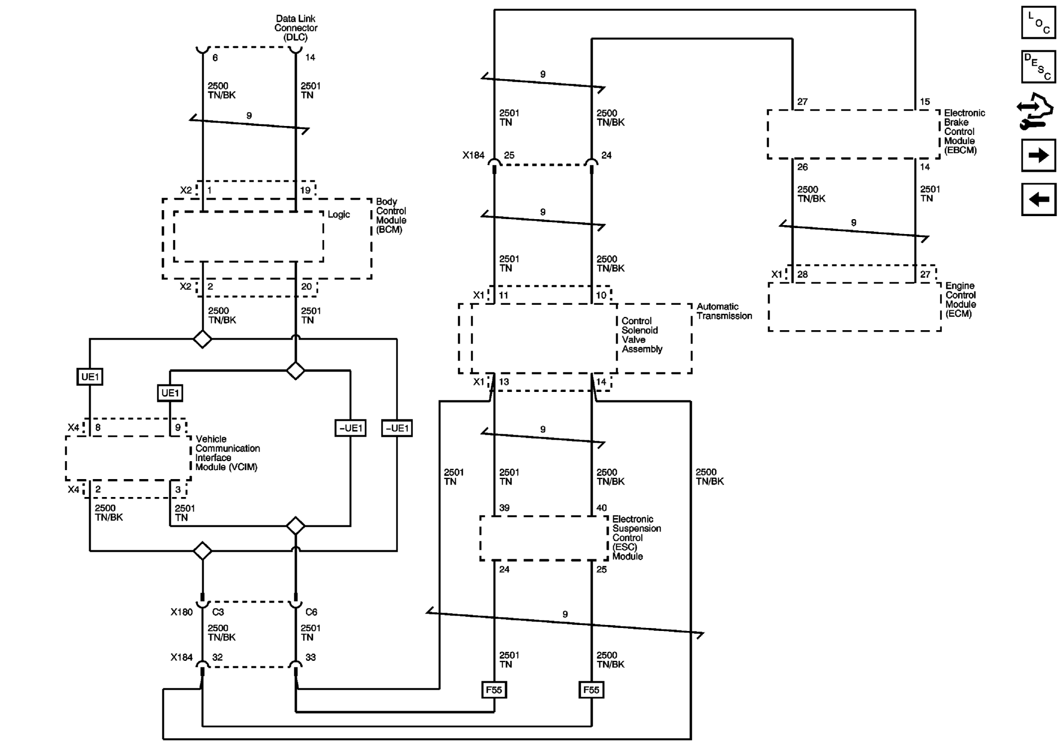
Fig 3: High Speed GMLAN Circuit Schematic - Manual Transmission
GM2053265Courtesy of GENERAL MOTORS CORP.