LEMON Manuals: Even more car manuals for everyone
Home >> Chevrolet >> 2008 >> Uplander Base, 3.9 1 >> Repair and Diagnosis >> Accessories & Equipment >> Memory Modules >> Configurable Customer Control System >> Schematic and Routing Diagrams >> Steering Wheel Secondary/Configurable Control Schematics

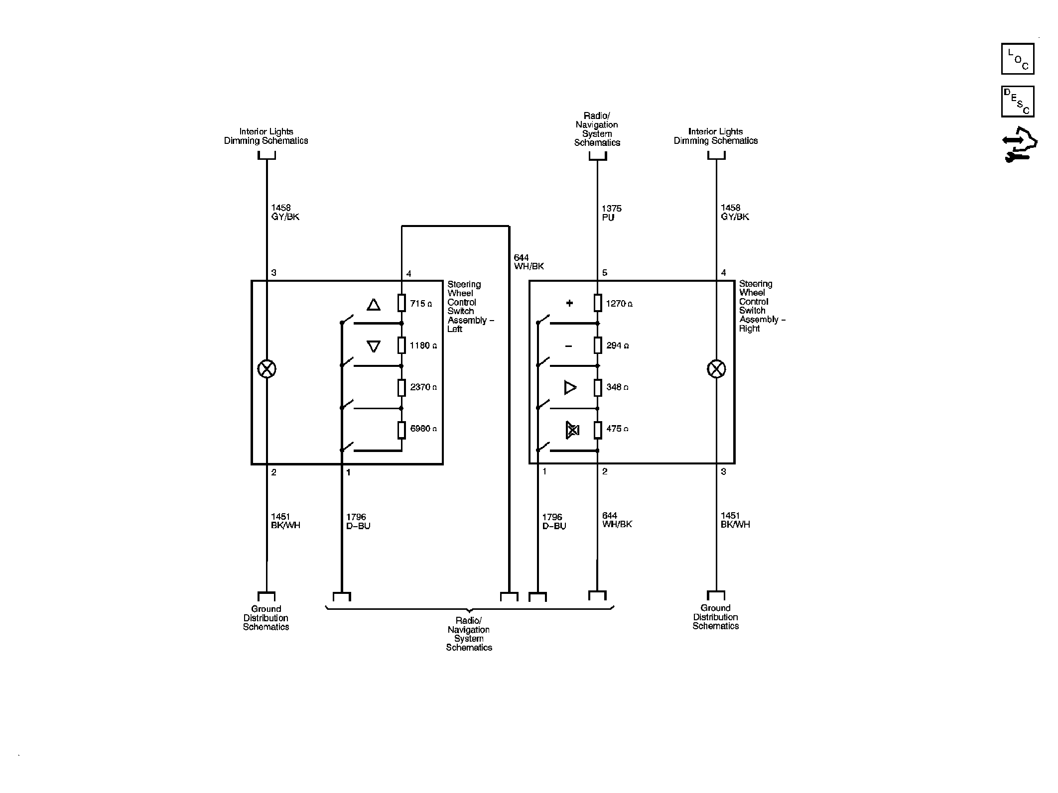
Steering Wheel Secondary/Configurable Control Schematics

Fig 1: Steering Wheel Secondary/Configurable Control Schematic
GM1921791Courtesy of GENERAL MOTORS CORP.