LEMON Manuals: Even more car manuals for everyone
Home >> Chevrolet >> 2008 >> Optra LS, Standard >> Repair and Diagnosis >> Transmission >> Automatic Trans >> Shift Lock Control >> Schematic and Routing Diagrams >> Shift Lock Control Schematics

Shift Lock Control Schematics

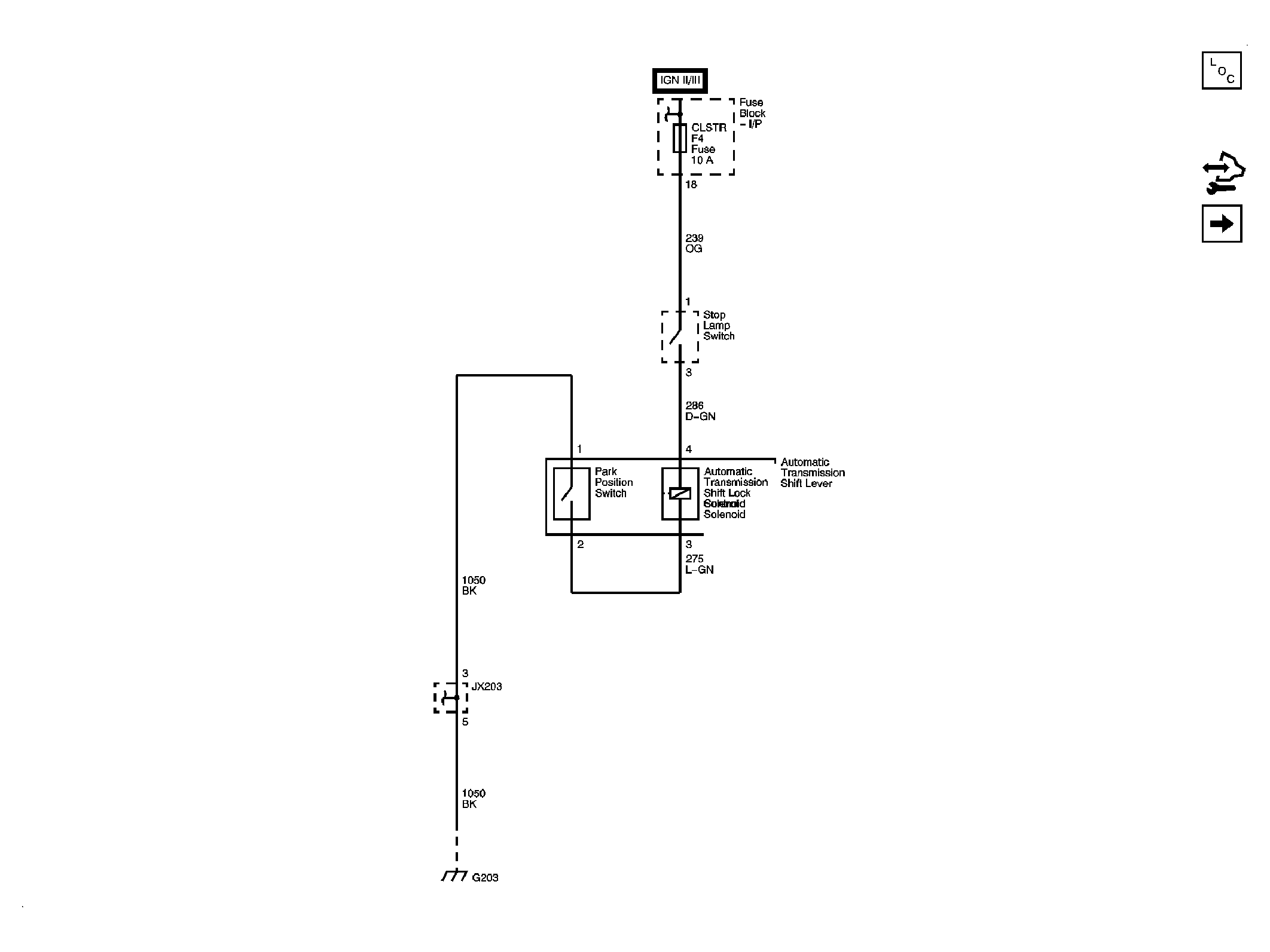
Fig 1: Automatic Transmission Shift Lock Control w/o Ignition Lock Cylinder Control Actuator Schematic
GM1962834Courtesy of GENERAL MOTORS CORP.
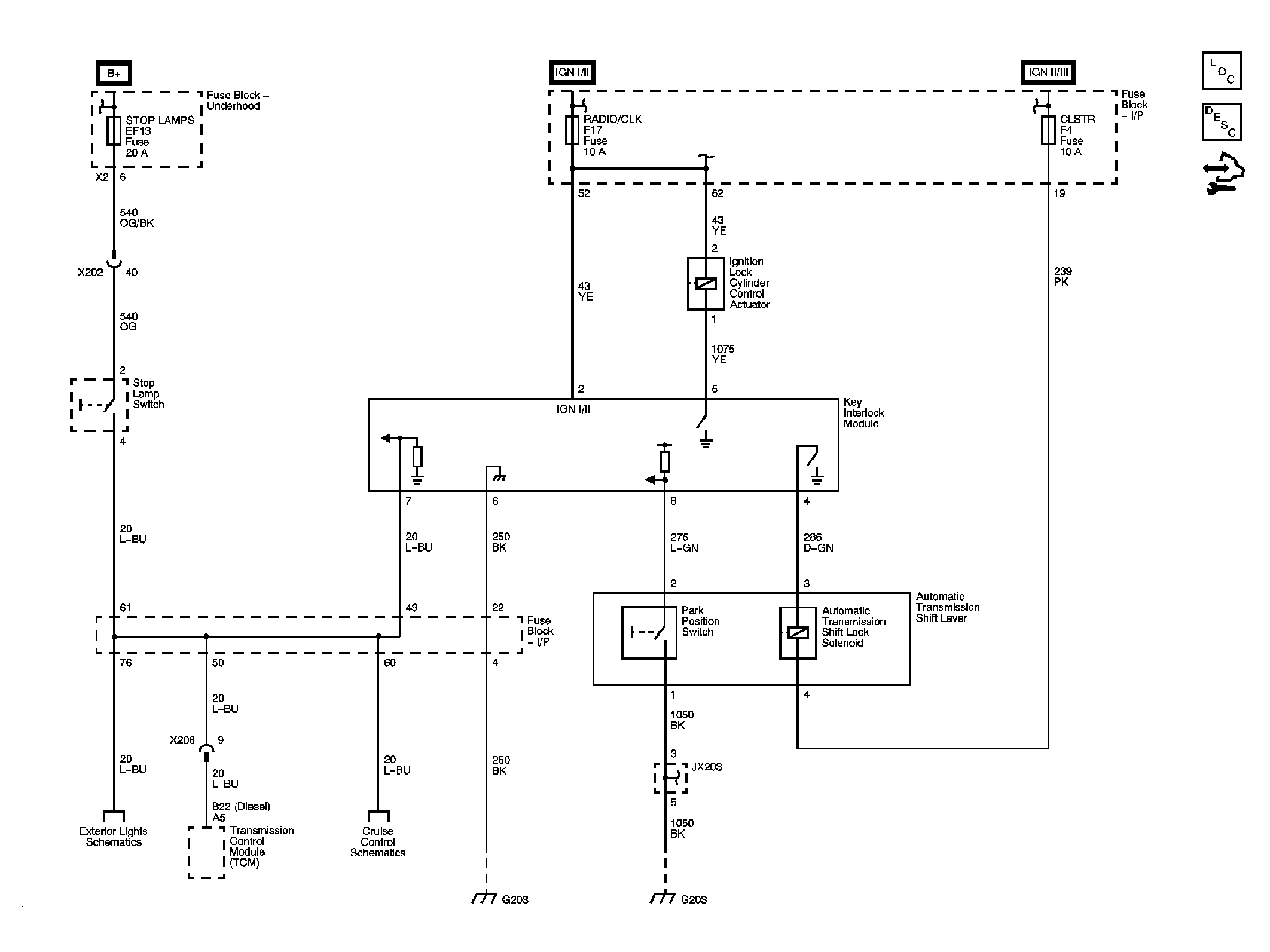
Fig 2: Automatic Transmission Shift Lock Control with Ignition Lock Cylinder Control Actuator Schematic
GM1962833Courtesy of GENERAL MOTORS CORP.