LEMON Manuals: Even more car manuals for everyone
Home >> Chevrolet >> 2008 >> HHR SS, Automatic >> Repair and Diagnosis >> Accessories & Equipment >> Memory Modules >> Configurable Customer Control System >> Schematic and Routing Diagrams >> Steering Wheel Secondary/Configurable Control Schematics

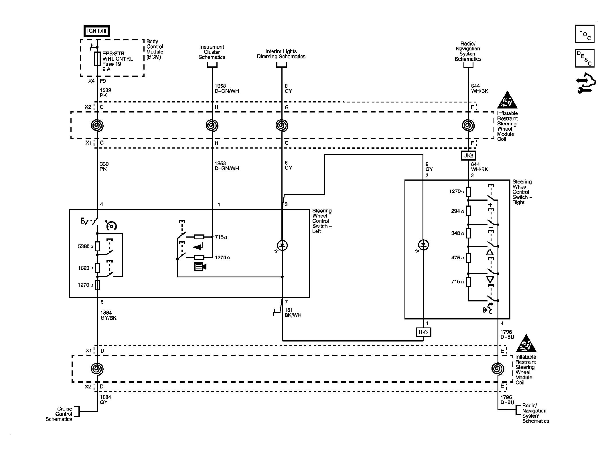
Steering Wheel Secondary/Configurable Control Schematics

Fig 1: Steering Wheel Secondary/Configurable Control Schematic
GM1887739Courtesy of GENERAL MOTORS CORP.