LEMON Manuals: Even more car manuals for everyone
Home >> Chevrolet >> 2008 >> HHR SS, Automatic >> Repair and Diagnosis >> Accessories & Equipment >> Infotainment >> Cellular System, Entertainment System, And Navigation System >> Schematic and Routing Diagrams >> Radio/Navigation System Schematics

Radio/Navigation System Schematics

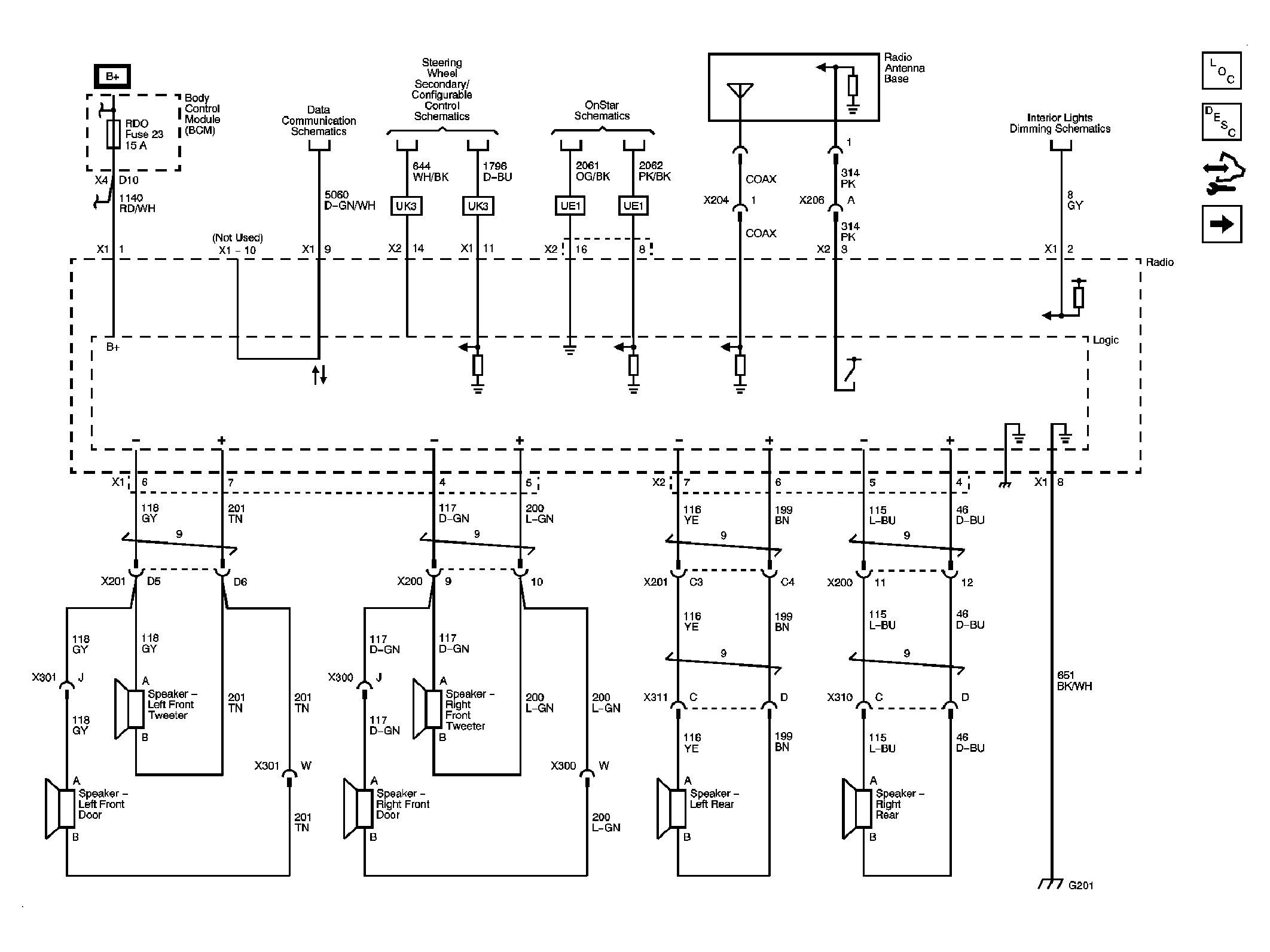
Fig 1: Radio w/UW5 - Schematic
GM1887715Courtesy of GENERAL MOTORS CORP.
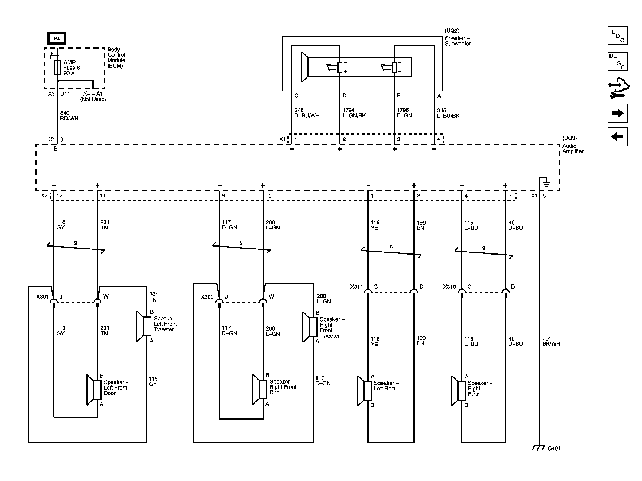
Fig 2: Radio w/UQ3 - 1 of 2 - Schematic
GM1887718Courtesy of GENERAL MOTORS CORP.
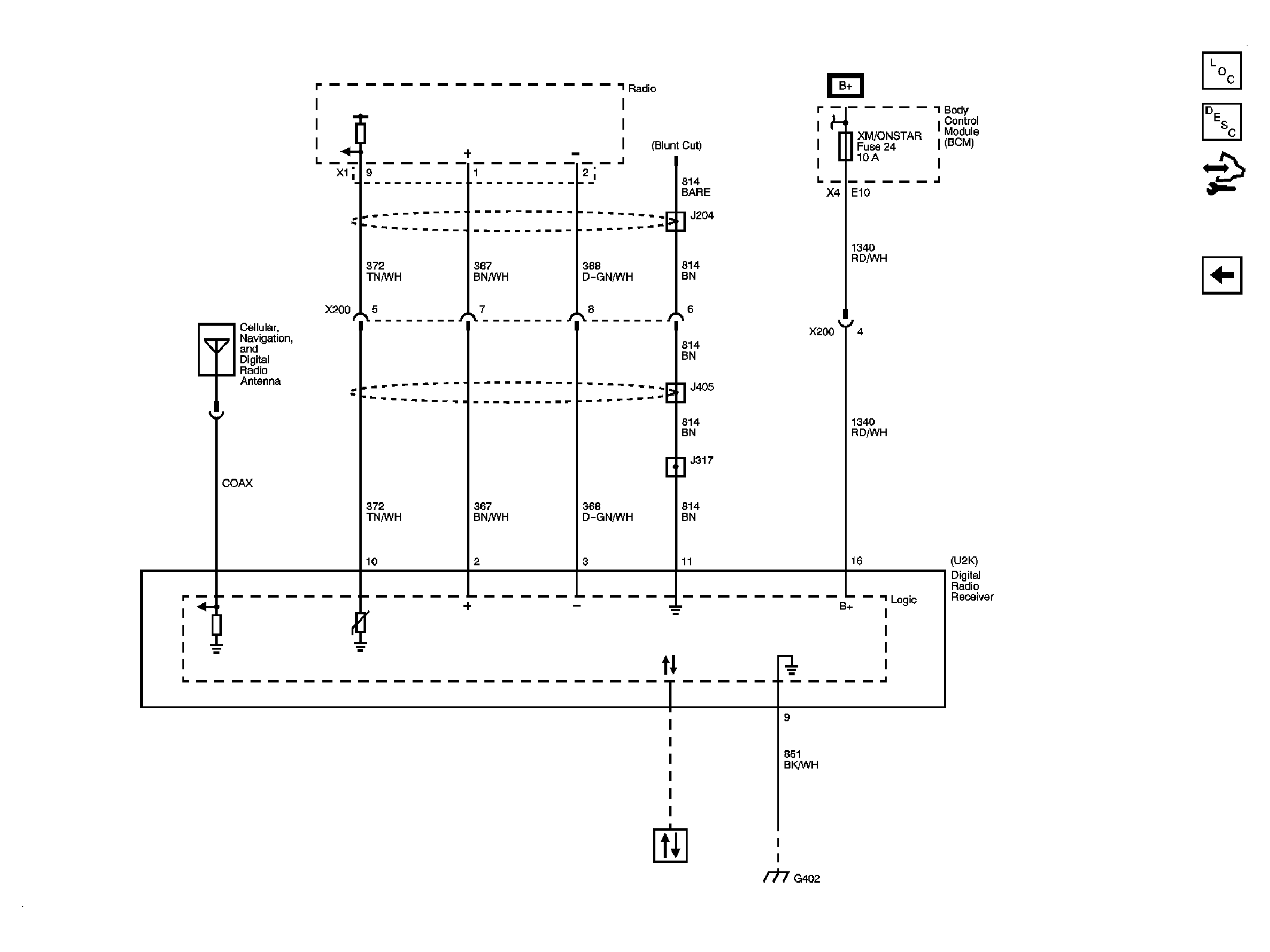
Fig 3: Radio w/UQ3 - 2 of 2 - Schematic
GM1887721Courtesy of GENERAL MOTORS CORP.
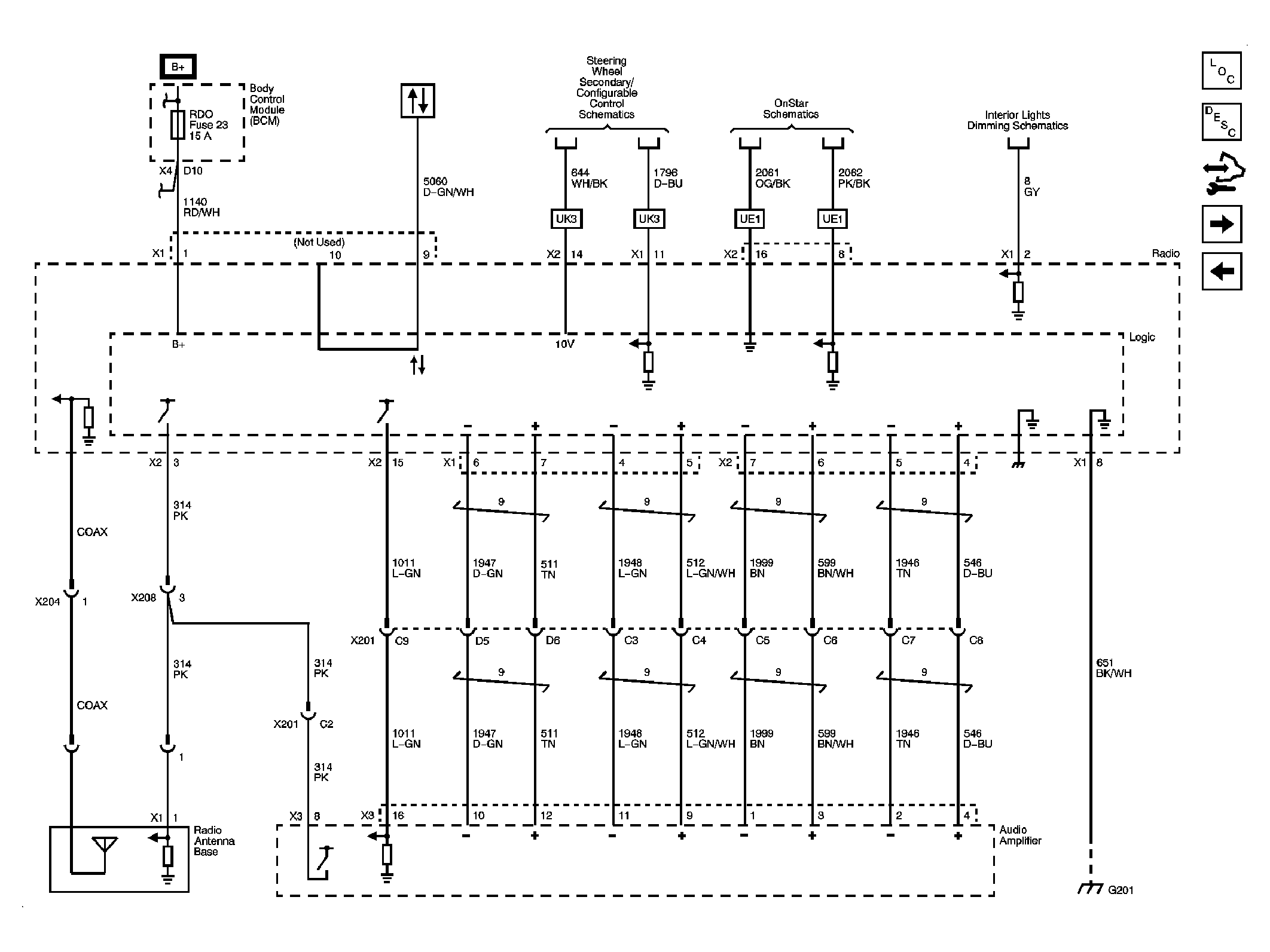
Fig 4: Digital Radio Receiver (U2K) - Schematic
GM1887725Courtesy of GENERAL MOTORS CORP.