LEMON Manuals: Even more car manuals for everyone
Home >> Chevrolet >> 2007 >> Impala SS >> Repair and Diagnosis >> External Pages >> Different car >> Section 783 (Data Communication System) >> Schematic and Routing Diagrams >> Body Control System Schematics

Body Control System Schematics

WARNING: This page is about a different car, the 2008 Buick Lucerne. However, it is still accessible from the selected car via links, so may be relevant.
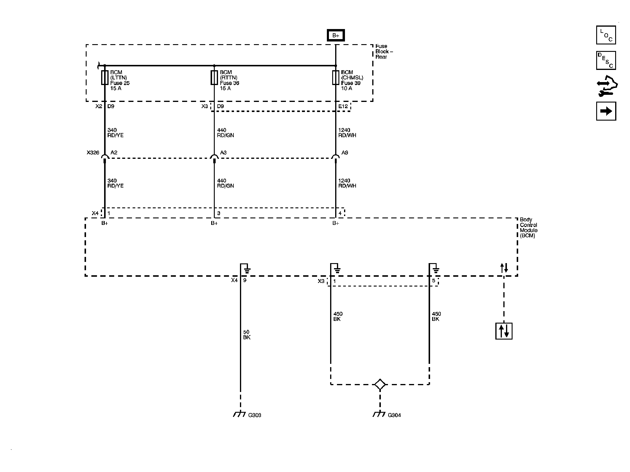
Fig 1: BCM Power, Ground and DLC
GM1886760Courtesy of GENERAL MOTORS CORP.
Fig 2: BCM Inputs and Outputs 1 of 4
GM1886763Courtesy of GENERAL MOTORS CORP.
Fig 3: BCM Inputs and Outputs 2 of 4
GM1886765Courtesy of GENERAL MOTORS CORP.
Fig 4: BCM Inputs and Outputs 3 of 4
GM1886767Courtesy of GENERAL MOTORS CORP.
Fig 5: BCM Inputs and Outputs 4 of 4
GM1886770Courtesy of GENERAL MOTORS CORP.