LEMON Manuals: Even more car manuals for everyone
Home >> Chevrolet >> 2007 >> Impala SS >> Repair and Diagnosis >> External Pages >> Different car >> Section 772 (Keyless Entry System & Remote Functions) >> Schematic and Routing Diagrams >> Remote Function Schematics

Remote Function Schematics

WARNING: This page is about a different car, the 2008 Buick Lucerne. However, it is still accessible from the selected car via links, so may be relevant.
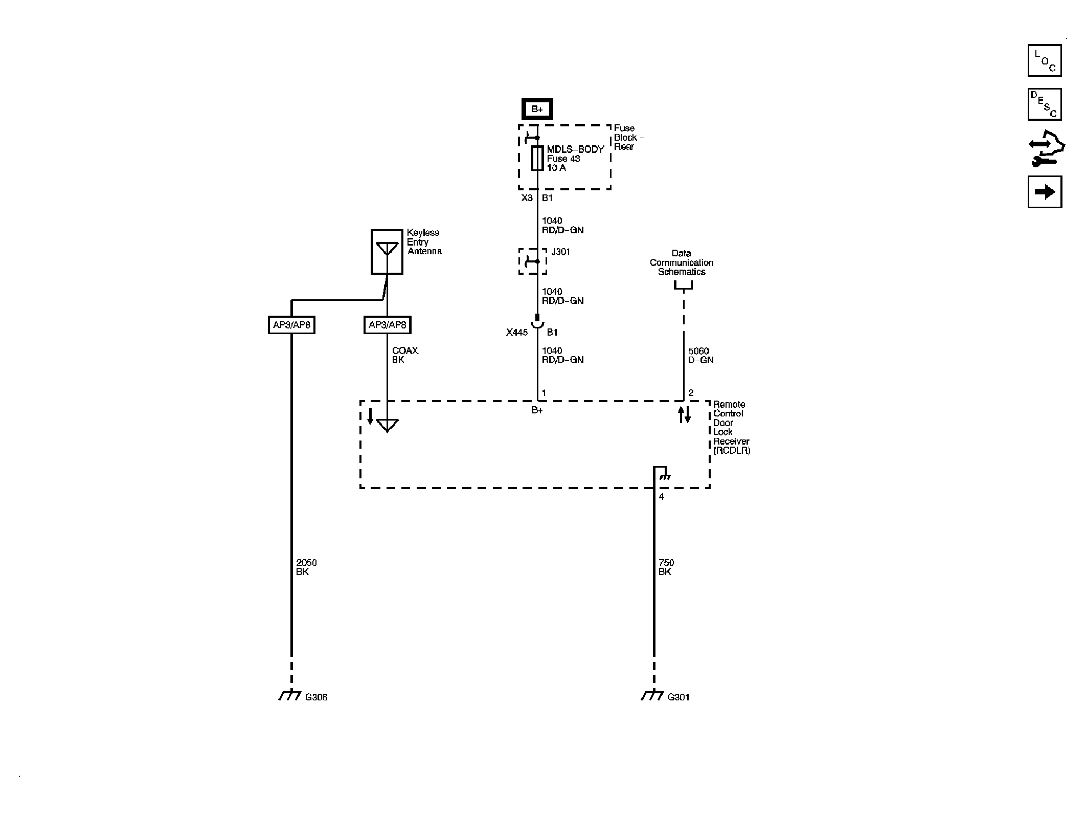
Fig 1: Remote Control Door Lock Receiver (RCDLR)
GM1886657Courtesy of GENERAL MOTORS CORP.
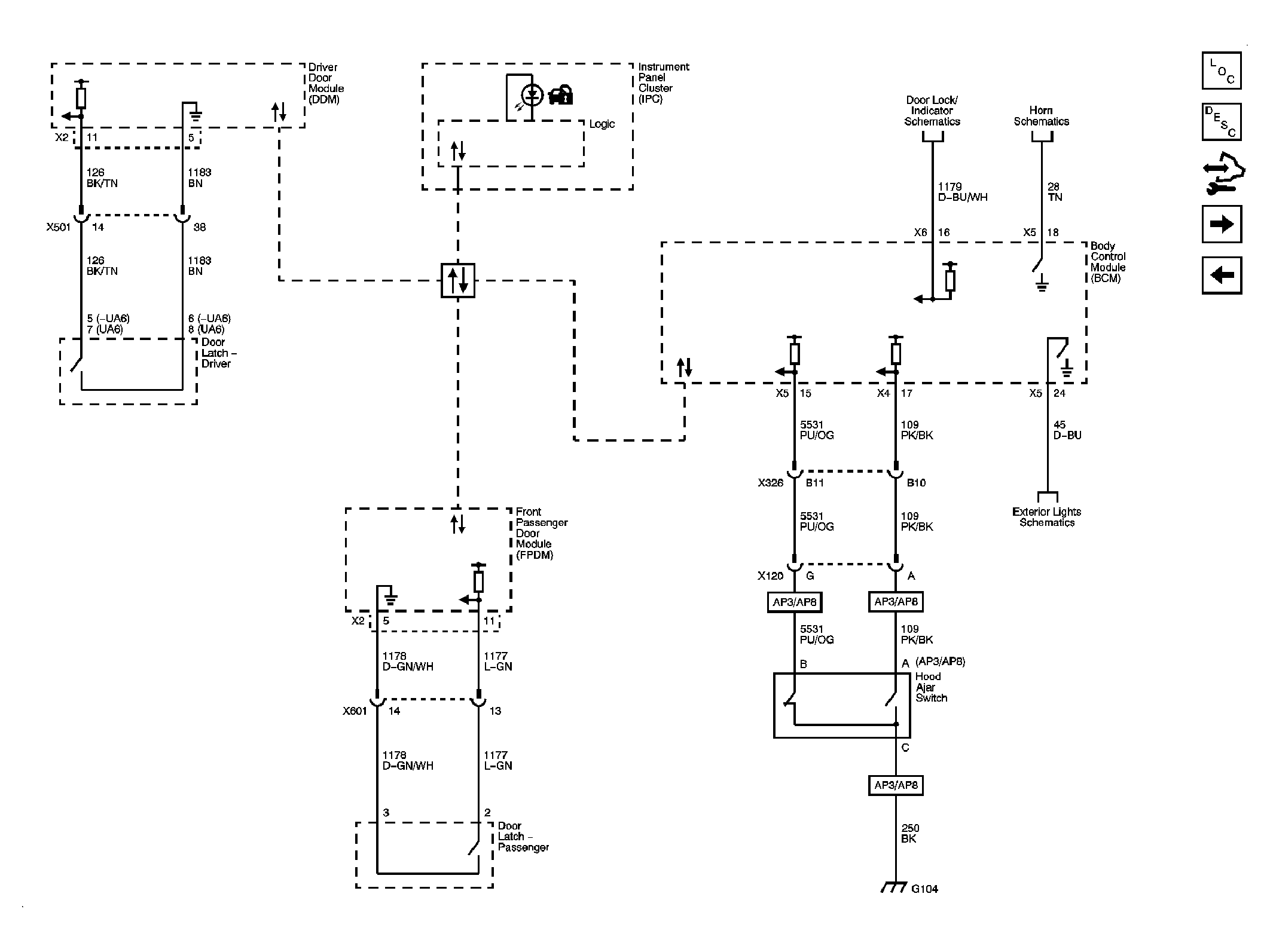
Fig 2: Door Latch Assemblies and Hood Ajar Switch
GM1886660Courtesy of GENERAL MOTORS CORP.
Fig 3: Garage Door Opener
GM1886654Courtesy of GENERAL MOTORS CORP.