LEMON Manuals: Even more car manuals for everyone
Home >> Chevrolet >> 2007 >> Impala SS >> Repair and Diagnosis >> External Pages >> Different car >> Section 666 (Cellular System, Entertainment System, And Navigation System) >> Schematic and Routing Diagrams >> Radio/Navigation System Schematics

Radio/Navigation System Schematics

WARNING: This page is about a different car, the 2007 Pontiac Montana SV6, 2007 Chevrolet Uplander, and 2007 Buick Terraza. However, it is still accessible from the selected car via links, so may be relevant.
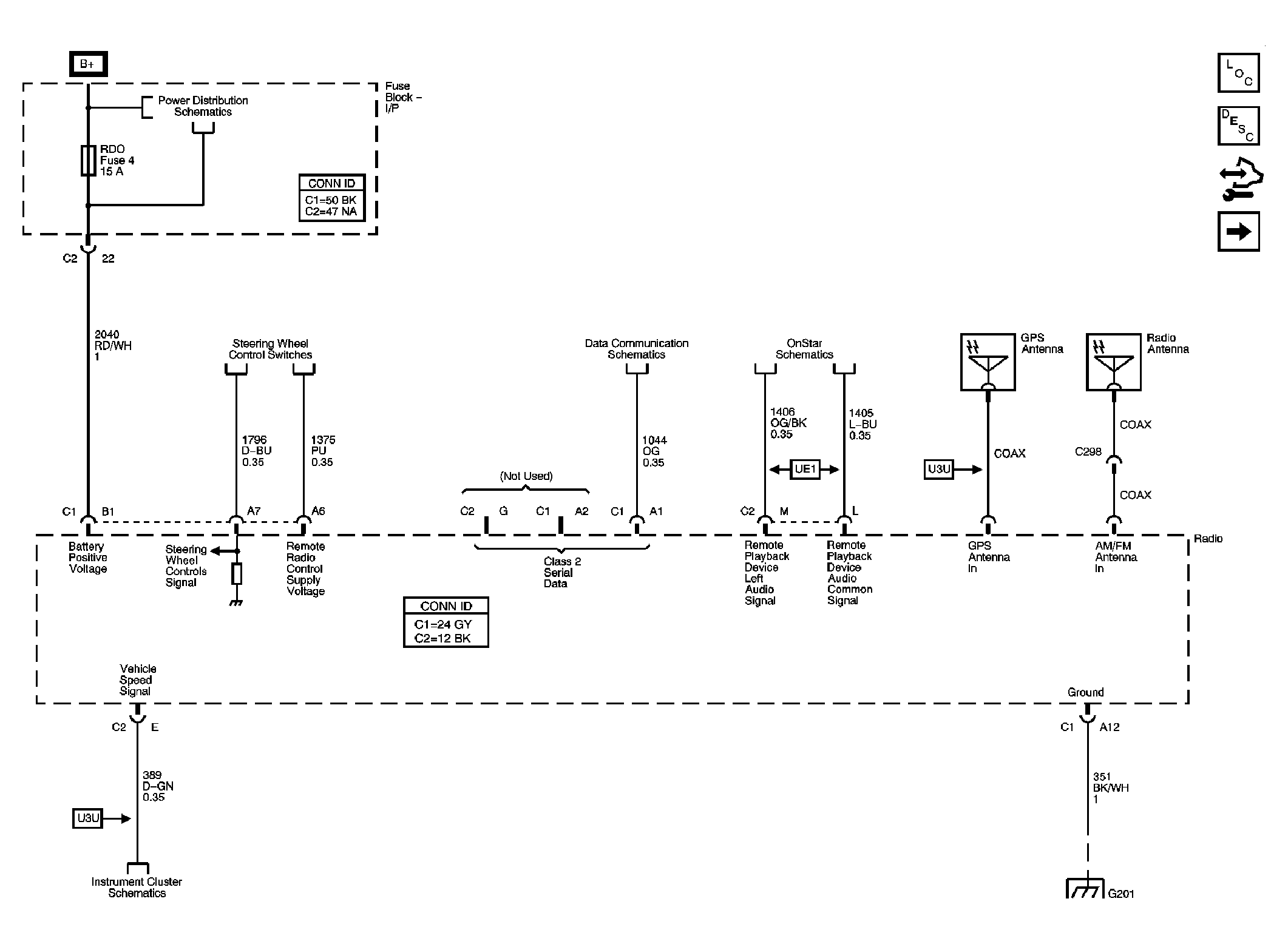
Fig 1: Antennas, Ground, Power, and Subsystem References
GM1740144Courtesy of GENERAL MOTORS CORP.
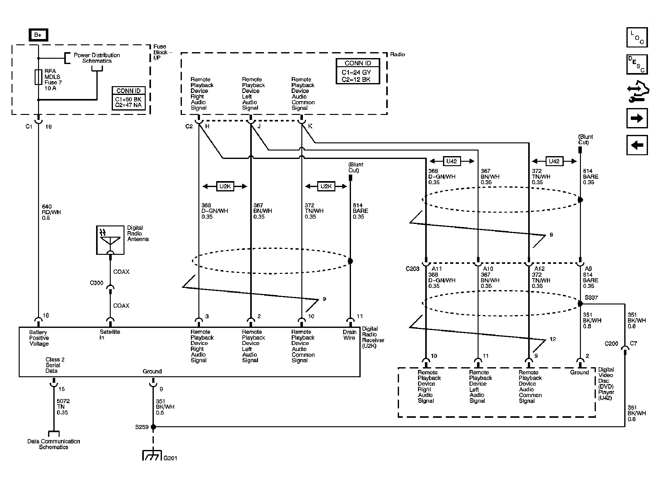
Fig 2: DVD and Satellite Audio Sources
GM1740145Courtesy of GENERAL MOTORS CORP.
Fig 3: Front Speakers
GM1740147Courtesy of GENERAL MOTORS CORP.
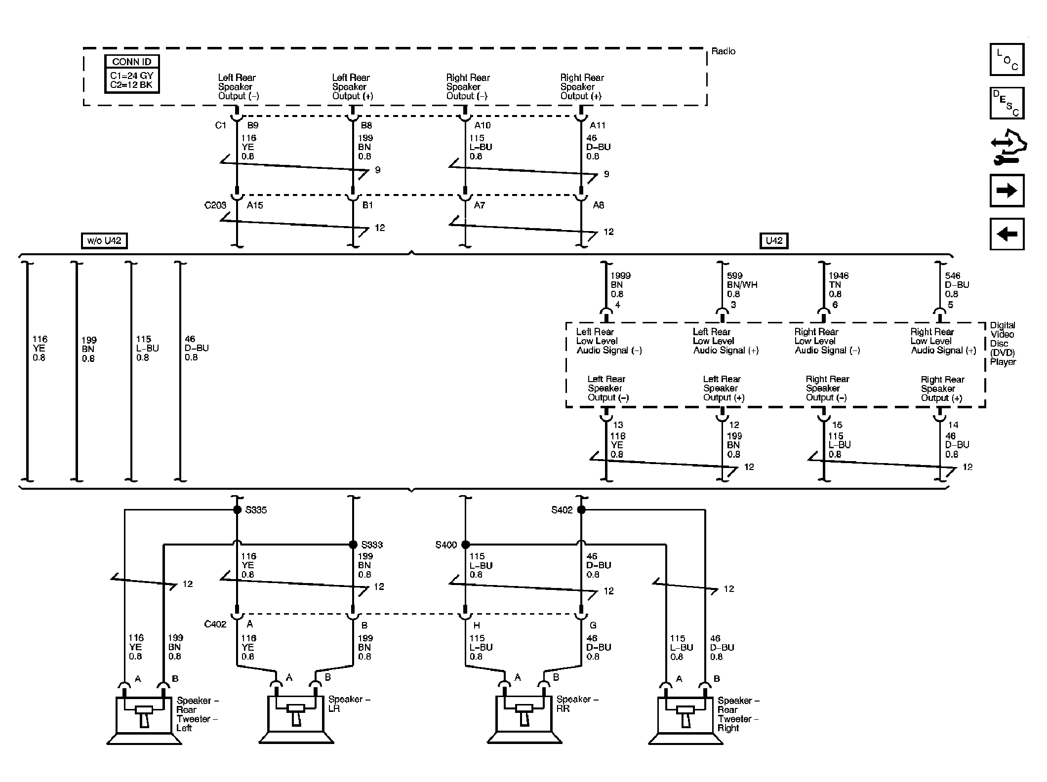
Fig 4: Rear Speakers
GM1740148Courtesy of GENERAL MOTORS CORP.
Fig 5: Steering Wheel Controls
GM1740150Courtesy of GENERAL MOTORS CORP.