LEMON Manuals: Even more car manuals for everyone
Home >> Chevrolet >> 2007 >> Impala SS >> Repair and Diagnosis >> External Pages >> Different car >> Section 546 (Data Communication System) >> Schematic and Routing Diagrams >> Data Communication Schematics

Data Communication Schematics

WARNING: This page is about a different car, the 2007 Saturn Sky. However, it is still accessible from the selected car via links, so may be relevant.
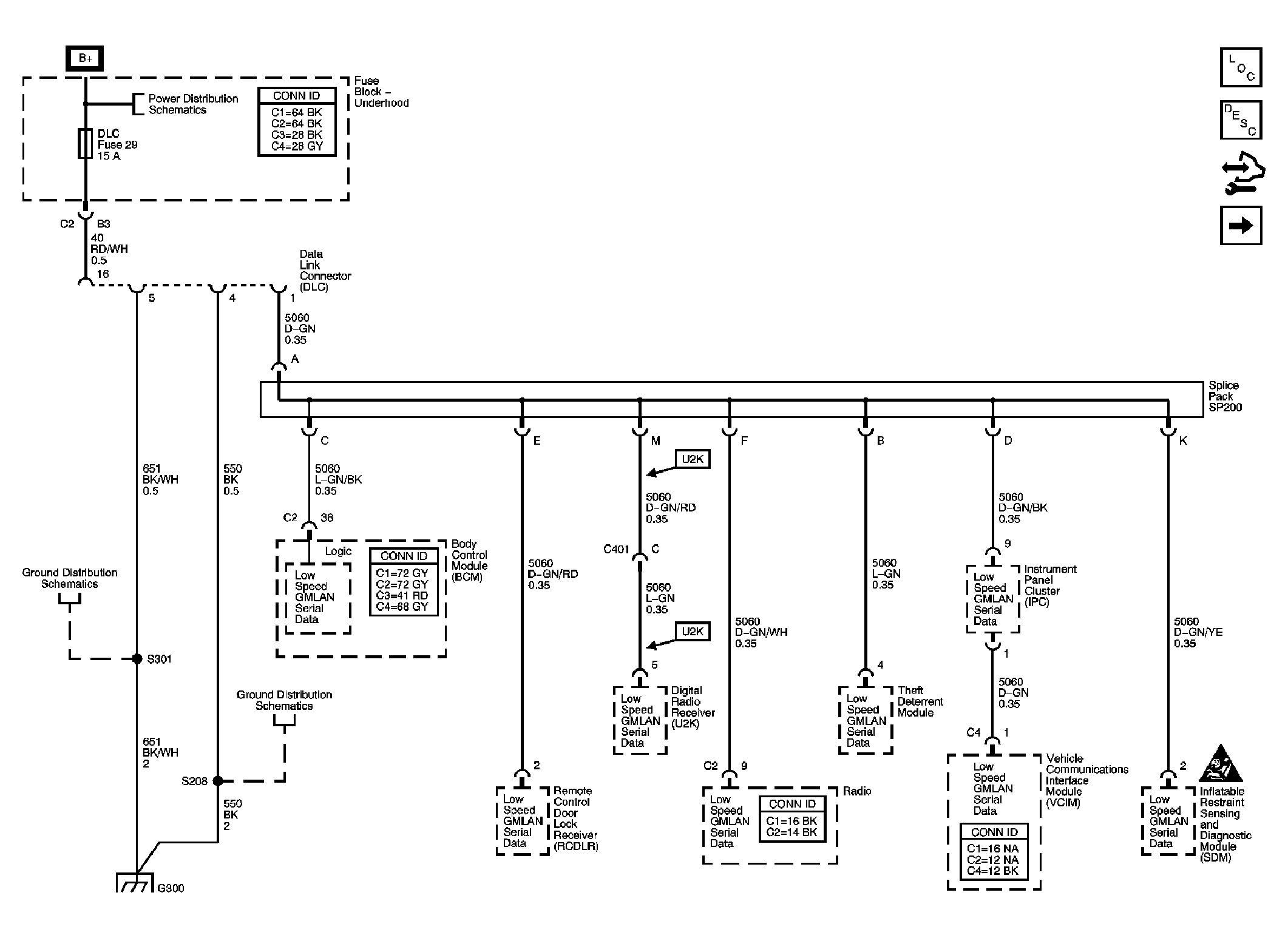
Fig 1: Low Speed LAN
GM1743040Courtesy of GENERAL MOTORS CORP.
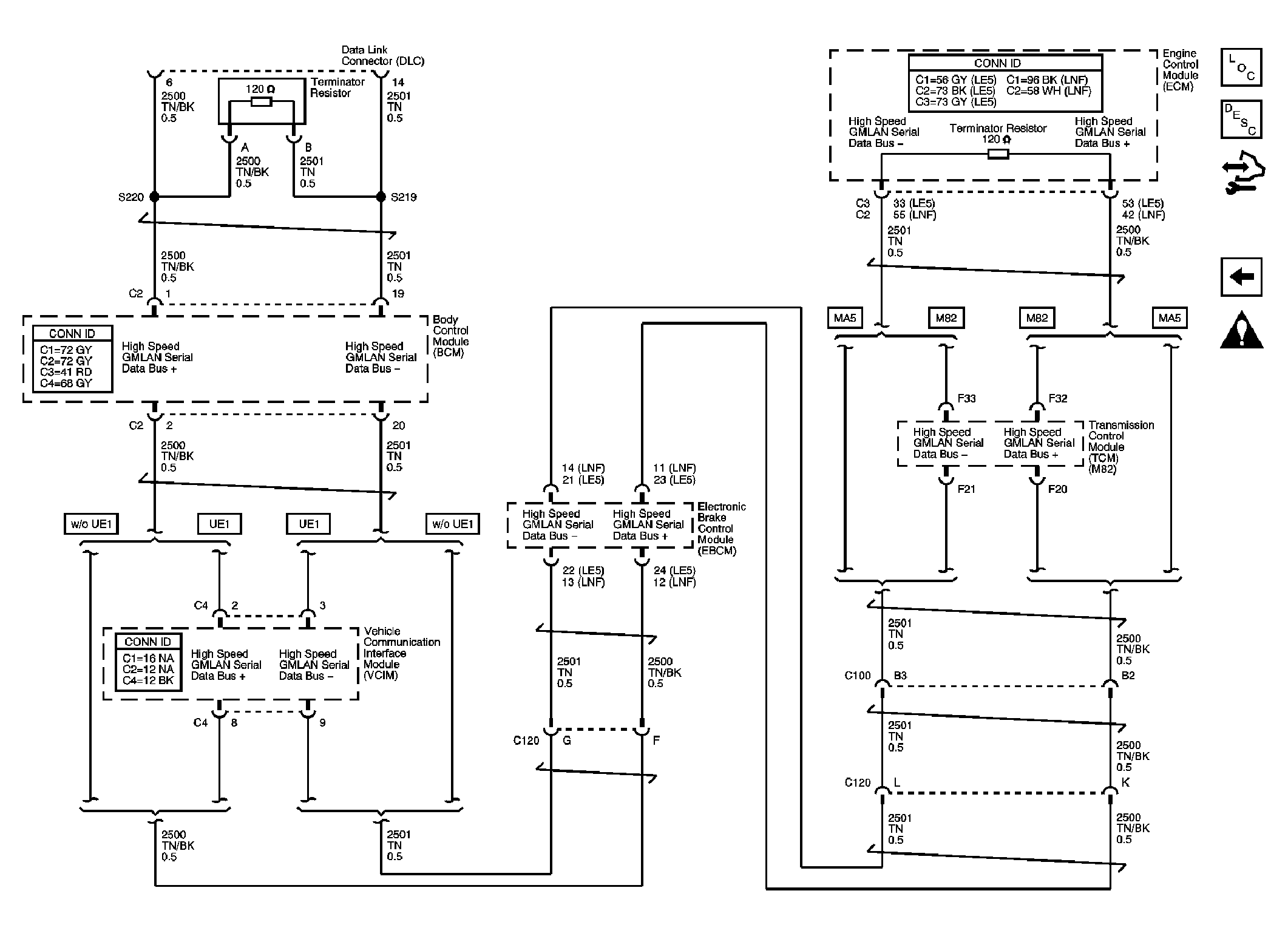
Fig 2: High Speed LAN
GM1743046Courtesy of GENERAL MOTORS CORP.