LEMON Manuals: Even more car manuals for everyone
Home >> Chevrolet >> 2007 >> Impala SS >> Repair and Diagnosis >> External Pages >> Different car >> Section 532 (Keyless Entry System And Remote Functions) >> Schematic and Routing Diagrams >> Remote Function Schematics

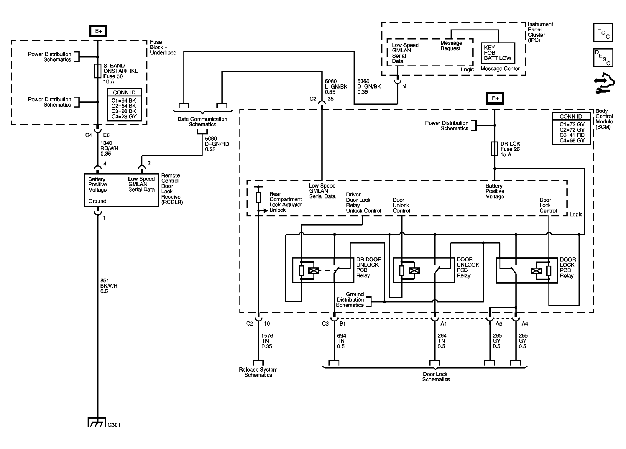
Remote Function Schematics

WARNING: This page is about a different car, the 2007 Saturn Sky. However, it is still accessible from the selected car via links, so may be relevant.
Fig 1: Remote Function Schematic
GM1743085Courtesy of GENERAL MOTORS CORP.