LEMON Manuals: Even more car manuals for everyone
Home >> Chevrolet >> 2007 >> Impala SS >> Repair and Diagnosis >> External Pages >> Different car >> Section 435 (Keyless Entry System And Remote Functions) >> Schematic and Routing Diagrams >> Remote Function Schematics

Remote Function Schematics

WARNING: This page is about a different car, the 2007 Chevrolet Malibu. However, it is still accessible from the selected car via links, so may be relevant.
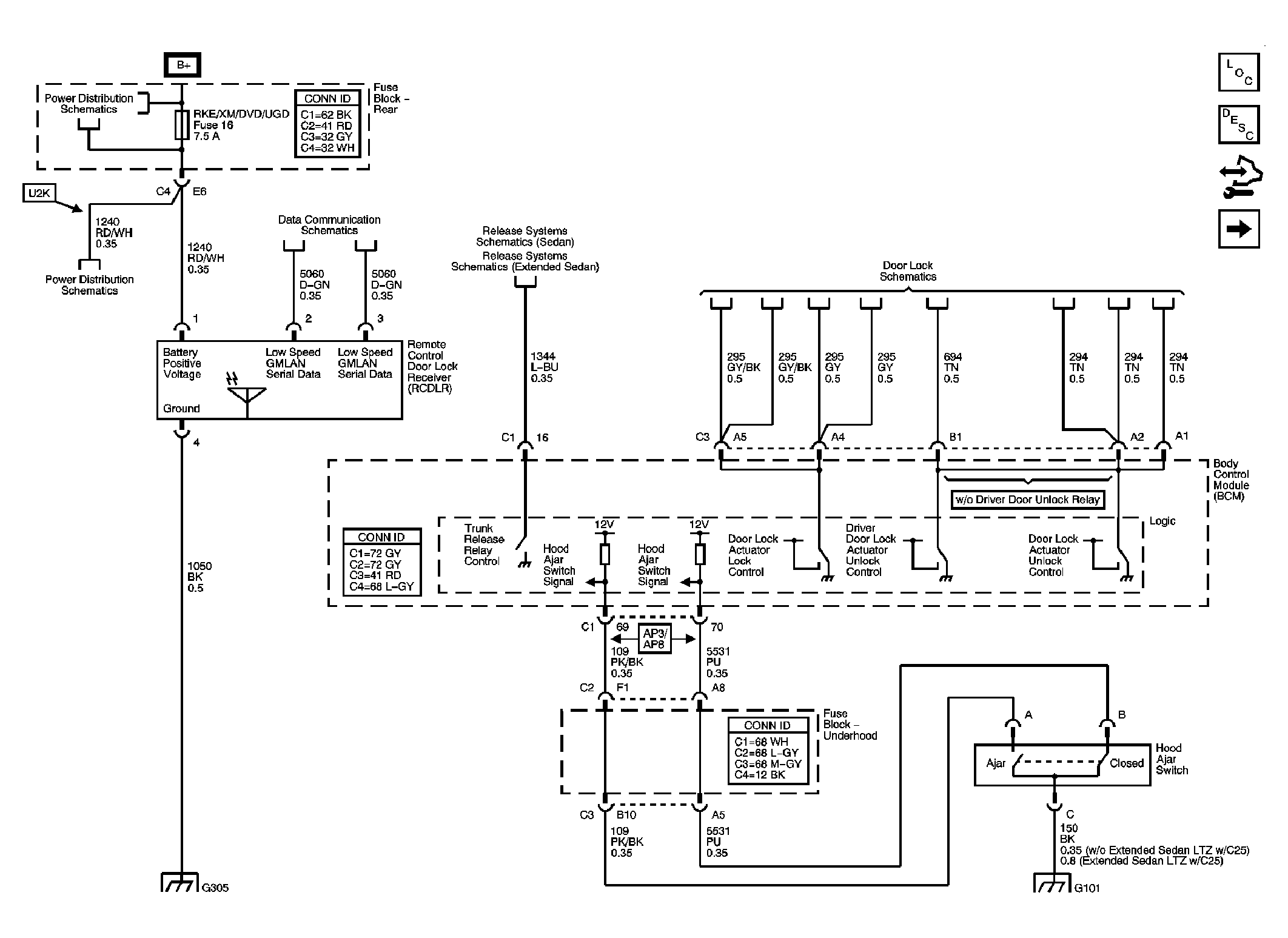
Fig 1: Keyless Entry - Schematic
GM1787491Courtesy of GENERAL MOTORS CORP.
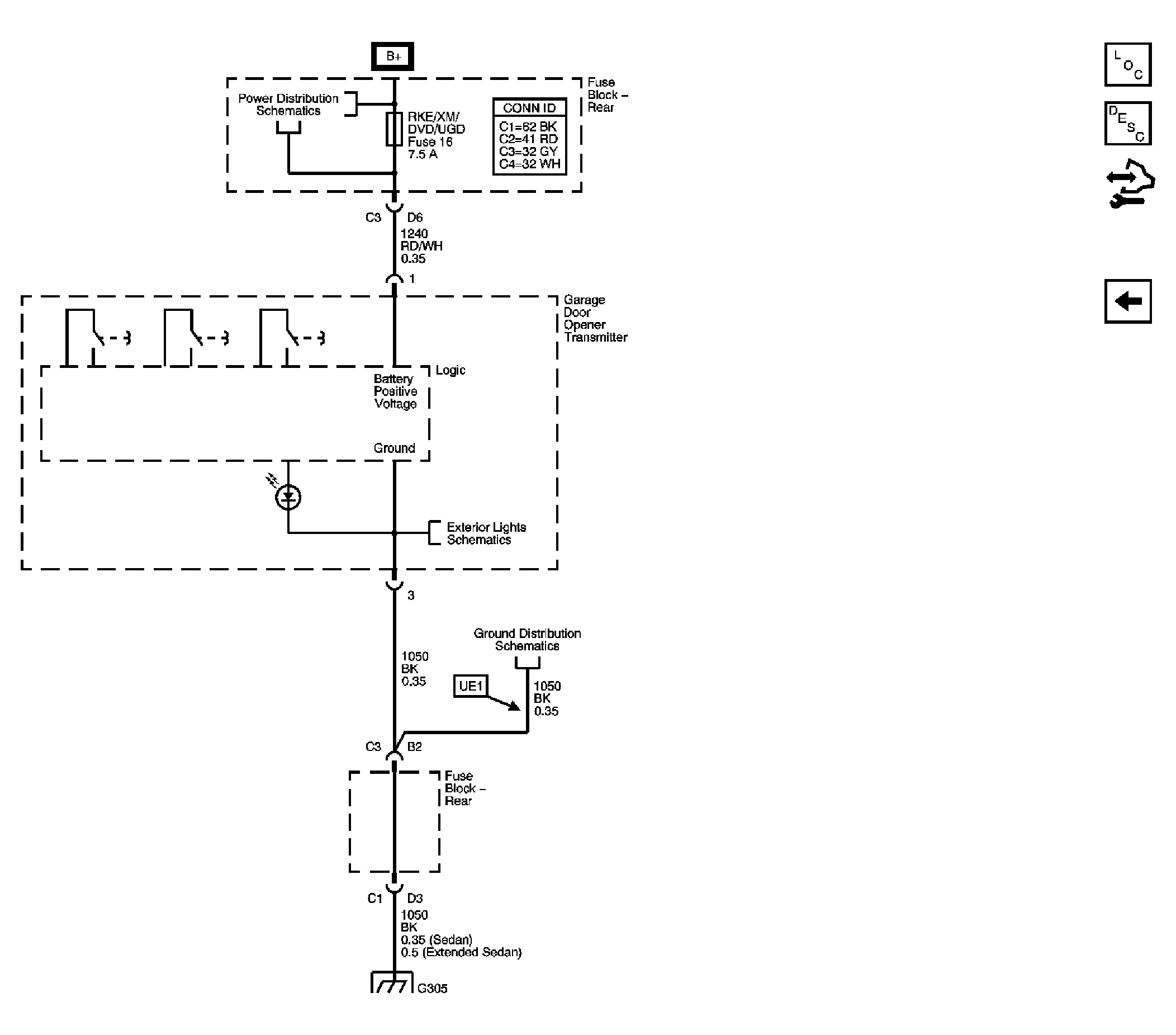
Fig 2: Universal Garage Door Opener - Schematic
GM1787493Courtesy of GENERAL MOTORS CORP.