LEMON Manuals: Even more car manuals for everyone
Home >> Chevrolet >> 2007 >> Impala SS >> Repair and Diagnosis >> External Pages >> Different car >> Section 246 (Computer/Integrating Systems) >> Schematic and Routing Diagrams >> Body Control System Schematics

Body Control System Schematics

WARNING: This page is about a different car, the 2006 Chevrolet Monte Carlo and 2006 Chevrolet Impala. However, it is still accessible from the selected car via links, so may be relevant.
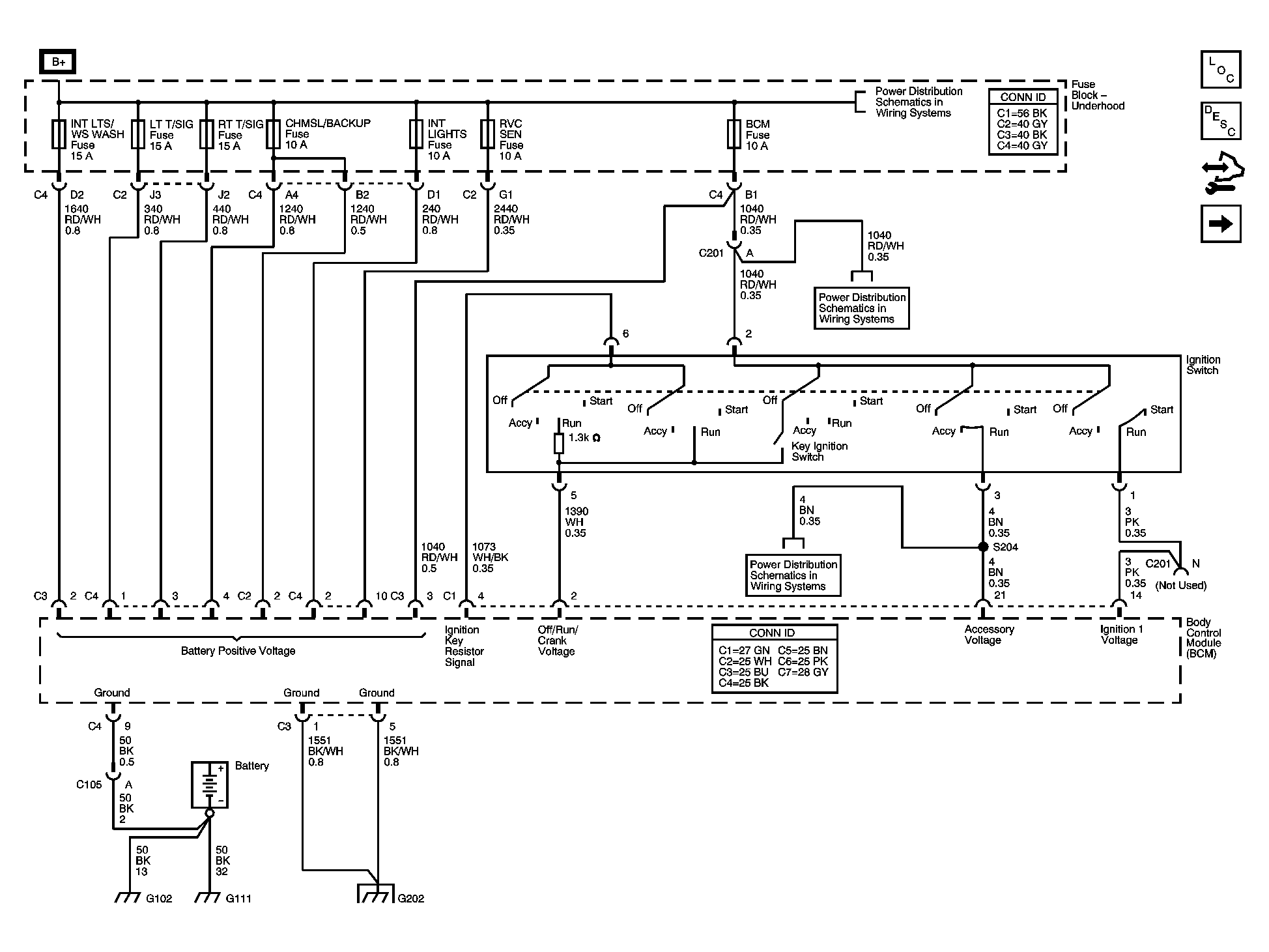
Fig 1: Power and Ground - Wiring Diagram
GM1657248Courtesy of GENERAL MOTORS CORP.
Fig 2: Data Link, Starting and Charging, Engine Controls, A/T Shift lock Controls, Cruise Control, ABS, Brake Warning, Headlights/DRL, and Fog Lights References - Wiring Diagram
GM1657249Courtesy of GENERAL MOTORS CORP.
Fig 3: Exterior Lights, Interior Lights, Interior Lights Dimming, RAP, and Door Lock/Indicator References - Wiring Diagram
GM1657252Courtesy of GENERAL MOTORS CORP.
Fig 4: Door Lock/Indicator Cont., Theft Deterrent, Horns, Steering Wheel, Upfitter Provisions, Wiper/Washer, and Body Rear End References - Wiring Diagram
GM1657254Courtesy of GENERAL MOTORS CORP.