LEMON Manuals: Even more car manuals for everyone
Home >> Chevrolet >> 2007 >> Impala SS >> Repair and Diagnosis (Single Page) >> Accessories & Equipment >> Anti-Theft Systems >> Keyless Entry System And Remote Functions >> Schematic and Routing Diagrams >> Remote Function Schematics

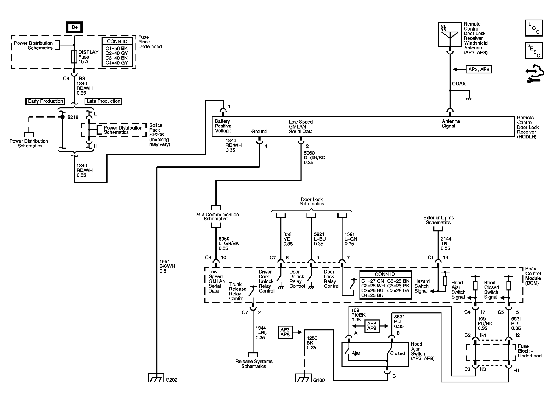
Remote Function Schematics

Fig 1: Remote Function Schematics
GM1762409Courtesy of GENERAL MOTORS CORP.
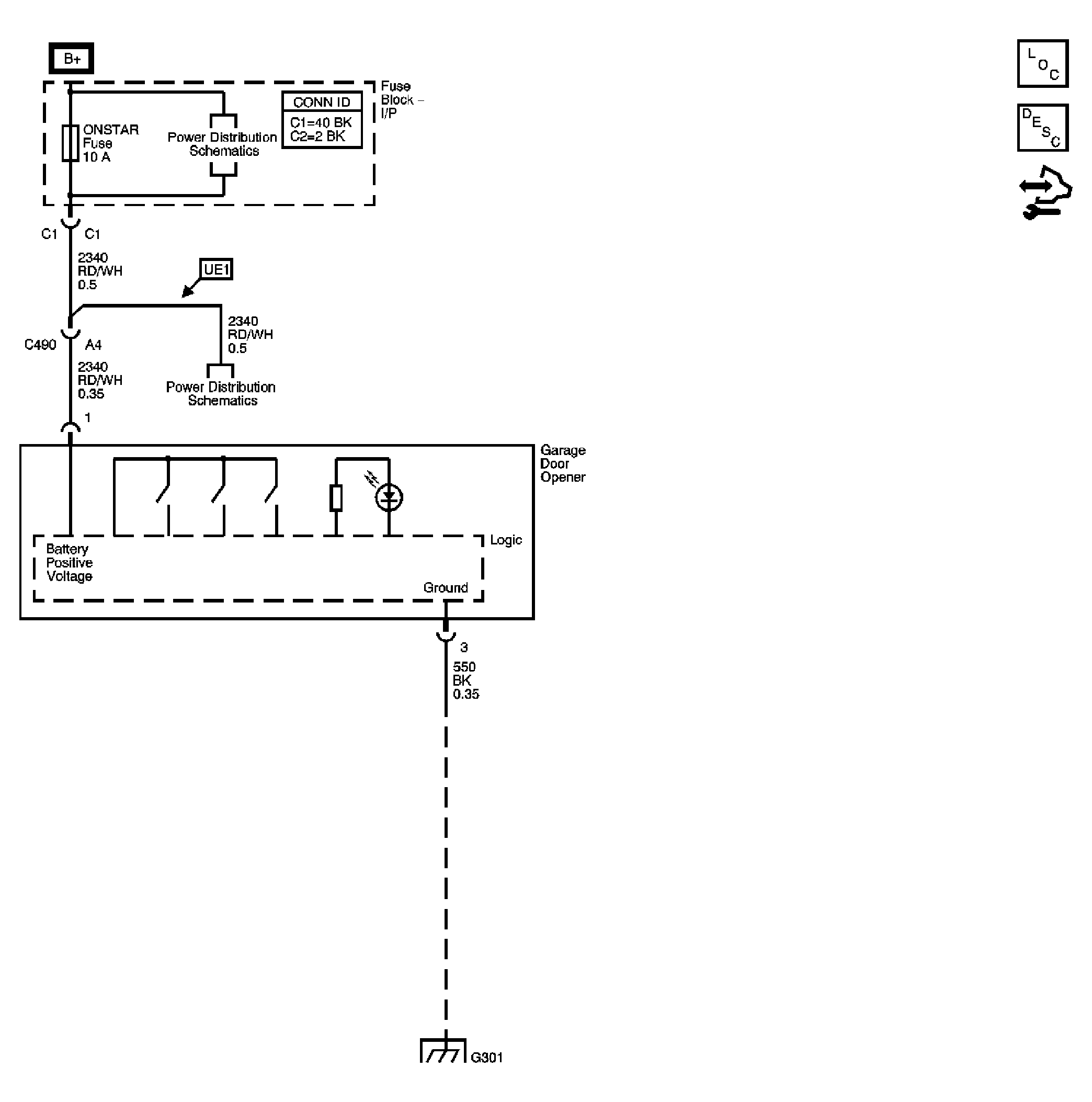
Fig 2: Garage Door Opener Schematics
GM1762410Courtesy of GENERAL MOTORS CORP.