LEMON Manuals: Even more car manuals for everyone
Home >> Chevrolet >> 2007 >> HHR LS, Standard >> Repair and Diagnosis >> External Pages >> Different car >> Section 584 (Cellular System, Entertainment System, And Navigation System) >> Wiring Schematics >> Radio/Navigation System Wiring Schematics >> Radio (UW5)

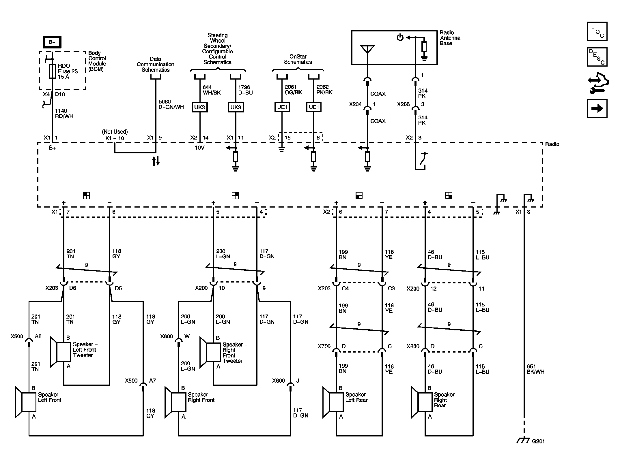
Radio (UW5)

WARNING: This page is about a different car, the 2011 Chevrolet HHR. However, it is still accessible from the selected car via links, so may be relevant.
Fig 1: Radio (UW5) Wiring Schematic
GM2376901Courtesy of GENERAL MOTORS COMPANY