LEMON Manuals: Even more car manuals for everyone
Home >> Chevrolet >> 2007 >> Aveo Base >> Repair and Diagnosis >> External Pages >> Different car >> Section 17 (Cellular System, Entertainment System, And Navigation System) >> Schematic and Routing Diagrams >> Radio/Navigation System Schematics (Hatchback)

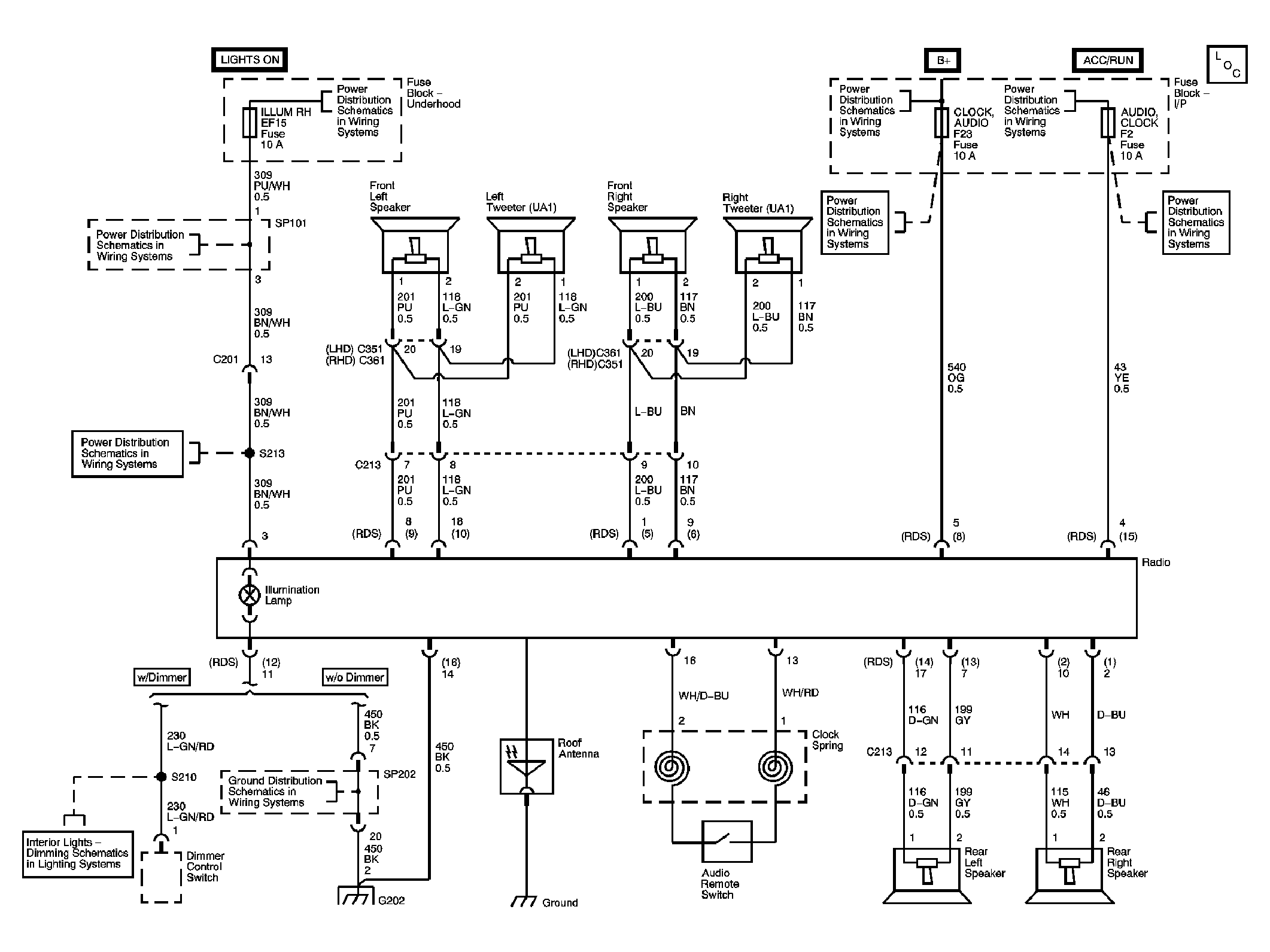
Radio/Navigation System Schematics (Hatchback)

WARNING: This page is about a different car, the 2008 Suzuki Swift +, 2008 Pontiac Wave, and 2008 Chevrolet Aveo. However, it is still accessible from the selected car via links, so may be relevant.
Fig 1: Radio/Navigation System Schematics (Hatchback)
GM1680670Courtesy of GENERAL MOTORS CORP.