LEMON Manuals: Even more car manuals for everyone
Home >> Chevrolet >> 2006 >> Uplander Base >> Repair and Diagnosis >> External Pages >> Different car >> Section 112 (Object Detection System) >> Schematic and Routing Diagrams >> Object Detection Schematics

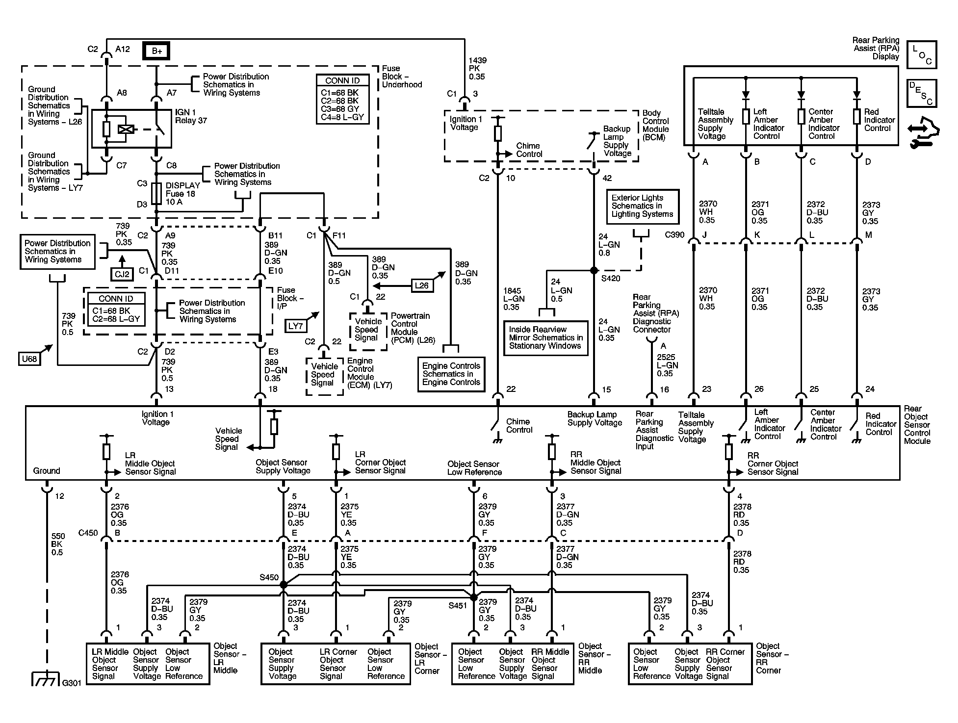
Object Detection Schematics

WARNING: This page is about a different car, the 2006 Buick LaCrosse and 2006 Buick Allure. However, it is still accessible from the selected car via links, so may be relevant.
Fig 1: Rear Parking Assist System Schematic
GM1655873Courtesy of GENERAL MOTORS CORP.