LEMON Manuals: Even more car manuals for everyone
Home >> Chevrolet >> 2005 >> SSR Automatic >> Repair and Diagnosis >> Engine Performance >> System >> Engine Control System - 6.0L - Introduction >> Repair Instructions >> Fuel Rail Assembly Replacement >> Installation Procedure

Installation Procedure

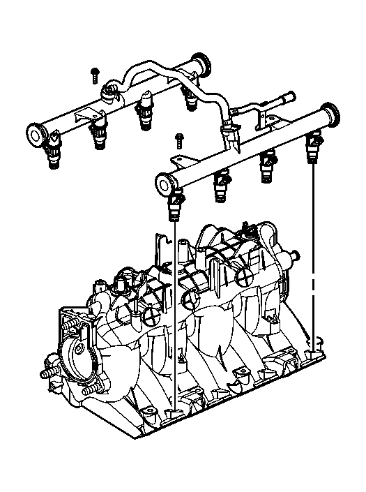
    Fig 1: View Of Fuel Rail W/Injectors
    GM1201536Courtesy of GENERAL MOTORS CORP.
  1. Install the fuel rail in the intake manifold.
  2. Apply a 5 mm (0.20 in) band of GM P/N 12345382 (Canadian P/N 10953489) threadlock, or equivalent, to the threads of the fuel rail bolts.
  3. NOTE: Refer to Fastener Notice in Cautions and Notices.
  4. Install the fuel rail mounting bolts.

    Tighten:  Tighten the fuel rail mounting bolts to 10 N.m (89 lb in).

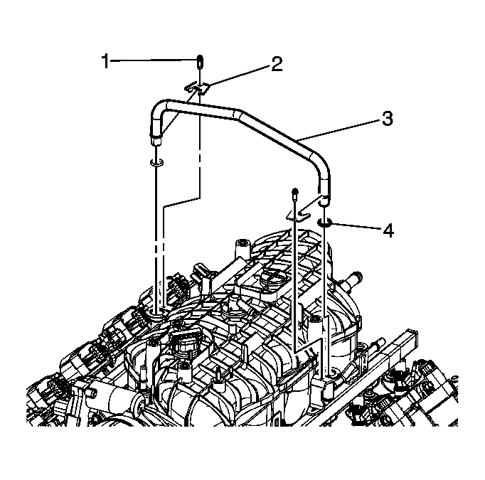
  5. Fig 2: Removing/Installing Fuel Rail Crossover Pipe
    GM1485985Courtesy of GENERAL MOTORS CORP.
  6. Install the fuel rail crossover pipe (3), O-rings (4), retaining bolts (1) and tabs (2), if removed.

    Tighten:  Tighten the fuel rail crossover pipe retaining screws to 3.8 N.m (34 lb in).

  7. Fig 3: Removing/Installing Fuel Injector Harness Electrical Connector
    GM1531090Courtesy of GENERAL MOTORS CORP.
  8. Connect the fuel feed pipe.
  9. IMPORTANT: Ensure that the fuel injector electrical connector are connected to the correct fuel injector. It may also be necessary to rotate the fuel injector the proper alignment between the fuel injector and the electrical connector.
  10. Reconnect the electrical connectors for the fuel injectors. A click will be felt or heard when the electrical connector is properly connected.
  11. Fig 4: Identifying Upper Engine Wire Harness Retainer
    GM310125Courtesy of GENERAL MOTORS CORP.
  12. Position the engine wiring harness on the intake manifold.
  13. Connect the EVAP purge valve and harness.
  14. Install the engine sight shield mounting bracket.

    Tighten:  Tighten the engine sight shield mounting bolts to 5.5 N.m (49 lb in).

  15. Connect the negative battery cable. Refer to Battery Negative Cable Disconnect/Connect Procedure in Engine Electrical.
  16. Use the following procedure to inspect for fuel leaks:
    1. Turn the ignition to the ON position for 2 seconds.
    2. Turn the ignition OFF for 10 seconds.
    3. Turn the ignition to the ON position once again.
    4. Inspect for any fuel leaks.
  17. Fig 5: View of Engine Sight Shield
    GM1231427Courtesy of GENERAL MOTORS CORP.
  18. Install the engine sight shield. Refer to Engine Sight Shield Replacement in Engine Mechanical - 6.0L.