LEMON Manuals: Even more car manuals for everyone
Home >> Chevrolet >> 2005 >> Optra5 Base, Standard >> Repair and Diagnosis >> Transmission >> Automatic Trans >> Shift Lock Control >> Schematic and Routing Diagrams >> Automatic Transmission Shift Lock Control Schematics

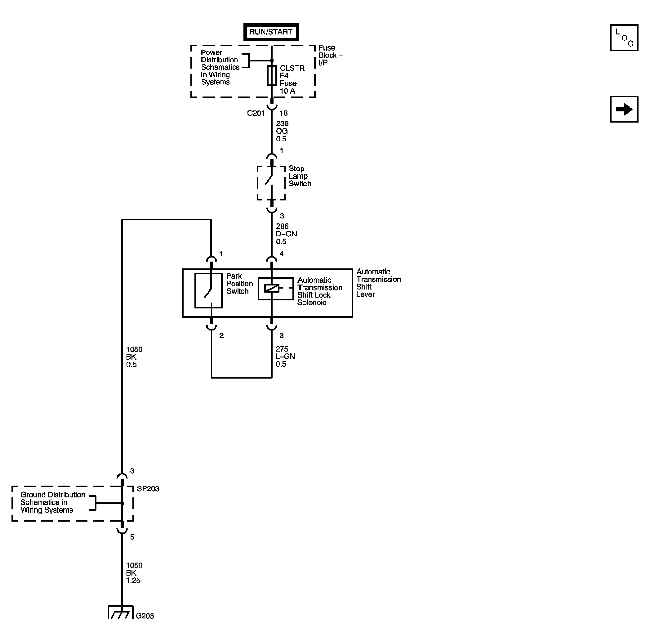
Automatic Transmission Shift Lock Control Schematics

Fig 1: w/Ignition Lock Cylinder Control Actuator Schematic
GM1376568Courtesy of GENERAL MOTORS CORP.
Fig 2: w/o Ignition Lock Cylinder Control Actuator Schematic
GM1376560Courtesy of GENERAL MOTORS CORP.