LEMON Manuals: Even more car manuals for everyone
Home >> Chevrolet >> 2005 >> Optra5 Base, Automatic >> Repair and Diagnosis >> Steering >> Steering Column >> Steering Wheel And Column >> Schematic and Routing Diagrams >> Column/Ignition Lock Schematics

Column/Ignition Lock Schematics

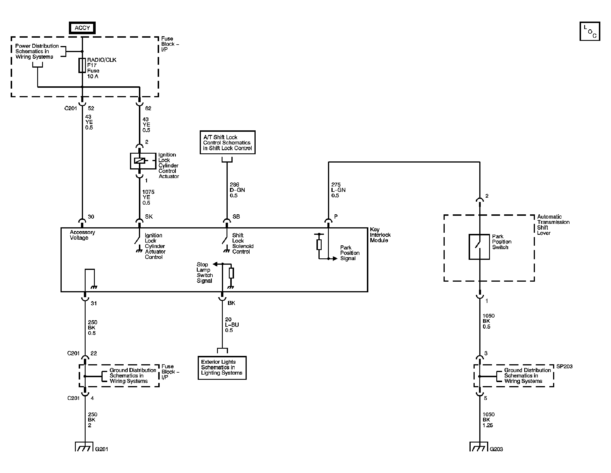
Fig 1: Ignition Lock Schematic
GM1471581Courtesy of GENERAL MOTORS CORP.