LEMON Manuals: Even more car manuals for everyone
Home >> Chevrolet >> 2005 >> Astro Van Passenger, AWD >> Repair and Diagnosis >> Engine Performance >> System >> Engine Controls - (Introduction) Specifications & Repair Instructions >> Schematic and Routing Diagrams >> Engine Controls Schematics

Engine Controls Schematics

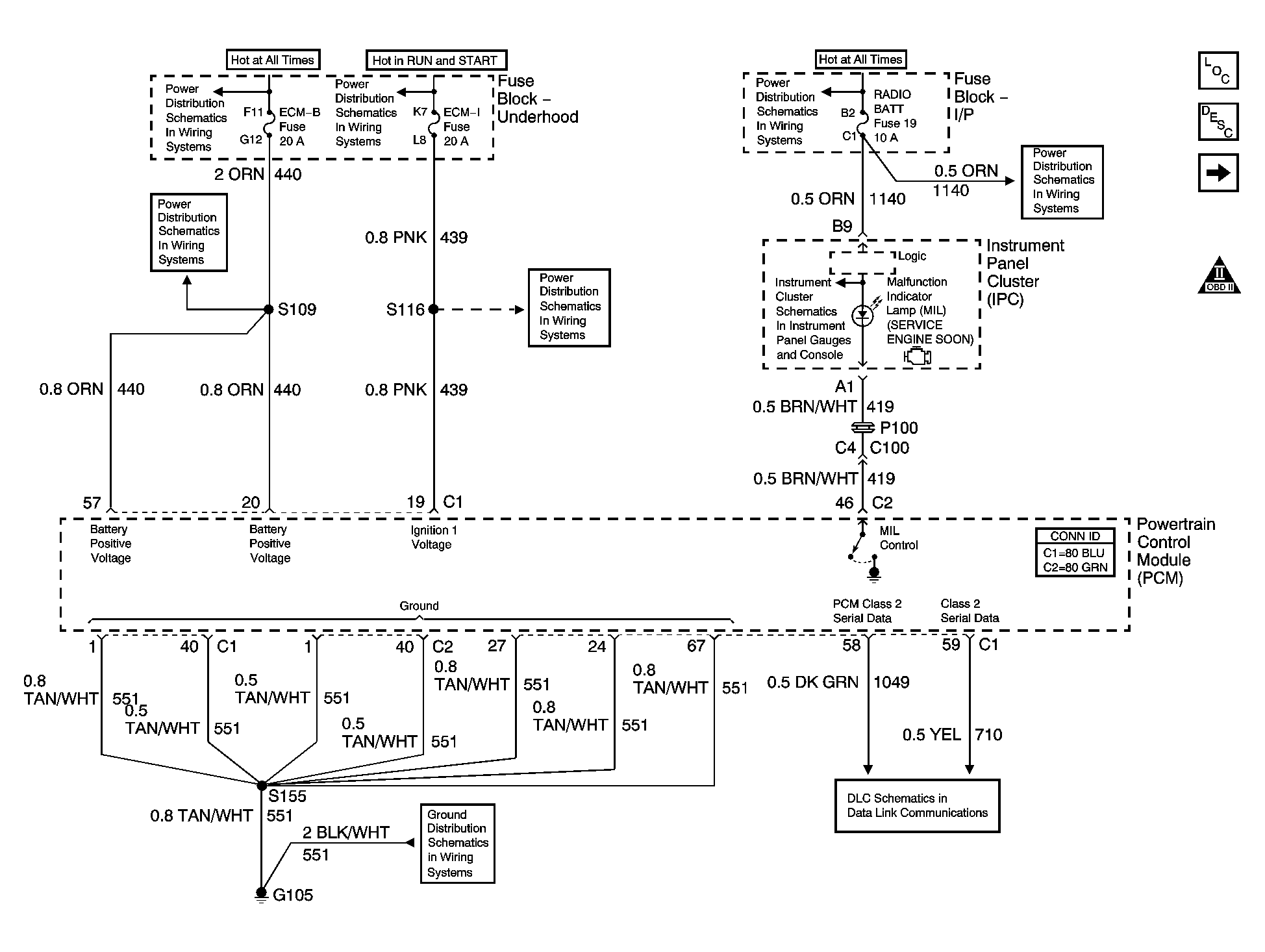
Fig 1: Module Power, Ground, Serial Data, & MIL Schematics
GM896186Courtesy of GENERAL MOTORS CORP.
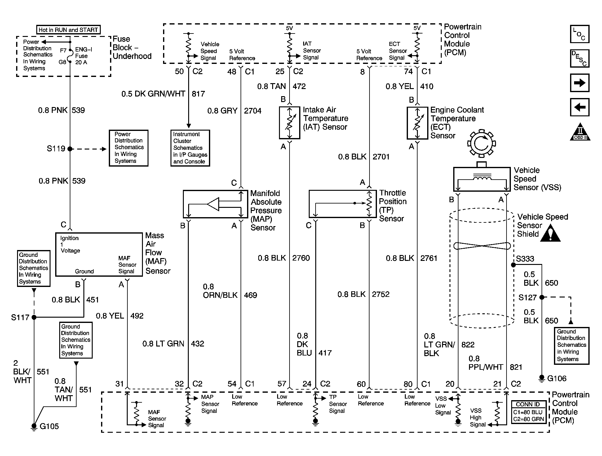
Fig 2: Engine Data Sensor Schematics
GM896187Courtesy of GENERAL MOTORS CORP.
Fig 3: Oxygen Sensors Schematics
GM896191Courtesy of GENERAL MOTORS CORP.
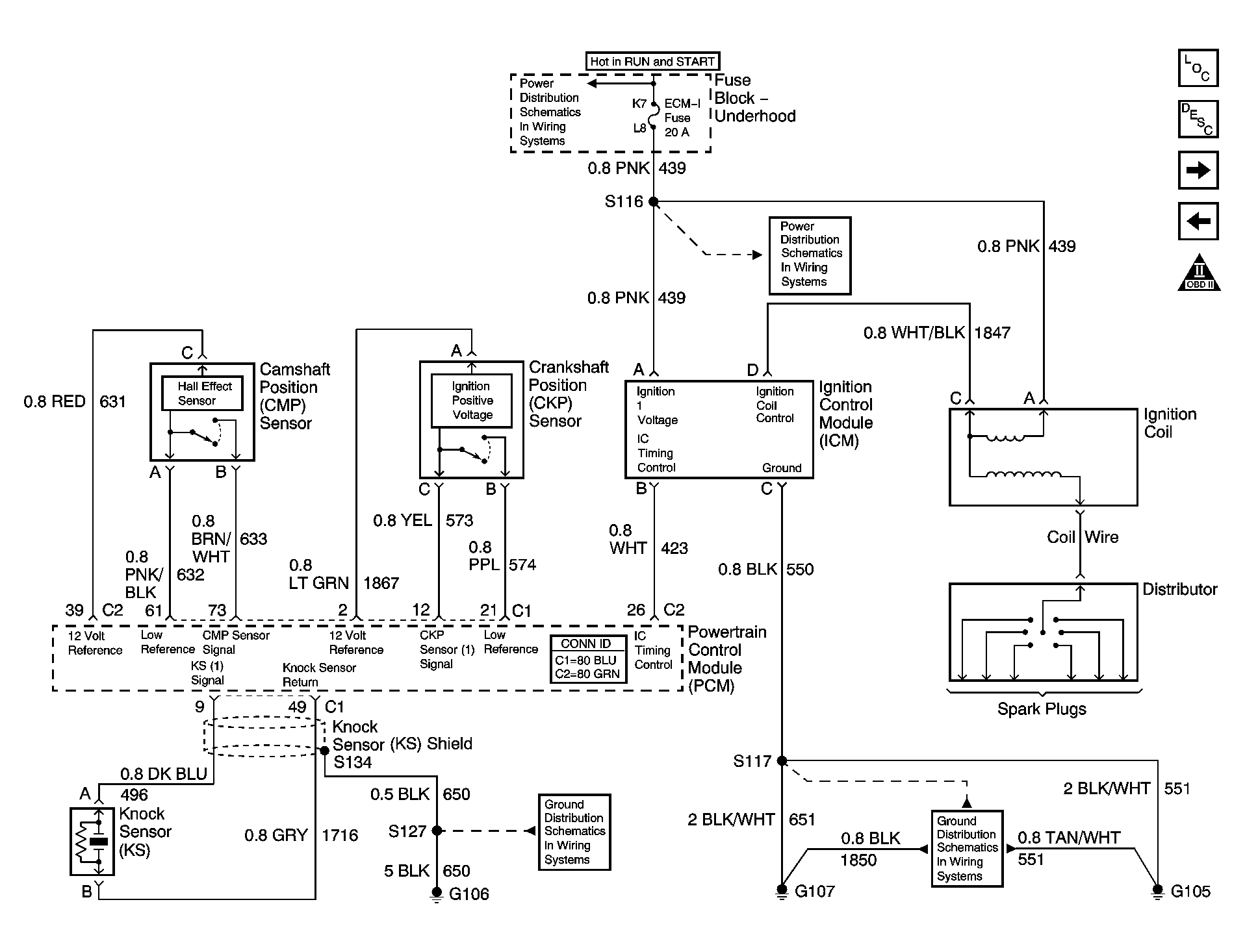
Fig 4: Ignition Controls Schematics
GM896195Courtesy of GENERAL MOTORS CORP.
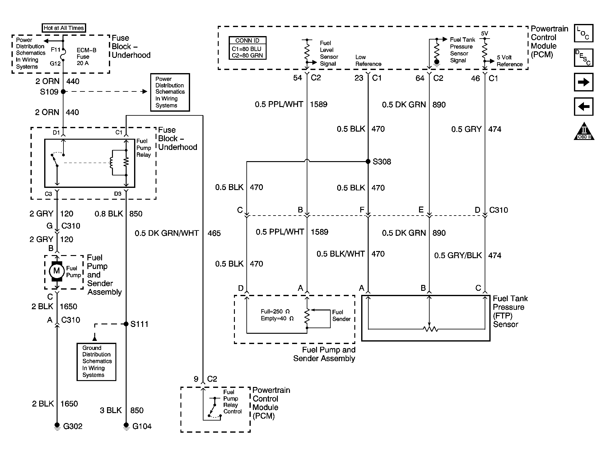
Fig 5: Fuel Controls Schematics
GM896198Courtesy of GENERAL MOTORS CORP.
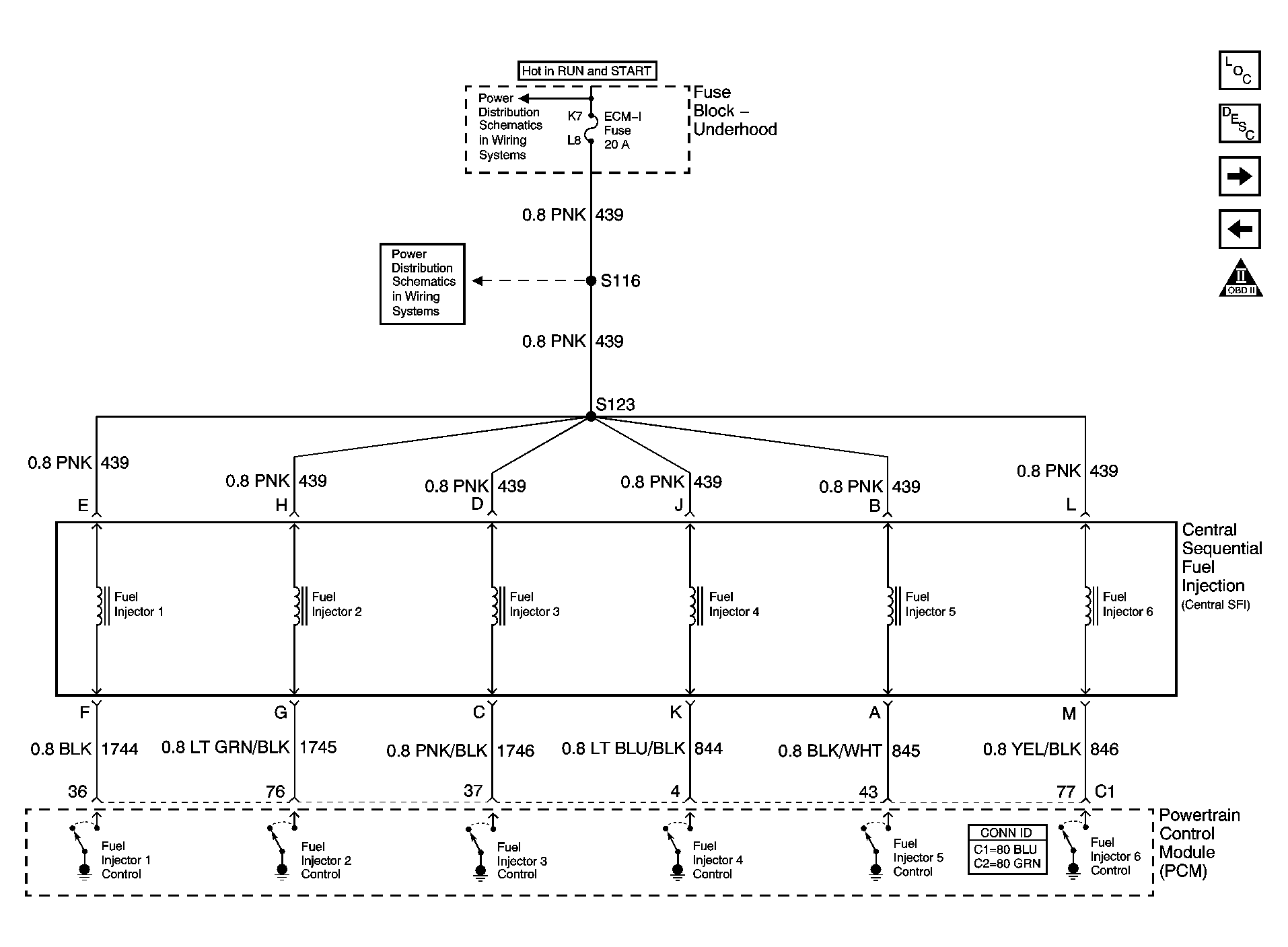
Fig 6: Fuel Injection Controls Schematics
GM896202Courtesy of GENERAL MOTORS CORP.
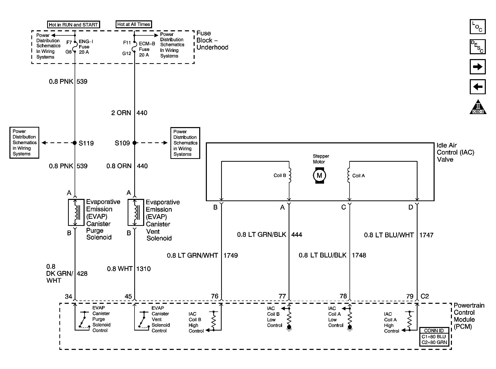
Fig 7: Fuel And Device Controls Schematics
GM896250Courtesy of GENERAL MOTORS CORP.
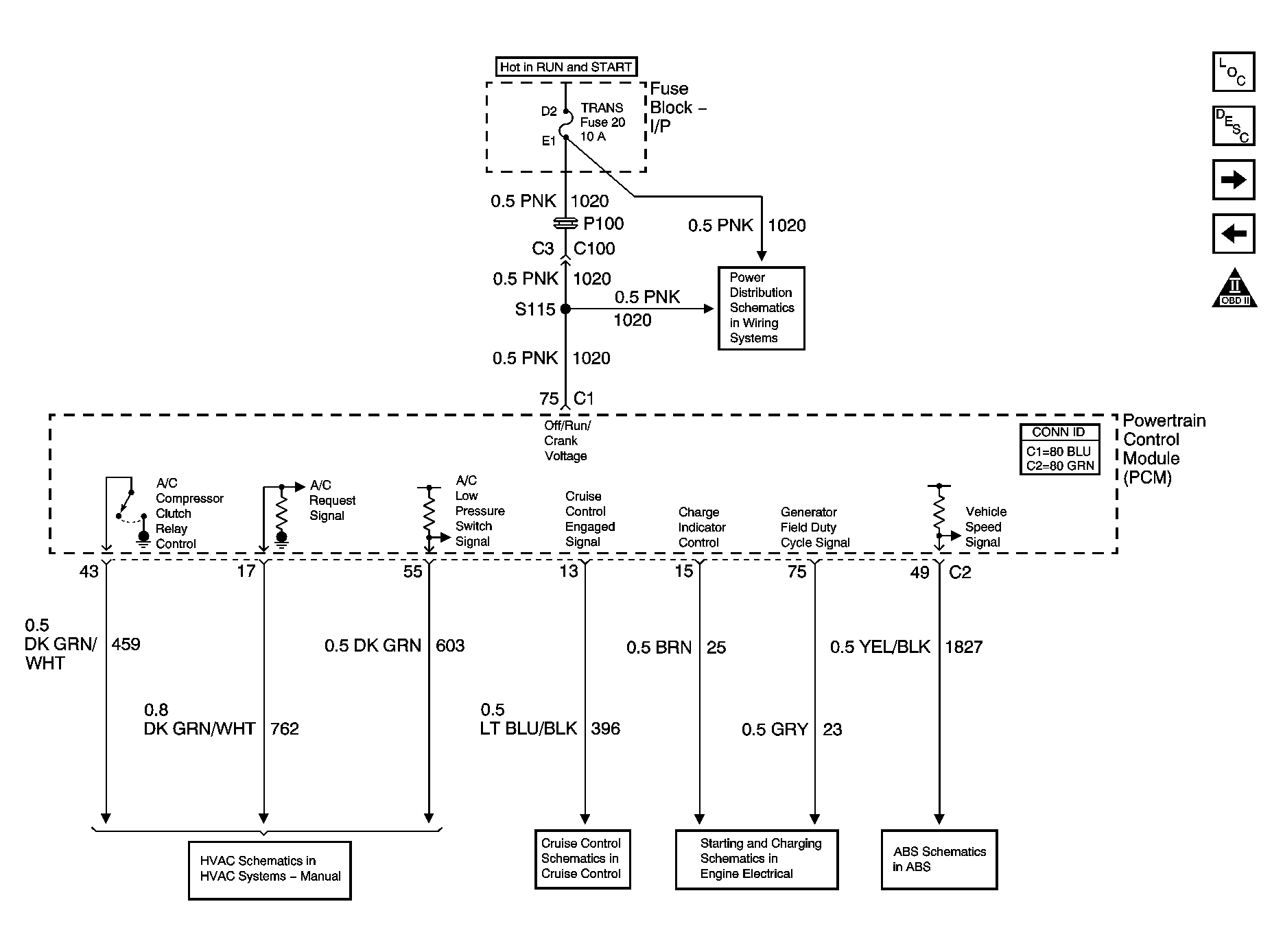
Fig 8: Controlled/Monitored Subsystem References Schematics
GM896257Courtesy of GENERAL MOTORS CORP.
Fig 9: Transmission Controls - A/T Schematics
GM896261Courtesy of GENERAL MOTORS CORP.