LEMON Manuals: Even more car manuals for everyone
Home >> Chevrolet >> 2004 >> Venture Base, Van Cargo Extended >> Repair and Diagnosis >> Engine Performance >> System >> Engine Control System - 3.4L (Introduction) >> Repair Instructions >> Powertrain Control Module (PCM) Replacement >> Removal Procedure

Removal Procedure

    IMPORTANT: It is necessary to record the remaining engine oil life. If the replacement module is not programed with the remaining engine oil life, the engine oil life will default to 100%. If the replacement module is not programmed with the remaining engine oil life, the engine oil will need to be changed at 5000 km (3,000 mi) from the last engine oil change.
  1. Using a scan tool, retrieve the percentage of remaining engine oil. Record the remaining engine oil life.
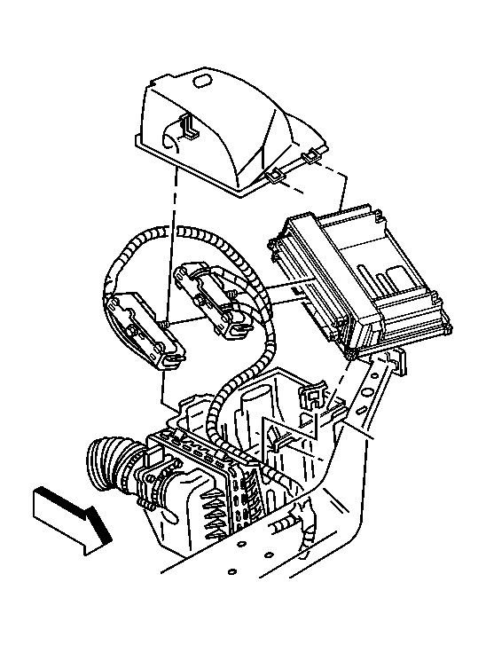
  2. Fig 1: Locating PCM Components
    GM263200Courtesy of GENERAL MOTORS CORP.
  3. Remove the coolant reservoir retaining fastener.
  4. Remove the coolant reservoir and set aside.
  5. Remove the 3 bolts from the strut brace.
  6. Remove the left front strut brace.
  7. Loosen the two bolts the PCM cover and remove the PCM cover from the air cleaner housing.
  8. Remove the PCM from the air cleaner housing.
  9. Disconnect the PCM electrical connectors.