LEMON Manuals: Even more car manuals for everyone
Home >> Chevrolet >> 2004 >> Venture Base, Van Cargo Extended >> Repair and Diagnosis >> Engine Performance >> System >> Engine Control System - 3.4L (Introduction) >> Repair Instructions >> Manifold Absolute Pressure (MAP) Sensor Replacement >> Installation Procedure

Installation Procedure

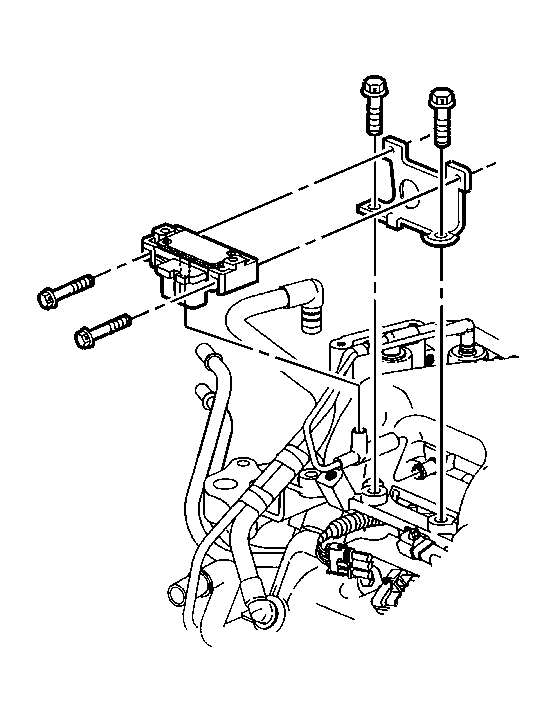
    Fig 1: View Of MAP Sensor
    GM54360Courtesy of GENERAL MOTORS CORP.
  1. Position the MAP sensor to the bracket.
  2. Connect the MAP inlet vacuum hose.
  3. Connect the MAP sensor electrical connector.
  4. NOTE: Refer to Fastener Notice in Cautions and Notices.
  5. Install the screws.

    Tighten:  Tighten the screws to 3 N.m (27 lb in).