LEMON Manuals: Even more car manuals for everyone
Home >> Chevrolet >> 2004 >> Venture Base, Van Cargo Extended >> Repair and Diagnosis >> Engine Performance >> System >> Engine Control System - 3.4L (Introduction) >> Repair Instructions >> Accelerator Controls Cable Bracket Replacement >> Installation Procedure

Installation Procedure

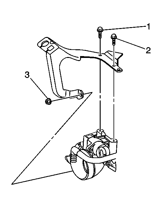
    Fig 1: Locating Accelerator Cable Bracket Components
    GM260171Courtesy of GENERAL MOTORS CORP.
  1. Position the accelerator cable bracket on the throttle body.
  2. NOTE: Refer to Fastener Notice in Cautions and Notices.
  3. Install the nut (3) and bolts (1, 2).

    Tighten: 

    • Tighten the bolts in sequence (2, 1) to 13 N.m (115 lb in).
    • Tighten the nut in sequence (3) to 10 N.m (89 lb in).

  4. Install the wire harness into the retainer.
  5. Install the air intake duct. Refer to Air Cleaner Intake Duct Replacement .