LEMON Manuals
: Even more car manuals for everyone
Home
>>
Chevrolet
>>
2004
>>
Venture Base, Van Cargo Extended
>>
Repair and Diagnosis
>>
Engine Performance
>>
System
>>
Engine Control System - 3.4L (Introduction)
>>
Description and Operation
>>
Fuel System Description
>>
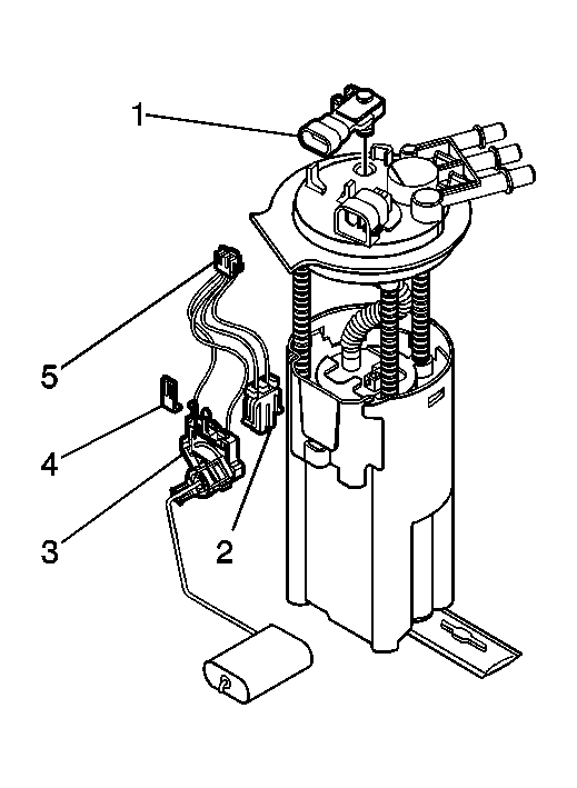
Fuel Sender Assembly
Fuel Sender Assembly
Fig 1: View Of Fuel Sender Assembly
Courtesy of GENERAL MOTORS CORP.
The fuel sender assembly consists of the following major components:
The fuel level sensor
The fuel tank pressure (FTP) sensor (1)
The fuel tank pump module
The fuel strainer