LEMON Manuals: Even more car manuals for everyone
Home >> Chevrolet >> 2004 >> Tracker 4WD >> Repair and Diagnosis >> Engine Performance >> System >> Engine Control System - 2.5L (LE8) (Introduction) >> Schematic and Routing Diagrams >> Engine Controls Schematics

Engine Controls Schematics

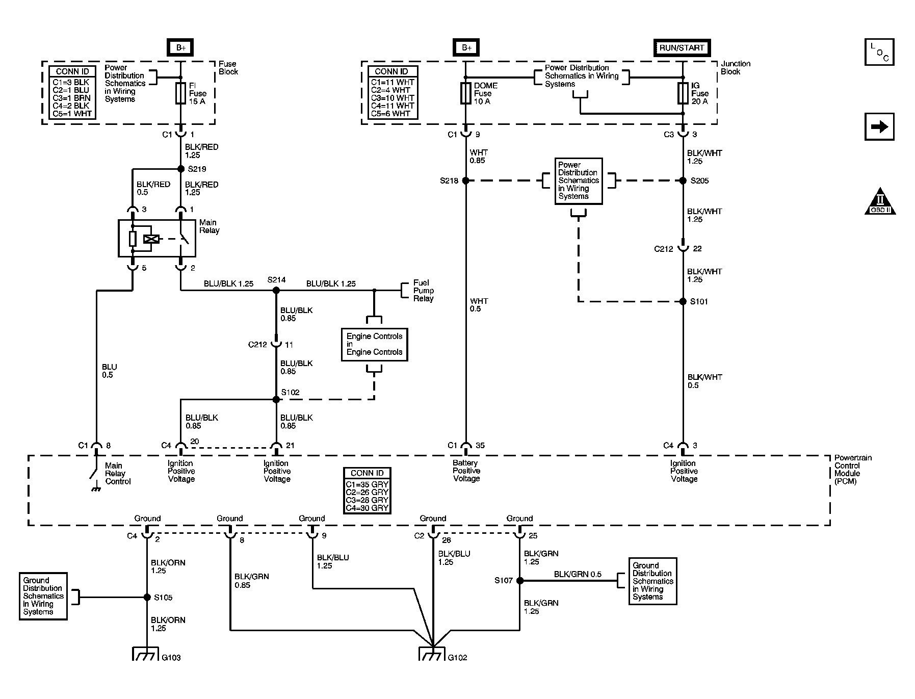
Fig 1: Main Relay and Powertrain Control Module (PCM) Power and Ground Schematic
GM883478Courtesy of GENERAL MOTORS CORP.
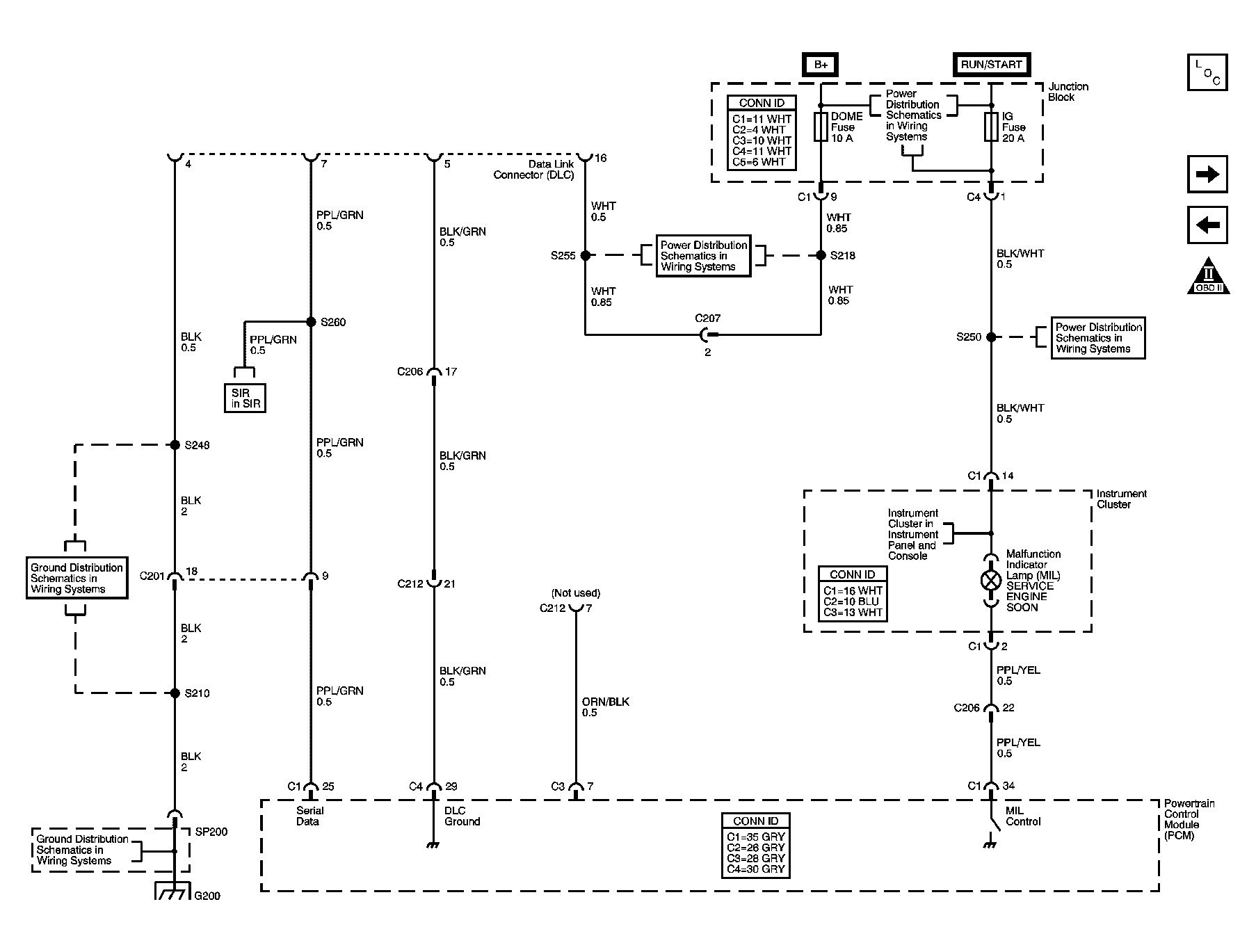
Fig 2: Data Link Connector (DLC), Malfunction Indicator Lamp (MIL) Schematic
GM883479Courtesy of GENERAL MOTORS CORP.
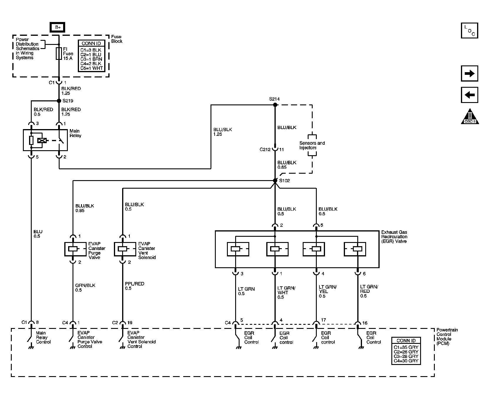
Fig 3: Exhaust Gas Recirculation (EGR) Valve and EVAP Solenoids Schematic
GM883480Courtesy of GENERAL MOTORS CORP.
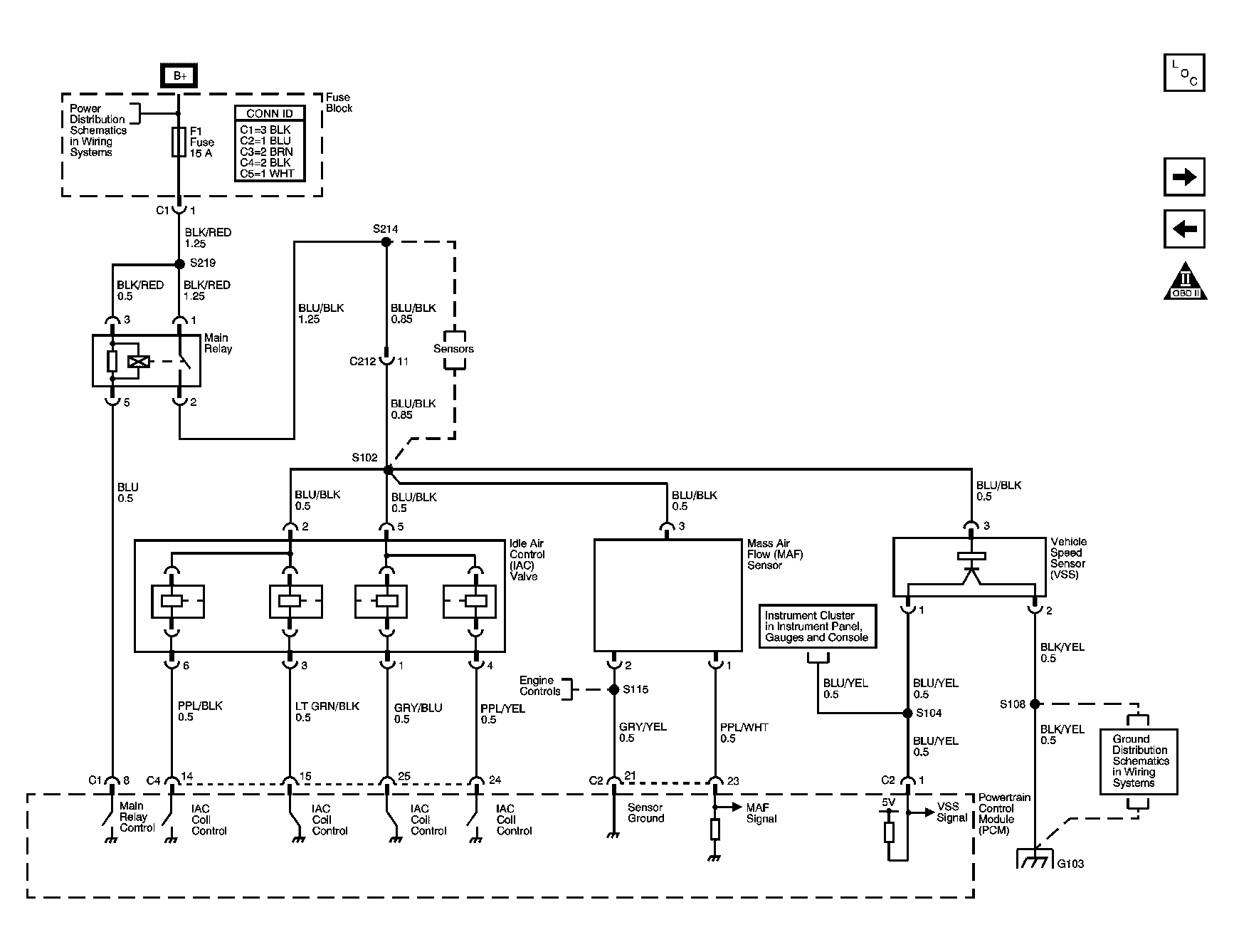
Fig 4: Idle Air Control (IAC) Valve, Mass Air Flow (MAF) Sensor, Vehicle Speed Sensor (VSS) Schematic
GM883481Courtesy of GENERAL MOTORS CORP.
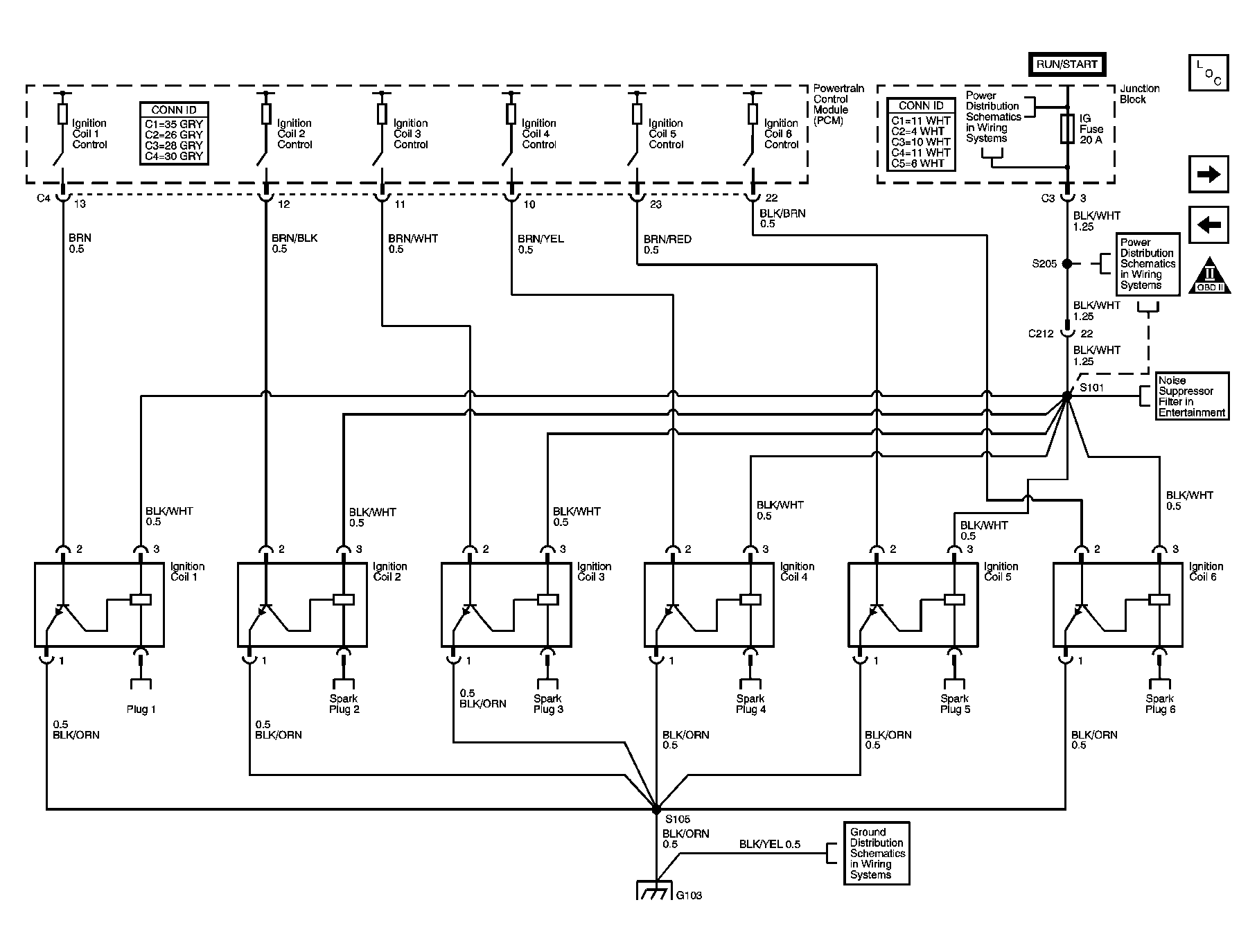
Fig 5: Ignition System Schematic
GM883482Courtesy of GENERAL MOTORS CORP.
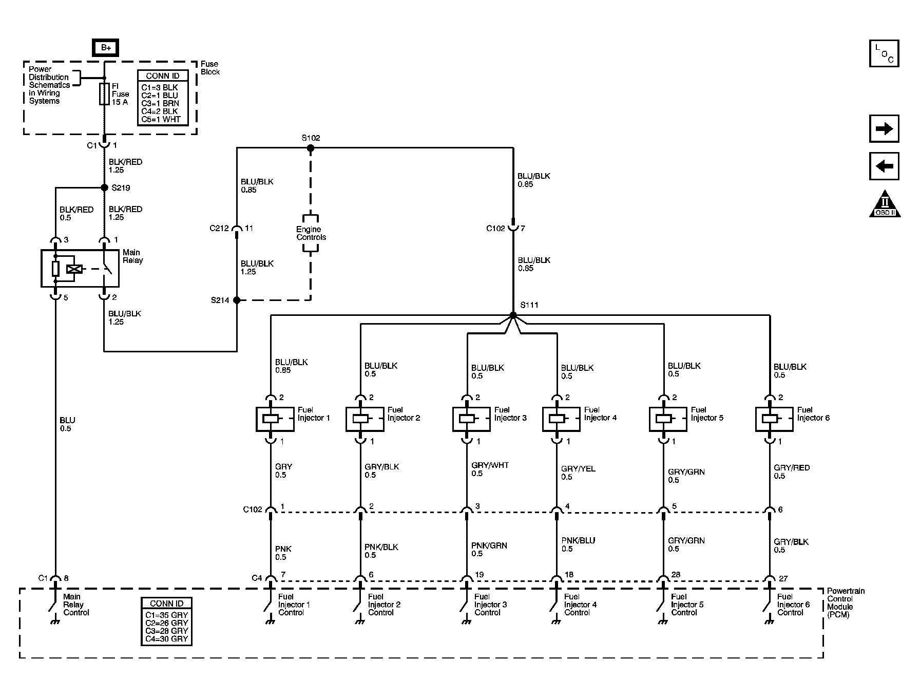
Fig 6: Fuel Injectors Schematic
GM883484Courtesy of GENERAL MOTORS CORP.
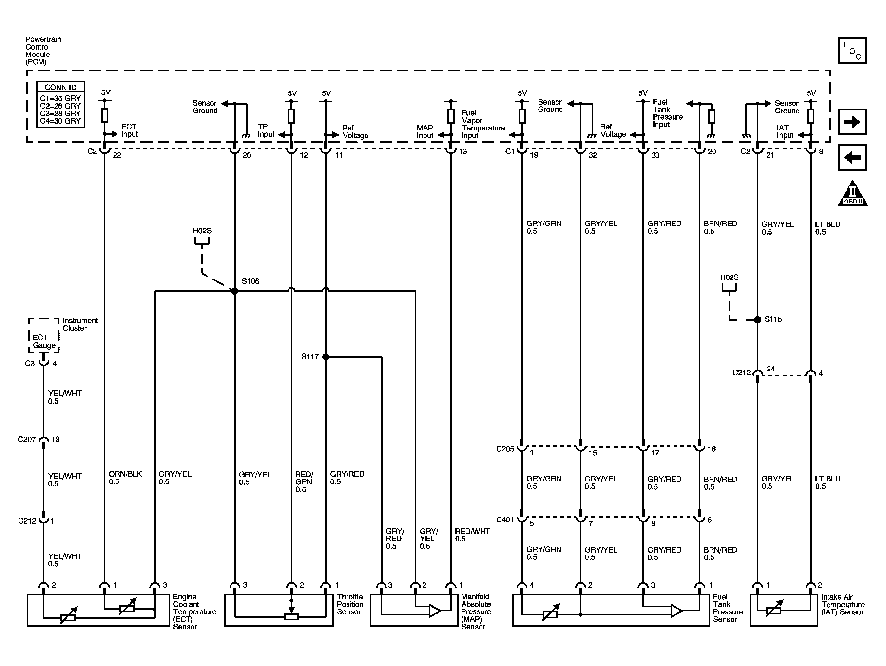
Fig 7: ECT, TP, MAP, FTP and IAT Sensors Schematic
GM883486Courtesy of GENERAL MOTORS CORP.
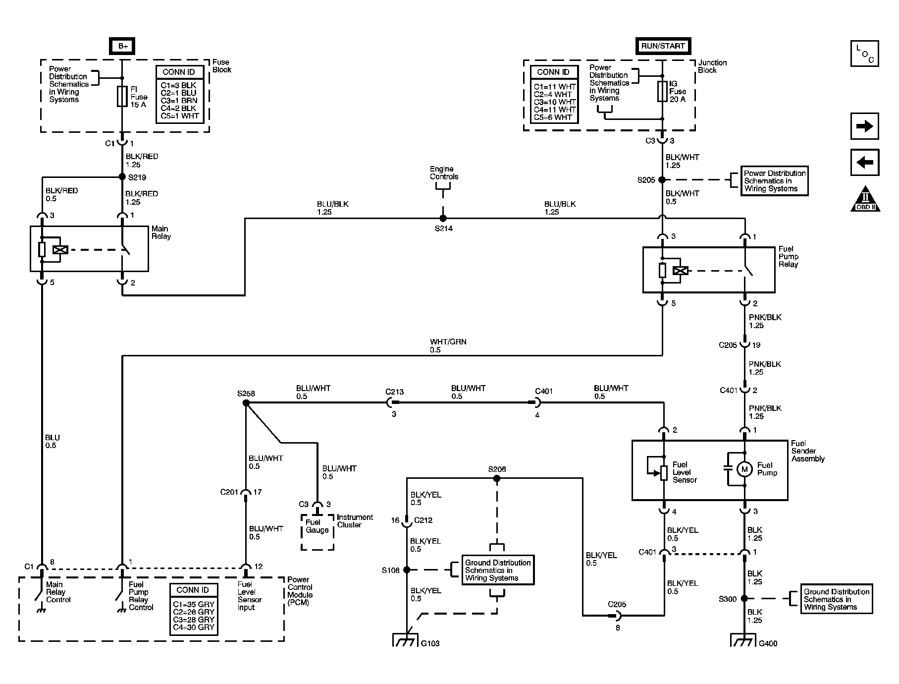
Fig 8: Fuel Pump and Fuel Sender Assembly Schematic
GM883487Courtesy of GENERAL MOTORS CORP.
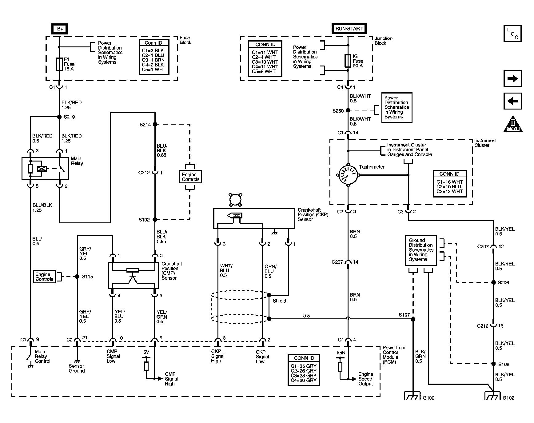
Fig 9: Camshaft Position (CMP), Crankshaft Position (CKP) and Knock Sensors (KS) Schematic
GM883489Courtesy of GENERAL MOTORS CORP.
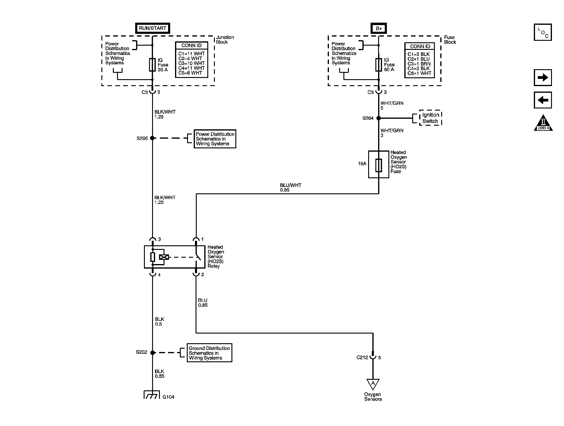
Fig 10: Heated Oxygen Sensors (HO2S) Fuse and Relay Schematic
GM883491Courtesy of GENERAL MOTORS CORP.
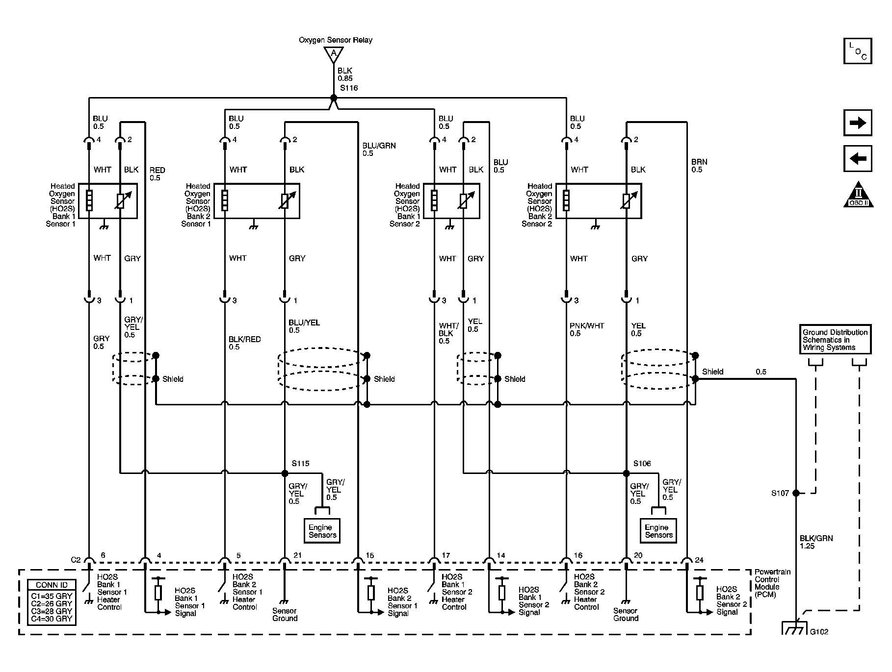
Fig 11: Heated Oxygen Sensors (HO2S) Schematic
GM883492Courtesy of GENERAL MOTORS CORP.
Fig 12: Transmission Range Switch Schematic
GM883494Courtesy of GENERAL MOTORS CORP.
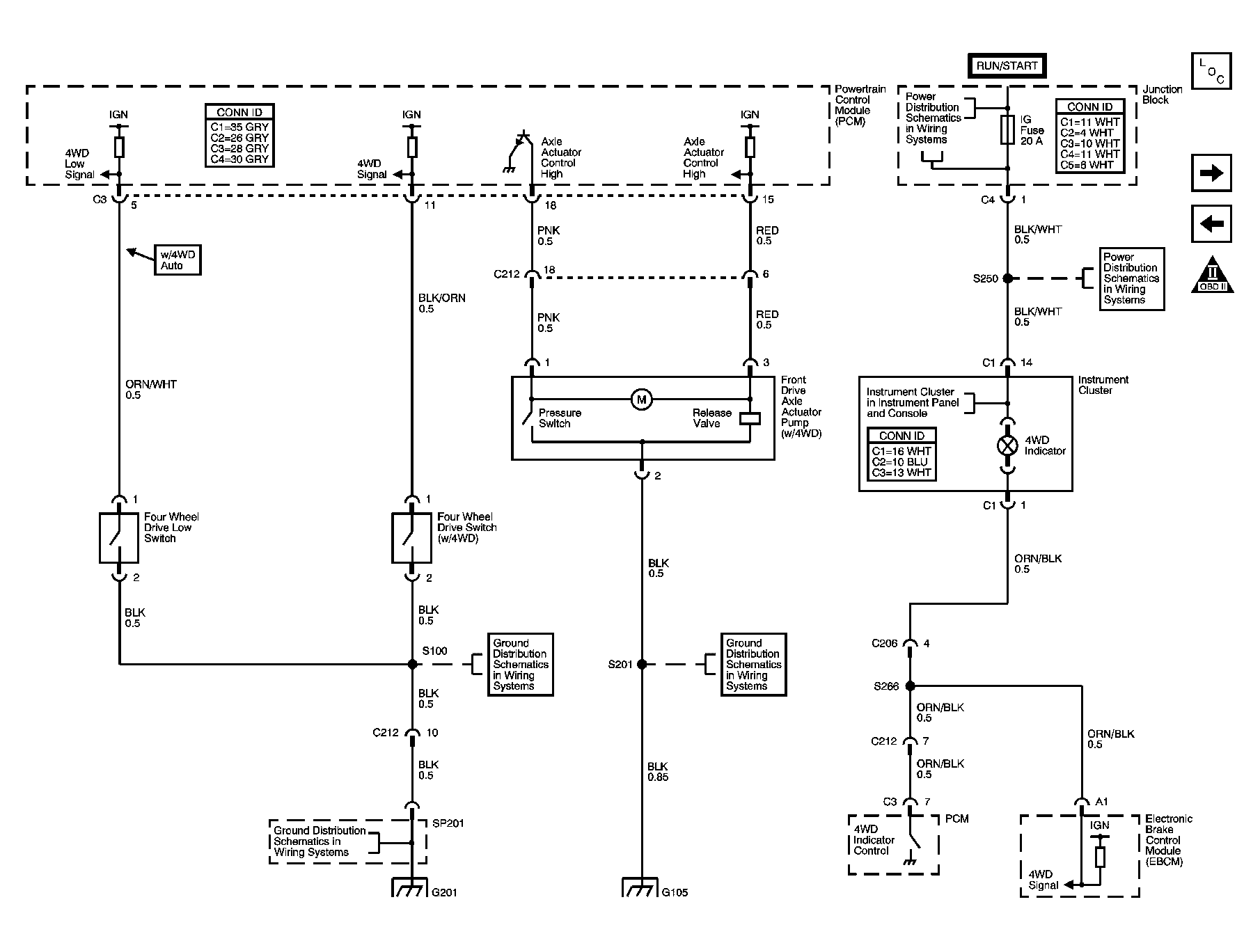
Fig 13: Four Wheel Drive Switches and Indicator, Front Drive Axle Actuator Pump Schematic
GM883495Courtesy of GENERAL MOTORS CORP.
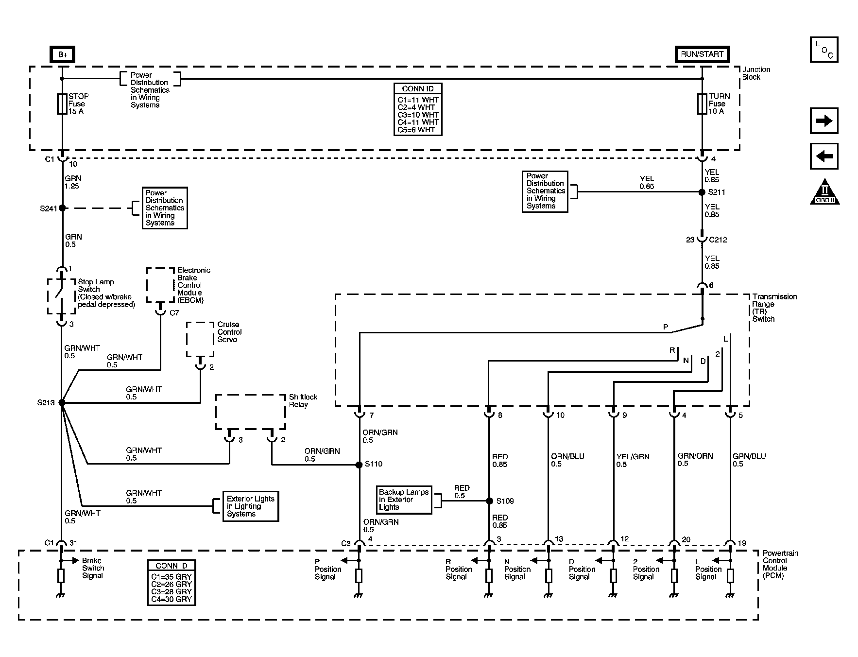
Fig 14: Stoplamp Switch, Transmission Range Switch Schematic
GM883497Courtesy of GENERAL MOTORS CORP.
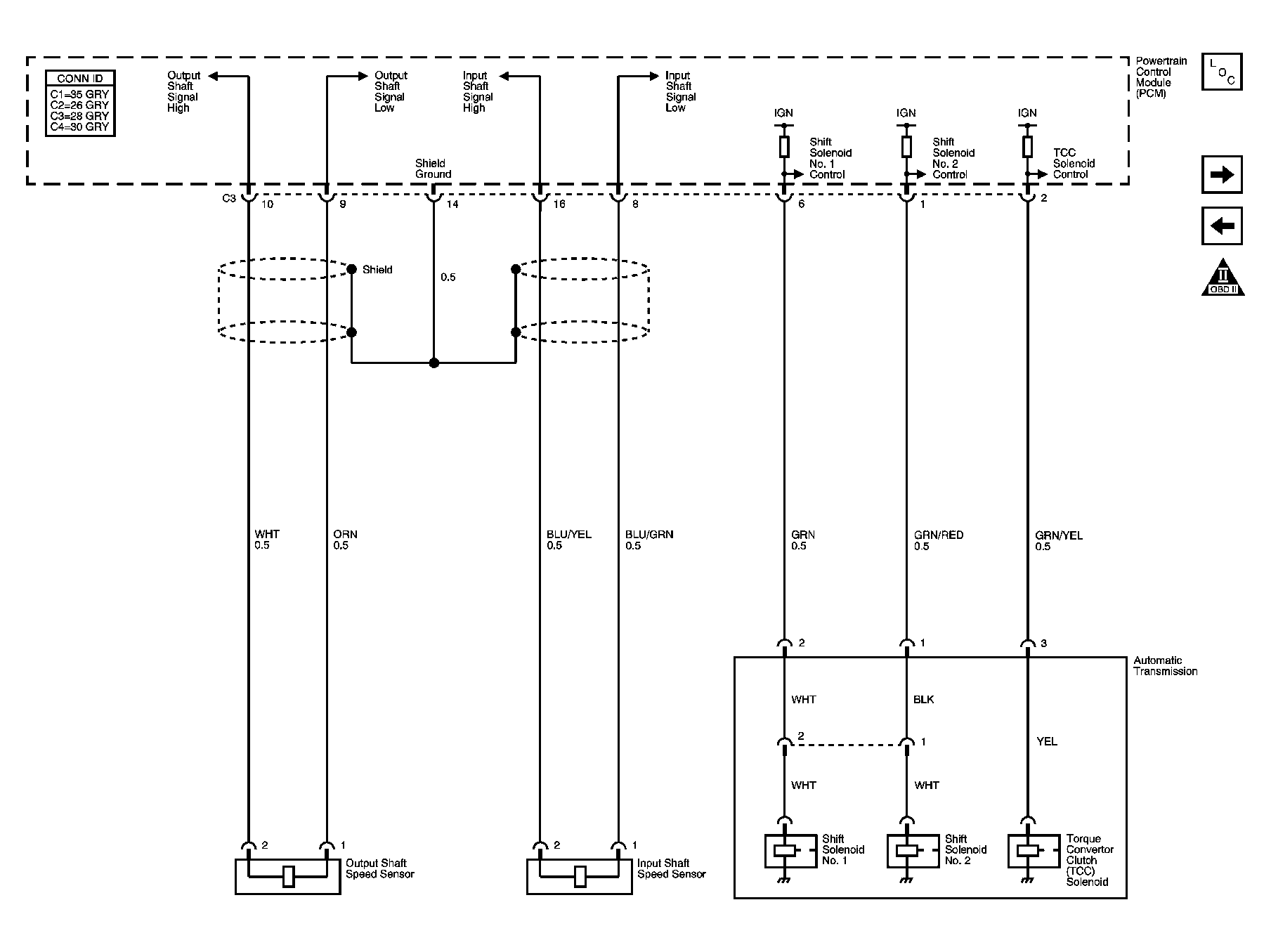
Fig 15: Input and Output Shaft Speed Sensors, Torque Converter Clutch (TCC) Solenoid Schematic
GM883498Courtesy of GENERAL MOTORS CORP.
Fig 16: Overdrive Switch and Indicator, Shift Program Switch and Indicator Schematic
GM883499Courtesy of GENERAL MOTORS CORP.
Fig 17: Powertrain Control Module (PCM) Idle-Up Inputs Schematic
GM884486Courtesy of GENERAL MOTORS CORP.