LEMON Manuals: Even more car manuals for everyone
Home >> Chevrolet >> 2004 >> Tracker 4WD >> Repair and Diagnosis >> Engine Performance >> System >> Engine Control System - 2.0L (Introduction) >> Schematic and Routing Diagrams >> Engine Controls Schematics

Engine Controls Schematics

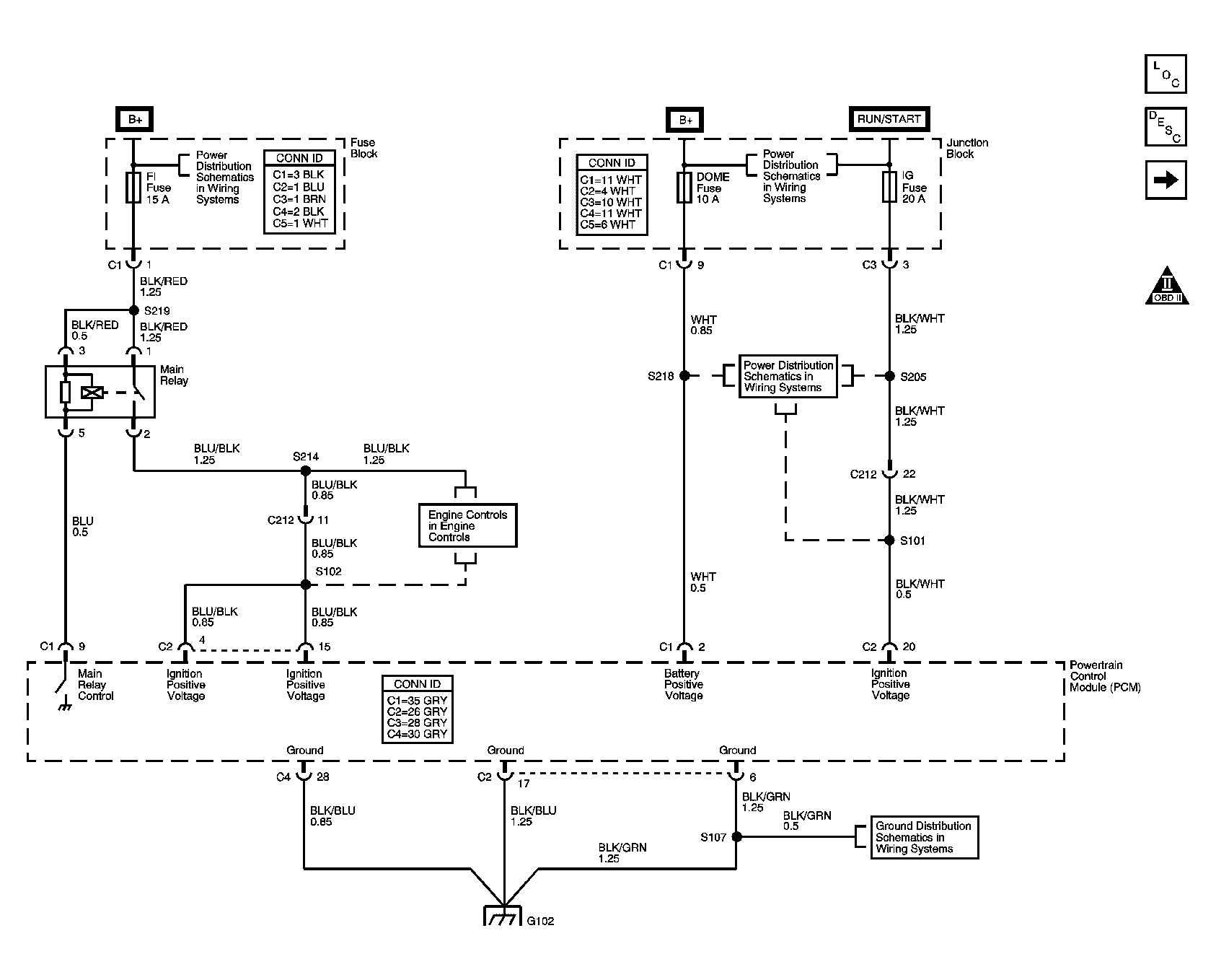
Fig 1: Main Relay, Powertrain Control Module (PCM) Power and Ground
GM883455Courtesy of GENERAL MOTORS CORP.
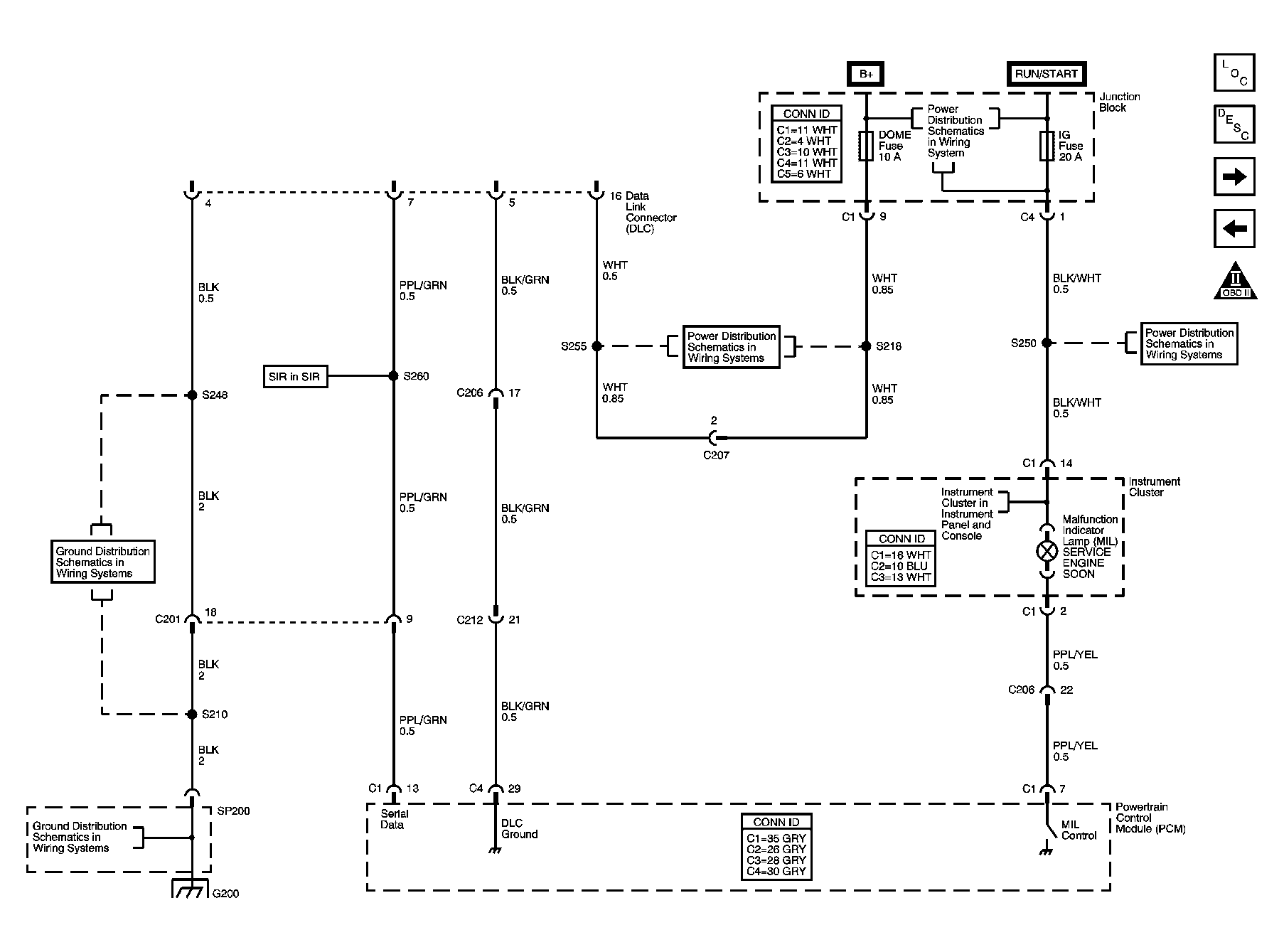
Fig 2: Data Link Connector (DLC) and Malfunction Indicator Lamp (MIL)
GM883456Courtesy of GENERAL MOTORS CORP.
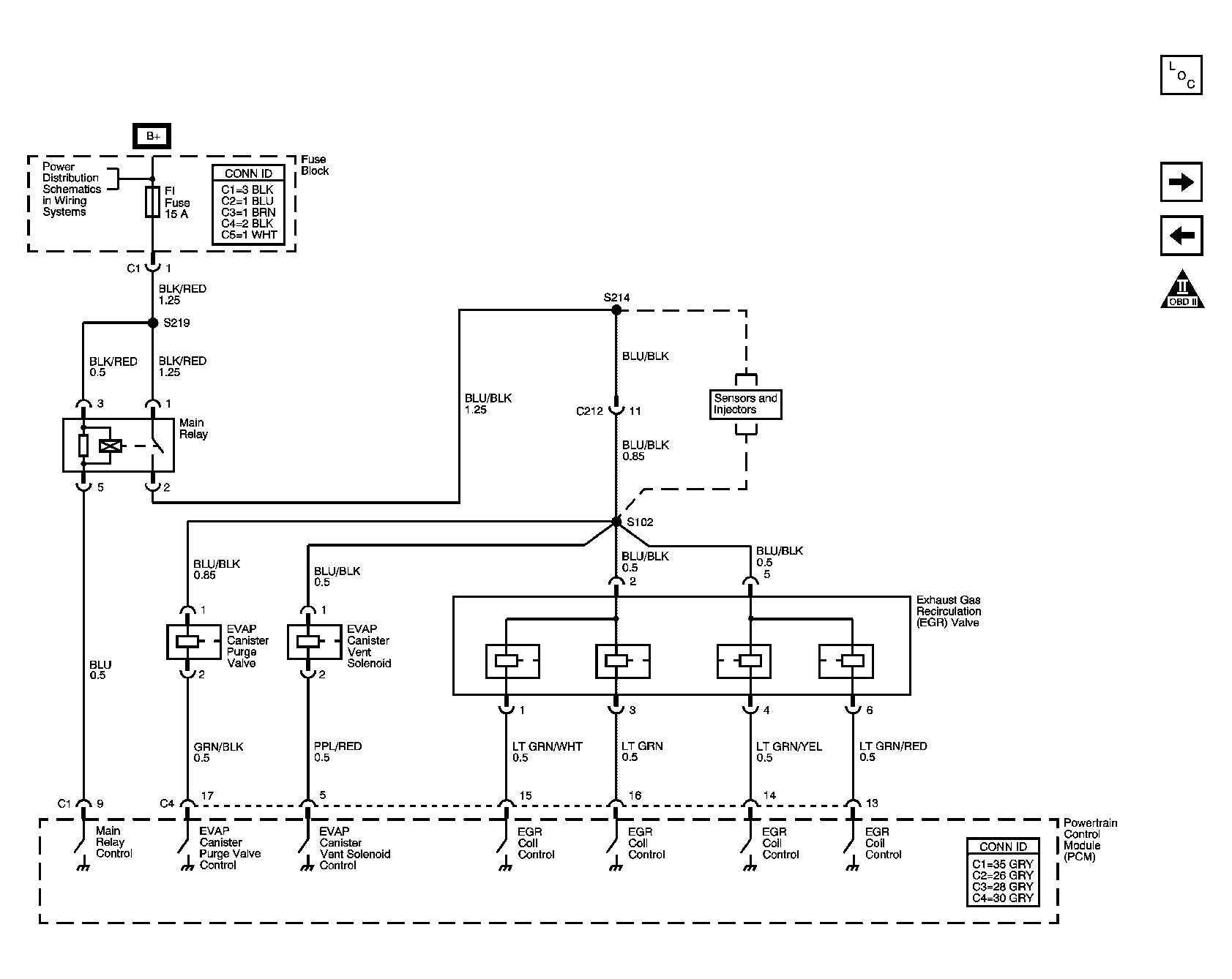
Fig 3: Exhaust Gas Recirculation (EGR) Valve and EVAP Solenoids
GM883457Courtesy of GENERAL MOTORS CORP.
Fig 4: Idle Air Control (IAC) Valve, Mass Air Flow (MAF) Sensor, Vehicle Speed Sensor (VSS)
GM883458Courtesy of GENERAL MOTORS CORP.
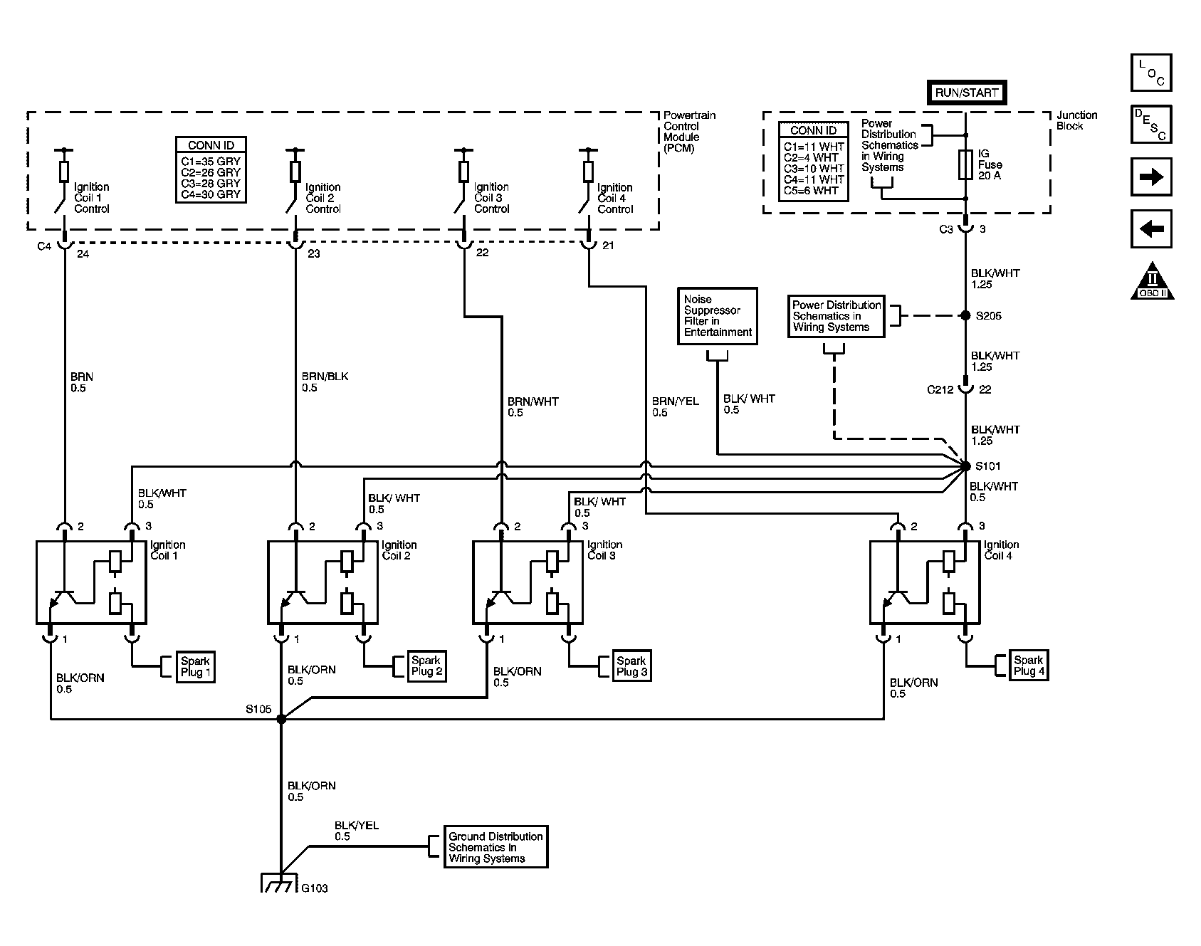
Fig 5: Ignition System
GM883460Courtesy of GENERAL MOTORS CORP.
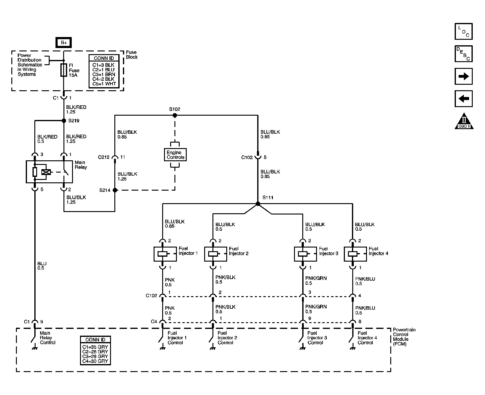
Fig 6: Fuel Injectors
GM883461Courtesy of GENERAL MOTORS CORP.
Fig 7: ECT, IAT, MAP, TP and FTP Sensors
GM883463Courtesy of GENERAL MOTORS CORP.
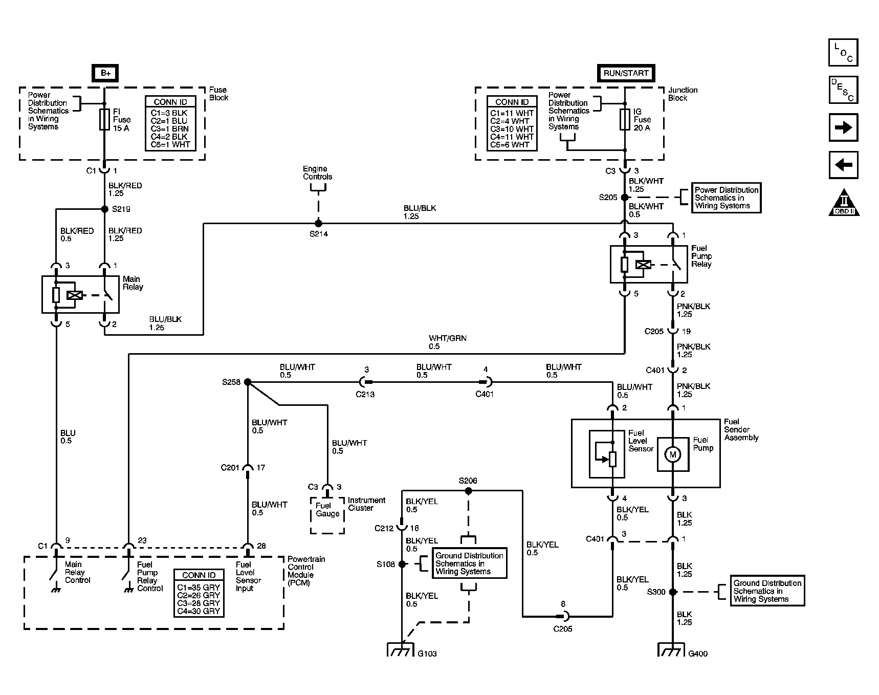
Fig 8: Fuel Pump Relay and Fuel Sender Assembly
GM883465Courtesy of GENERAL MOTORS CORP.
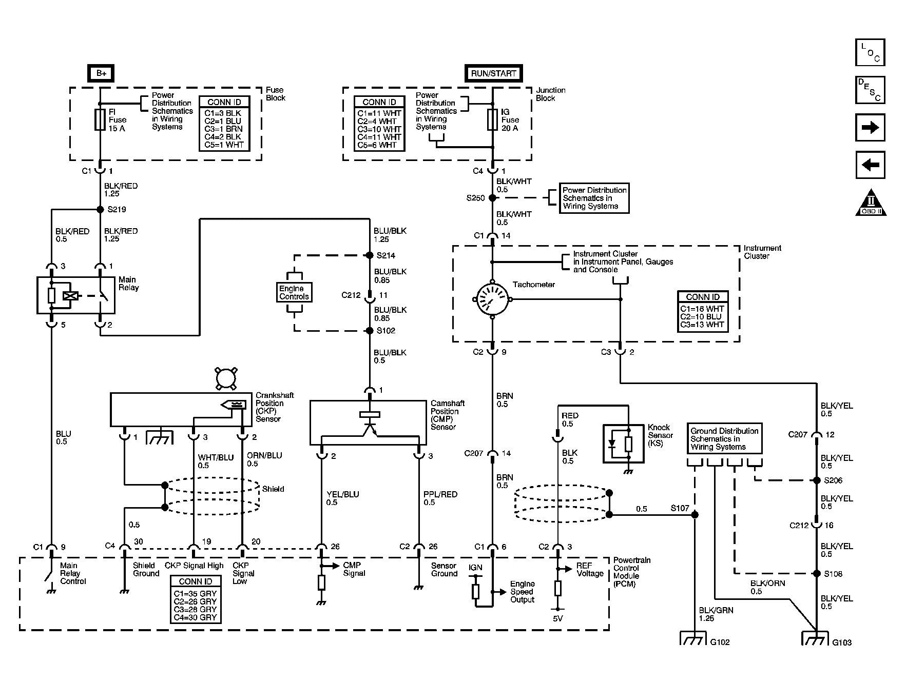
Fig 9: Crankshaft Position (CKP), Camshaft Position (CMP) and Knock Sensors (KS)
GM883466Courtesy of GENERAL MOTORS CORP.
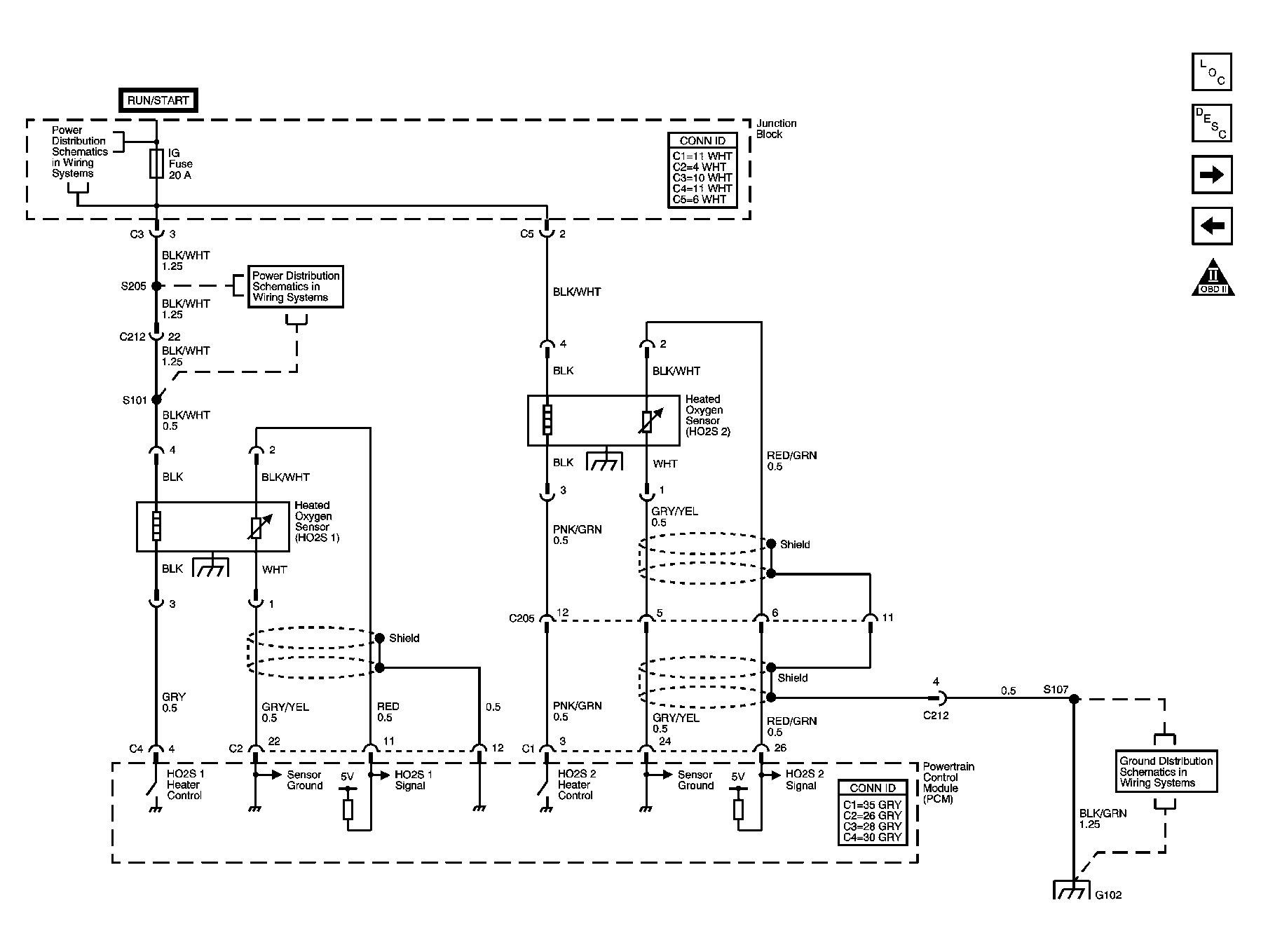
Fig 10: Heated Oxygen Sensors (HO2S)
GM1309671Courtesy of GENERAL MOTORS CORP.
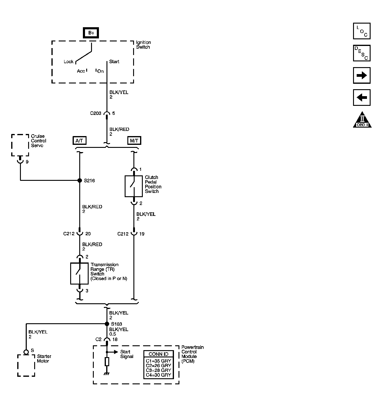
Fig 11: Transmission Range Switch, Clutch Pedal Position Switch
GM883469Courtesy of GENERAL MOTORS CORP.
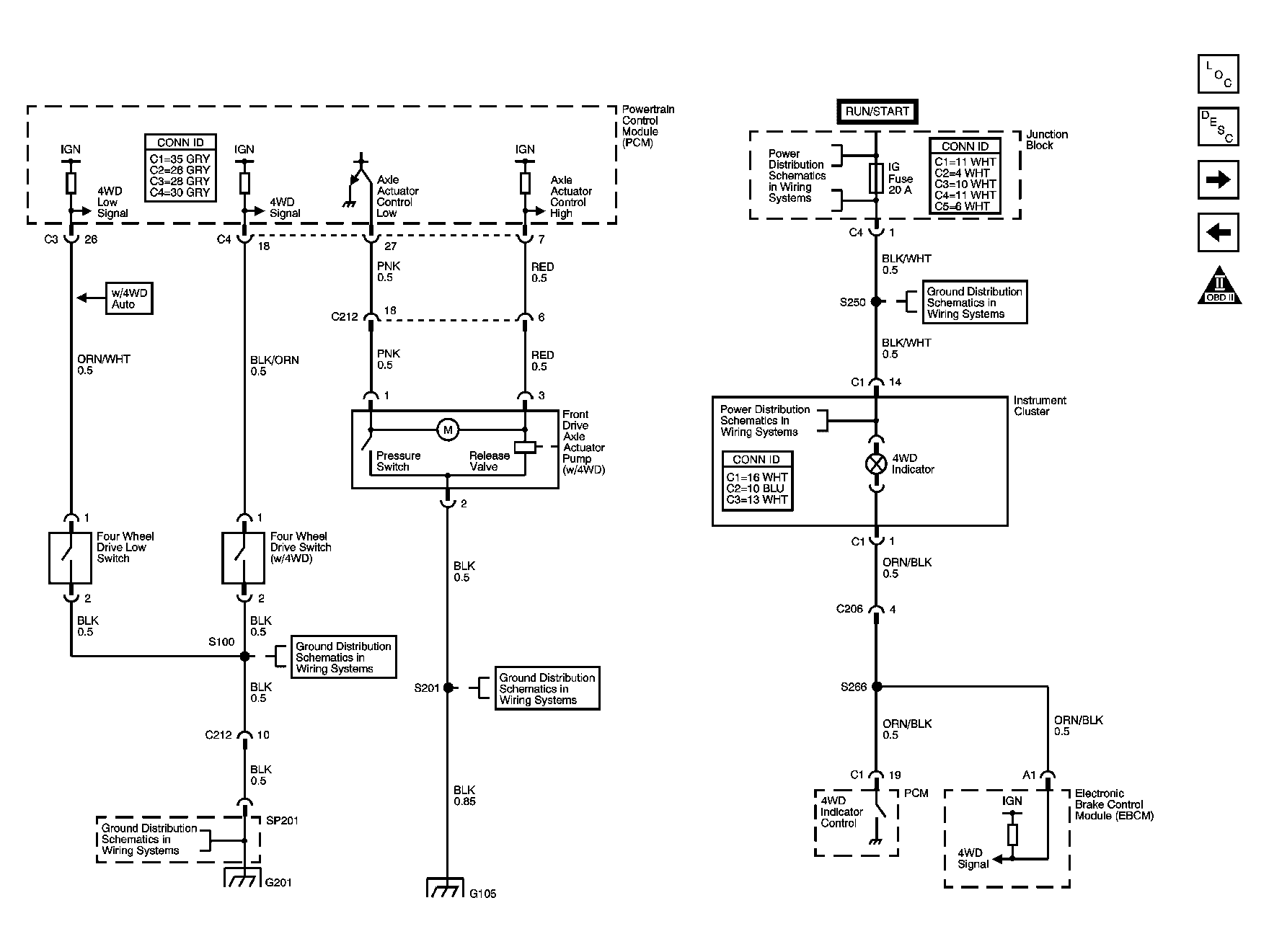
Fig 12: Four Wheel Drive Switches and Front Drive Axle Actuator Pump
GM883470Courtesy of GENERAL MOTORS CORP.
Fig 13: Stoplamp Switch and Transmission Range Switch
GM883472Courtesy of GENERAL MOTORS CORP.
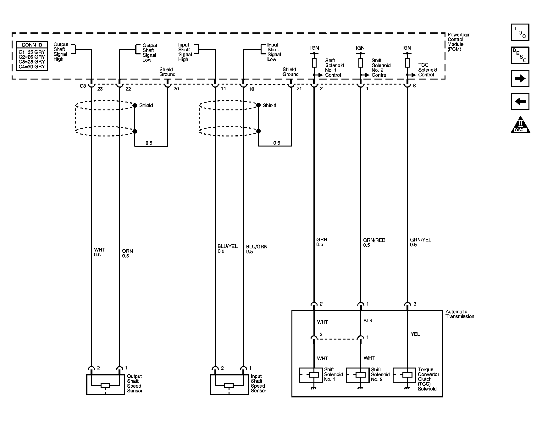
Fig 14: Input and Output Shaft Speed Sensors, Torque Converter Clutch (TCC) Solenoid
GM883473Courtesy of GENERAL MOTORS CORP.
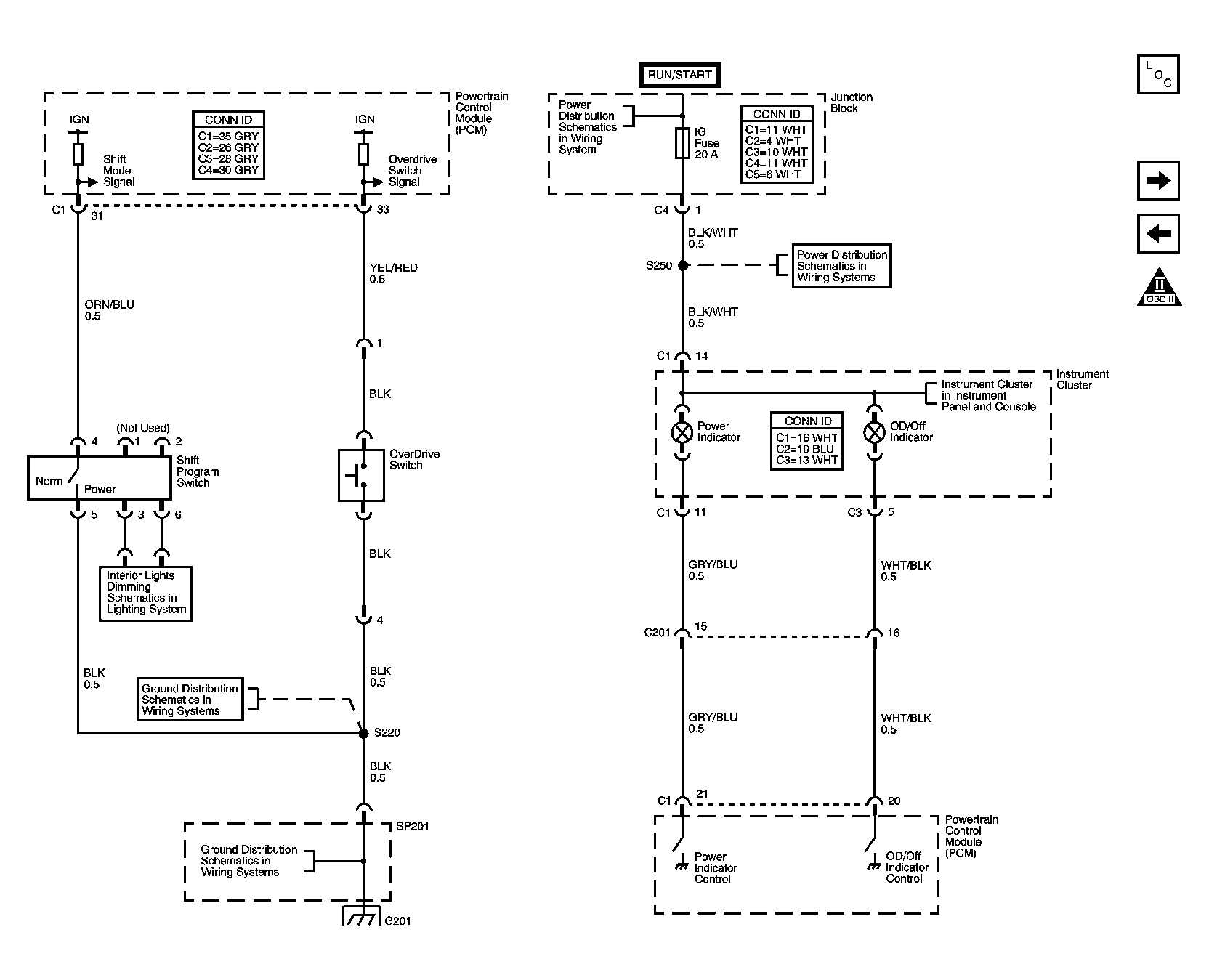
Fig 15: Overdrive Switch and Shift Program Switch
GM883475Courtesy of GENERAL MOTORS CORP.
Fig 16: Powertrain Control Module (PCM) Idle-Up Inputs
GM883476Courtesy of GENERAL MOTORS CORP.