LEMON Manuals: Even more car manuals for everyone
Home >> Chevrolet >> 2004 >> Tracker 4WD >> Repair and Diagnosis >> Engine Performance >> System >> Engine Control System - 2.0L (Introduction) >> Repair Instructions >> Accelerator Controls Pedal Replacement >> Installation Procedure

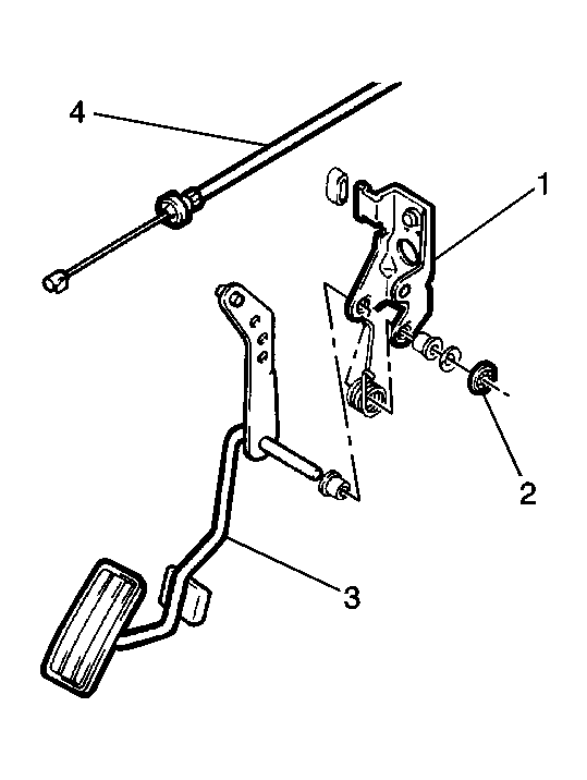
Installation Procedure

    IMPORTANT: Be sure to install the spring while sliding the accelerator pedal into the mounting bracket.
  1. Install the accelerator pedal (3) to the mounting bracket (1).
  2. Secure the accelerator pedal with a new accelerator pedal push nut (2).
  3. Connect the accelerator control cable (4) to the accelerator pedal.
  4. Inspect the accelerator pedal free play and the accelerator control cable end play. Adjust as necessary.
  5. Fig 1: View Of Accelerator Control Cable, Pedal, Mounting Bracket & Pedal Push Nut
    GM55194Courtesy of GENERAL MOTORS CORP.