LEMON Manuals: Even more car manuals for everyone
Home >> Chevrolet >> 2004 >> SSR >> Repair and Diagnosis >> Transmission >> Automatic Trans >> Shift Interlock System >> Schematic and Routing Diagrams >> Automatic Transmission Shift Lock Control Schematics

Automatic Transmission Shift Lock Control Schematics

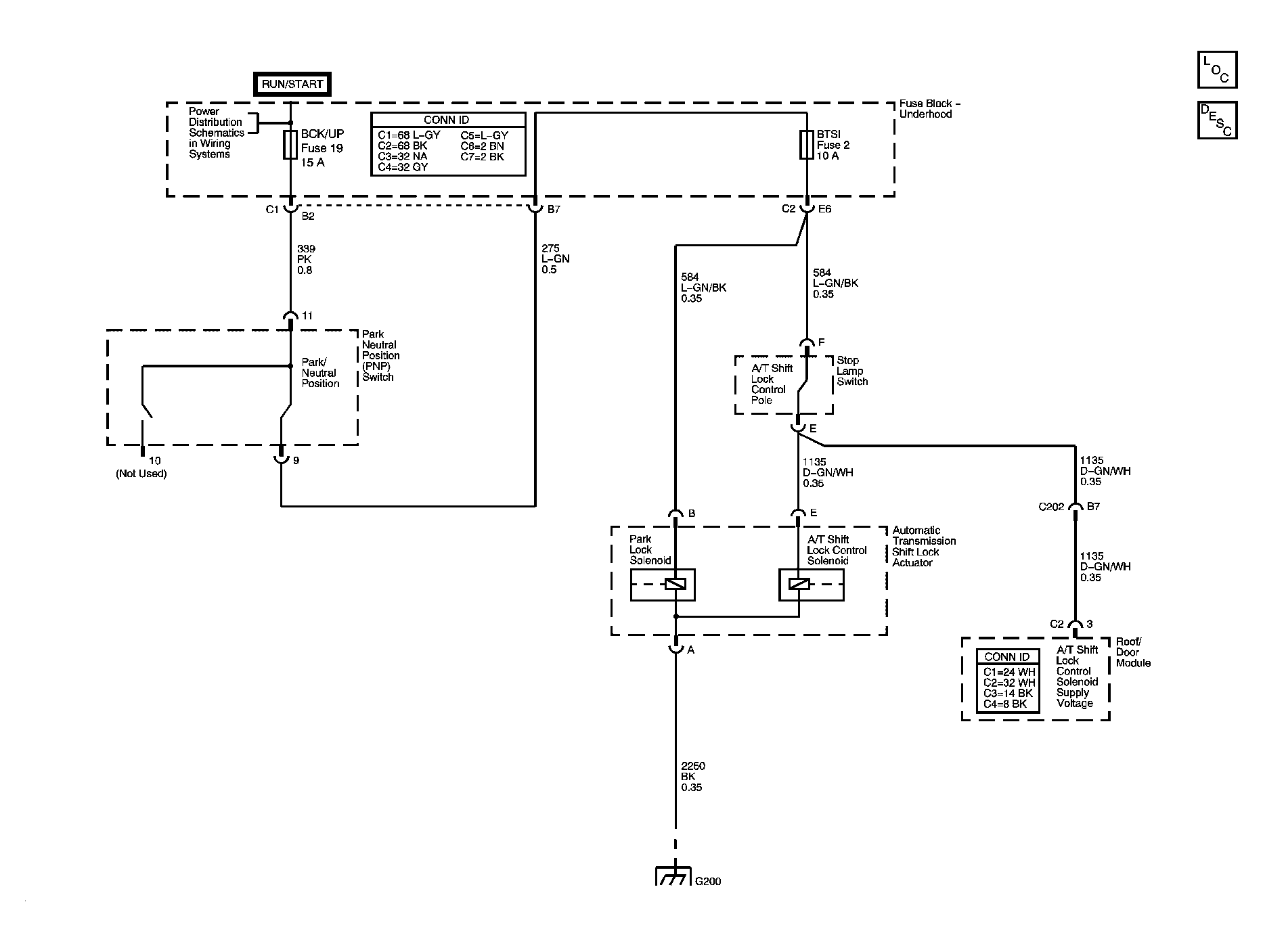
Fig 1: Automatic Transmission Shift Lock Control Schematic
GM1404662Courtesy of GENERAL MOTORS CORP.