LEMON Manuals: Even more car manuals for everyone
Home >> Chevrolet >> 2004 >> Impala SS >> Repair and Diagnosis (Single Page) >> Accessories & Equipment >> Anti-Theft Systems >> Keyless Entry System >> Component Locator >> Keyless Entry Component Views

Keyless Entry Component Views

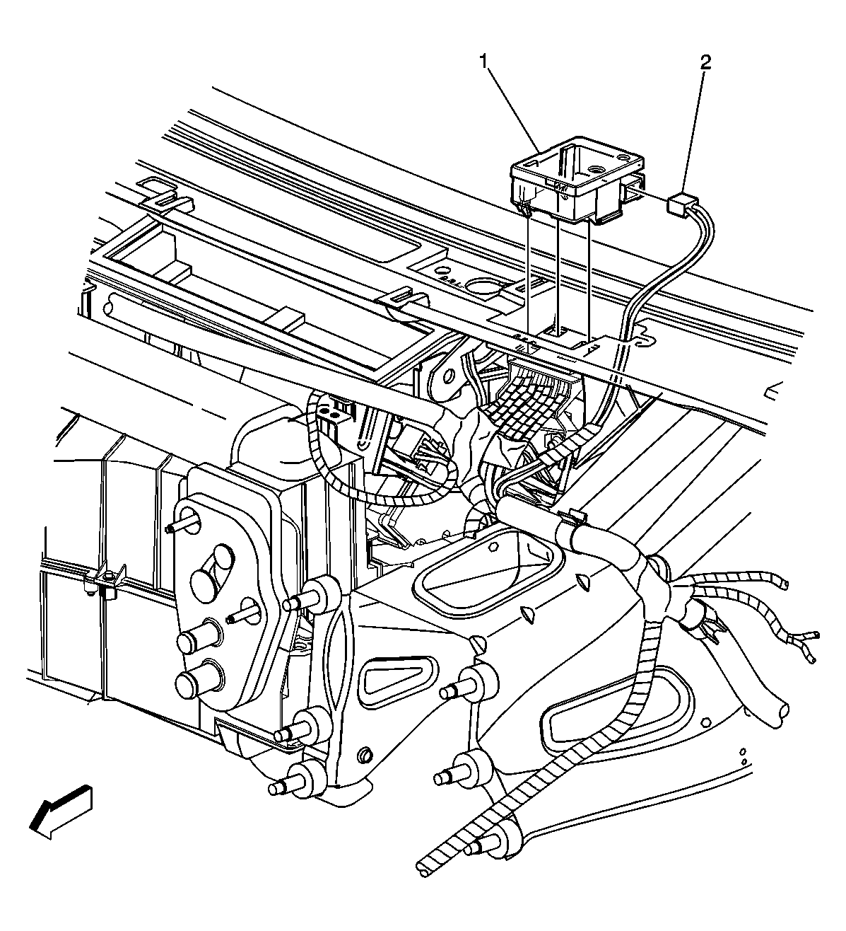
Fig 1: Remote Control Door Lock Receiver (RCDLR), Top Left Center of Instrument Panel
GM498359Courtesy of GENERAL MOTORS CORP.
Callout Component Name
1 Remote Control Door Lock Receiver (RCDLR)
2 Remote Control Door Lock Receiver (RCDLR) Connector