LEMON Manuals: Even more car manuals for everyone
Home >> Chevrolet >> 2003 >> Venture Base, Van Passenger >> Repair and Diagnosis >> Engine Performance >> System >> Engine Control System & Engine Component Tests >> Fuel Systems >> Fuel Pump Electrical Circuit Diagnosis >> Notes

Fuel Pump Electrical Circuit Diagnosis: Notes

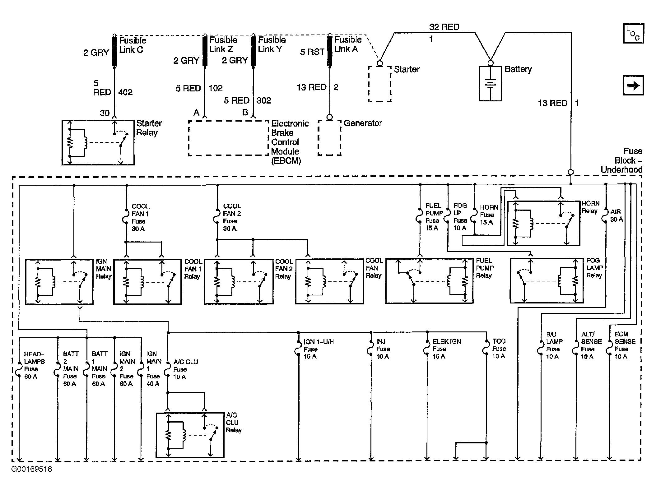
Fig 1: Identifying Underhood Fuse/Relay Block
G00169516Courtesy of GENERAL MOTORS CORP.
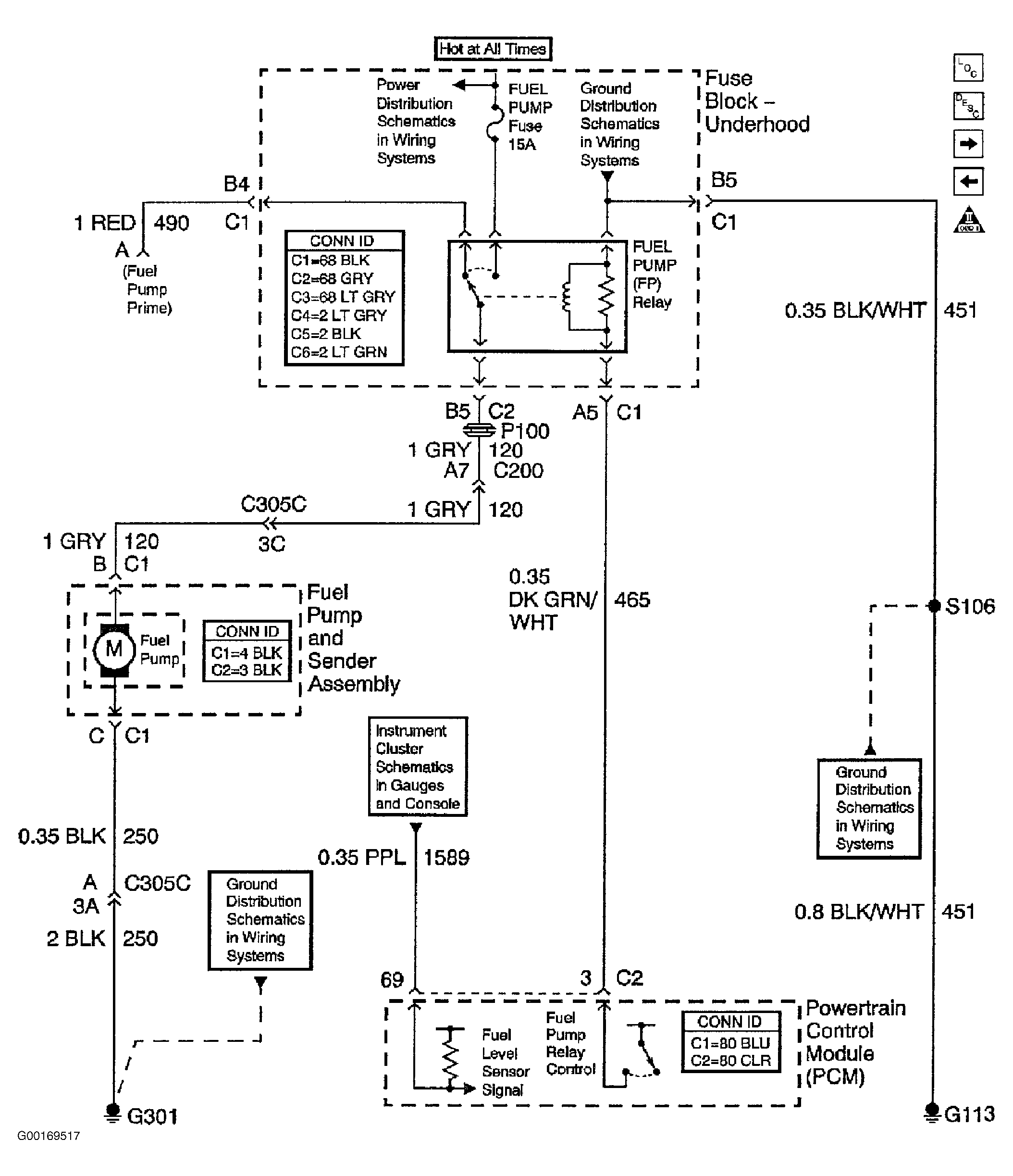
Fig 2: Fuel Pump Electrical Schematic
G00169517Courtesy of GENERAL MOTORS CORP.