LEMON Manuals: Even more car manuals for everyone
Home >> Chevrolet >> 2003 >> Venture Base, Van Cargo Extended >> Repair and Diagnosis >> Engine Performance >> System >> Engine Controls - Basic Diagnostic Procedures >> Ignition Systems >> Electronic Ignition System >> Notes

Electronic Ignition System: Notes

Fig 1: Locating Crankshaft Position Sensors "A" & "B", EGR & Ignition Control Module
G00028480Courtesy of GENERAL MOTORS CORP.
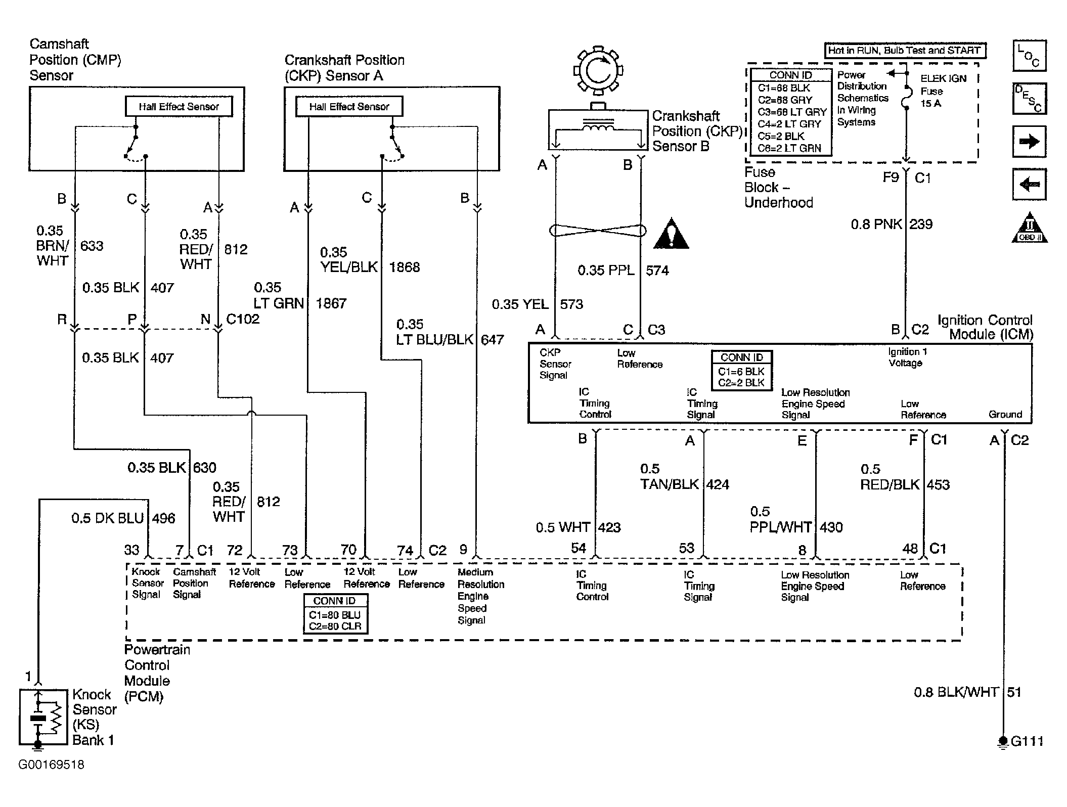
Fig 2: Ignition Control System Electrical Schematic
G00169518Courtesy of GENERAL MOTORS CORP.