LEMON Manuals: Even more car manuals for everyone
Home >> Chevrolet >> 2002 >> Venture Plus >> Repair and Diagnosis (Single Page) >> Body & Frame >> Seats >> Power Seat System >> Schematic and Routing Diagrams >> Memory Seats Schematics (Ground, Memory Seat Switch, and Memory Seat Module (MSM))

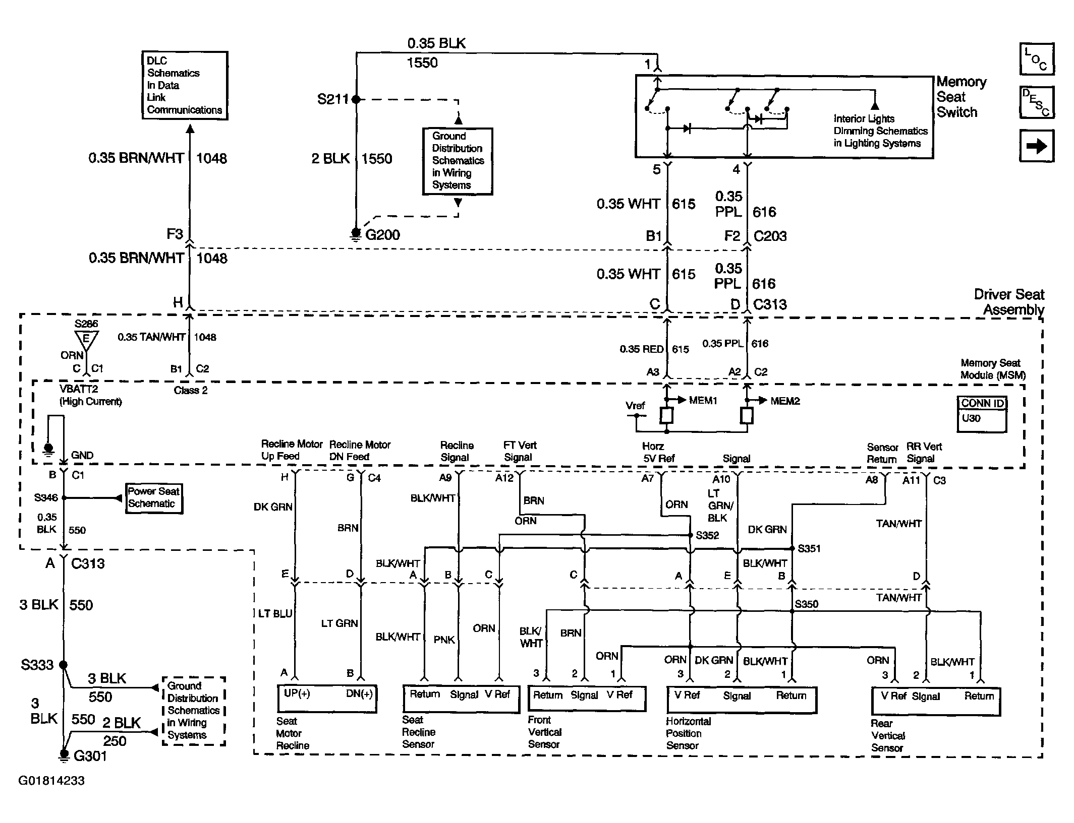
Memory Seats Schematics (Ground, Memory Seat Switch, and Memory Seat Module (MSM))

Fig 1: Memory Seats Schematics (Ground, Memory Seat Switch, And Memory Seat Module (MSM))
G01814233Courtesy of GENERAL MOTORS CORP.
Fig 2: Memory Seats Schematics (Memory Seat Module (MSM) And Seat Horizontal Motor)
G01814234Courtesy of GENERAL MOTORS CORP.