LEMON Manuals: Even more car manuals for everyone
Home >> Chevrolet >> 2000 >> Cutaway 6.5 F >> Repair and Diagnosis >> Engine Performance >> System >> Engine Control System Self-Diagnostics - Diesel >> Diagnostic Tests >> DTC P1635: Pcm 5-Volt Reference Low >> Notes

DTC P1635: Pcm 5-Volt Reference Low: Notes

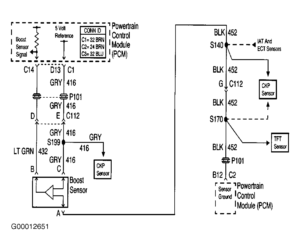
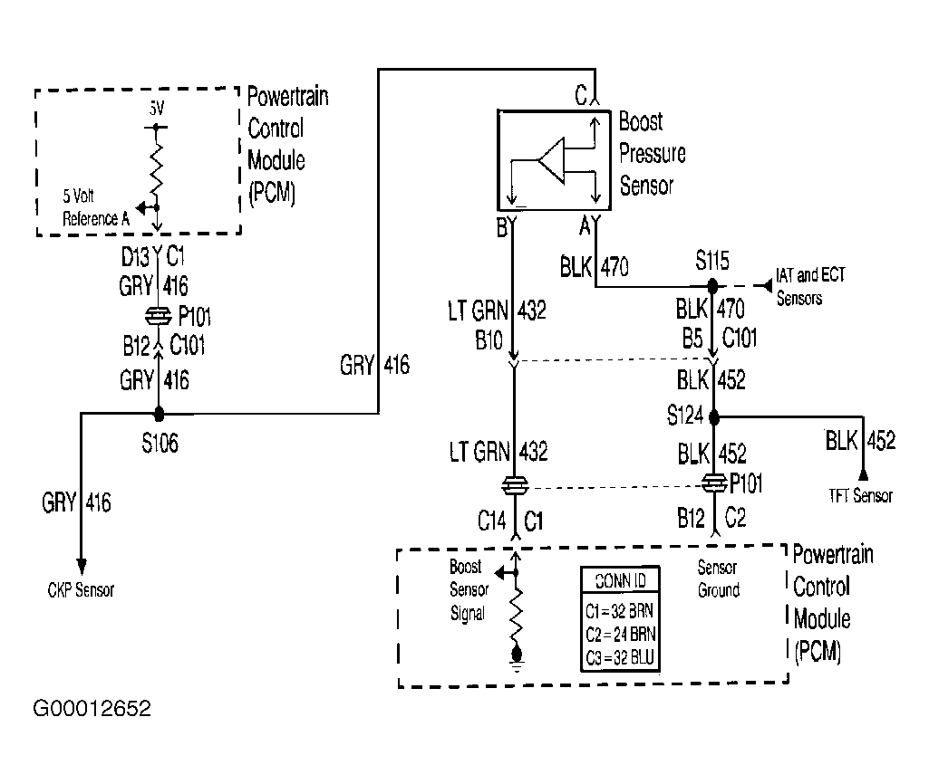
NOTE: For circuit reference, refer to DTC P0182 and P0236 schematics. See Figure, Figure or Figure .