LEMON Manuals: Even more car manuals for everyone
Home >> Chevrolet >> 1994 >> Corvette Base, 2D Convertible, Standard >> Repair and Diagnosis >> Engine Performance >> System >> Engine Controls - Tests W/Codes >> ECM/Pcm Code Charts >> Code 80, Transmission Component Slipping >> Diagnostic Aids

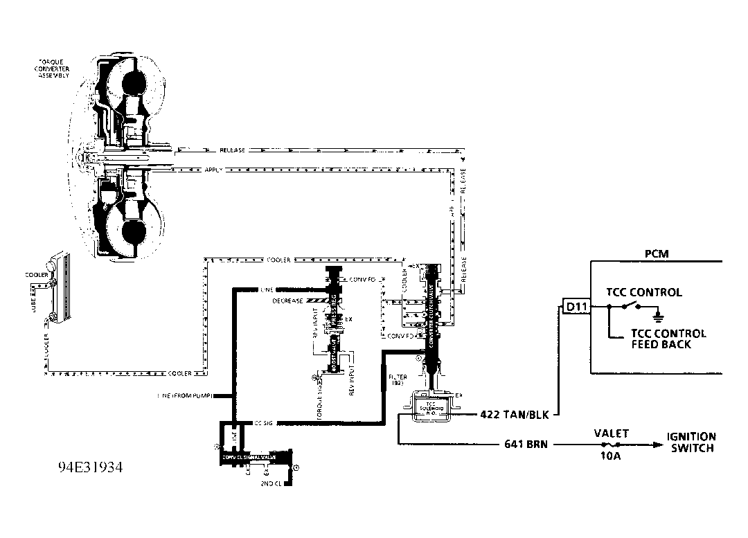
Diagnostic Aids

Check for poor connections at pass-through connector. A faulty transmission range pressure switch assembly may set Code 80.

Fig 1: Code 80 Schematic (Corvette) Transmission Component Slipping
G94E31934
Fig 2: Code 80 Flow Chart (Corvette) Transmission Component Slipping
G94F31935