LEMON Manuals: Even more car manuals for everyone
Home >> Chevrolet >> 1993 >> Corvette Base, 2D Convertible, Standard >> Repair and Diagnosis >> Accessories & Equipment >> Communication Devices >> Central Control Module & Data Link Communication System >> Wiring Diagrams

Wiring Diagrams

Fig 1: Central Control Module Wiring Diagram - 1993 Corvette (1 Of 6)
G00154649Courtesy of GENERAL MOTORS CORP.
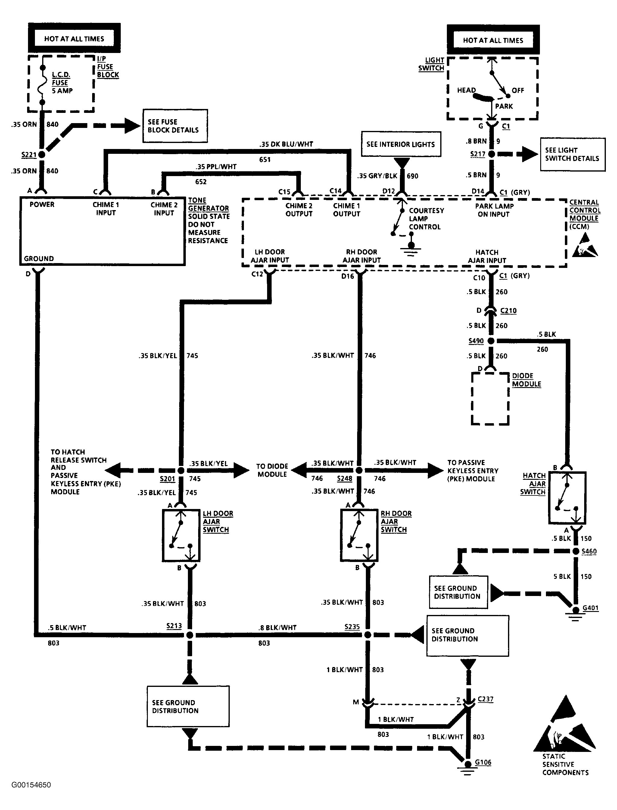
Fig 2: Central Control Module Wiring Diagram - 1993 Corvette (2 Of 6)
G00154650Courtesy of GENERAL MOTORS CORP.
Fig 3: Central Control Module Wiring Diagram - 1993 Corvette (3 Of 6)
G00154651Courtesy of GENERAL MOTORS CORP.
Fig 4: Central Control Module Wiring Diagram - 1993 Corvette (4 Of 6)
G00154652Courtesy of GENERAL MOTORS CORP.
Fig 5: Central Control Module Wiring Diagram - 1993 Corvette (5 Of 6)
G00154653Courtesy of GENERAL MOTORS CORP.
Fig 6: Central Control Module Wiring Diagram - 1993 Corvette (6 Of 6)
G00154654Courtesy of GENERAL MOTORS CORP.
Fig 7: Data Link Communication System Wiring Diagram - 1993 Corvette
G00154655Courtesy of GENERAL MOTORS CORP.
Fig 8: Entertainment & Comfort Data Line Wiring Diagram - 1993 Corvette
G00154656Courtesy of GENERAL MOTORS CORP.